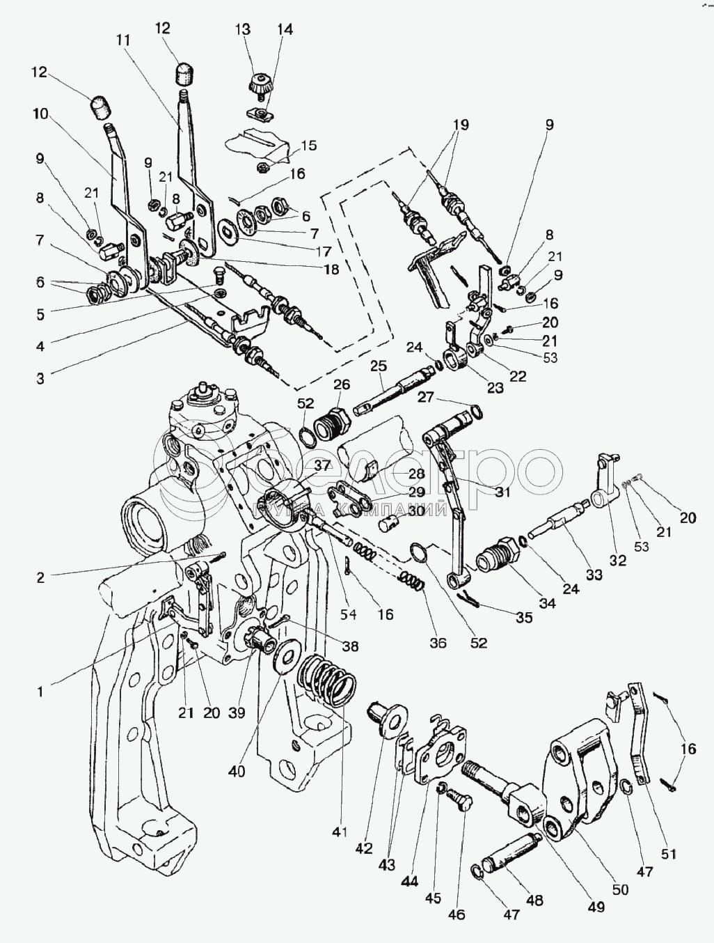
Каталог запасных частей к технике: МТЗ 923.4. Управление гидроподъемником
1
2
3
4
5
6
6
7
7
8
8
8
9
9
9
9
10
11
12
12
13
14
15
16
16
16
16
17
18
19
19
19
19
19
19
19
19
19
20
20
20
21
21
21
21
21
21
22
23
24
24
25
26
27
28
29
30
31
32
33
34
35
36
37
38
39
40
41
42
43
44
45
46
47
47
48
49
50
51
52
52
53
53
54
|
41
820-4635022
Пружина
В узле: 1
|
|||||||||||||||||||||||||||||||||||||||||||||||||||||||||||||||||||||||||||||||||||||||
| 820-4635022 Пружина МТЗ, Беларусь |
|
>10 шт. | 745.94 р. | ||||||||||||||||||||||||||||||||||||||||||||||||||||||||||||||||||||||||||||||||||||
|
17
80-1108028
Шайба
В узле: 2
|
|||||||||||||||||||||||||||||||||||||||||||||||||||||||||||||||||||||||||||||||||||||||
| 80-1108028 Шайба МТЗ механизма управления |
|
>10 шт. | 36.17 р. | ||||||||||||||||||||||||||||||||||||||||||||||||||||||||||||||||||||||||||||||||||||
|
19
100-4635300-02
Трос дистанционного управления
В узле: 2
|
|||||||||||||||||||||||||||||||||||||||||||||||||||||||||||||||||||||||||||||||||||||||
| 100-4635300-02 Morse L-1350 Трос гидросистемы МТЗ, Беларусь |
|
Под заказ | 1 237.80 р. | ||||||||||||||||||||||||||||||||||||||||||||||||||||||||||||||||||||||||||||||||||||
|
32
820-4635015-Б
Рычаг
В узле: 1
|
|||||||||||||||||||||||||||||||||||||||||||||||||||||||||||||||||||||||||||||||||||||||
| 820-4635015-Б Рычаг гидроподъемника МТЗ, Беларусь |
|
<10 шт. | 269.86 р. | ||||||||||||||||||||||||||||||||||||||||||||||||||||||||||||||||||||||||||||||||||||
|
49
820-4635021
Шток
В узле: 1
|
|||||||||||||||||||||||||||||||||||||||||||||||||||||||||||||||||||||||||||||||||||||||
| 820-4635021 Шток управления гидроподъемником МТЗ, Беларусь |
|
Под заказ | 1 221.74 р. | ||||||||||||||||||||||||||||||||||||||||||||||||||||||||||||||||||||||||||||||||||||
|
19
100.М4322.01350
Трос дистанционного управления
В узле: 2
|
|||||||||||||||||||||||||||||||||||||||||||||||||||||||||||||||||||||||||||||||||||||||
| 100.М4322.01350 Трос дистанционного управления МТЗ |
|
<10 шт. | 1 304.97 р. | ||||||||||||||||||||||||||||||||||||||||||||||||||||||||||||||||||||||||||||||||||||
|
48
820-4635018
Палец
В узле: 1
|
|||||||||||||||||||||||||||||||||||||||||||||||||||||||||||||||||||||||||||||||||||||||
| 820-4635018 Палец гидроподъемника МТЗ, Беларусь |
|
Под заказ | 793.73 р. | ||||||||||||||||||||||||||||||||||||||||||||||||||||||||||||||||||||||||||||||||||||
|
42
820-4635026-Б
Втулка
В узле: 1
|
|||||||||||||||||||||||||||||||||||||||||||||||||||||||||||||||||||||||||||||||||||||||
| 820-4635026Б Втулка гидроподъемника МТЗ, Беларусь |
|
Под заказ | 983.34 р. | ||||||||||||||||||||||||||||||||||||||||||||||||||||||||||||||||||||||||||||||||||||
|
34
820-4635032-Б
Втулка
В узле: 1
|
|||||||||||||||||||||||||||||||||||||||||||||||||||||||||||||||||||||||||||||||||||||||
| 820-4635032-Б Втулка гидроподъемника МТЗ, Беларусь |
|
Под заказ | 948.03 р. | ||||||||||||||||||||||||||||||||||||||||||||||||||||||||||||||||||||||||||||||||||||
|
25
820-4635034
Валик
В узле: 1
|
|||||||||||||||||||||||||||||||||||||||||||||||||||||||||||||||||||||||||||||||||||||||
| 820-4635034 Валик гидроподъемника, РБ |
|
Под заказ | 1 884.74 р. | ||||||||||||||||||||||||||||||||||||||||||||||||||||||||||||||||||||||||||||||||||||
| 820-4635034 Валик гидроподъемника МТЗ, Беларусь |
|
Под заказ | 512.57 р. | ||||||||||||||||||||||||||||||||||||||||||||||||||||||||||||||||||||||||||||||||||||
|
40
820-4635023
Шайба
В узле: 1
|
|||||||||||||||||||||||||||||||||||||||||||||||||||||||||||||||||||||||||||||||||||||||
| 820-4635023 Шайба МТЗ |
|
Под заказ | 136.66 р. | ||||||||||||||||||||||||||||||||||||||||||||||||||||||||||||||||||||||||||||||||||||
|
51
820-4635048
Тяга
В узле: 1
|
|||||||||||||||||||||||||||||||||||||||||||||||||||||||||||||||||||||||||||||||||||||||
| 820-4635048 Тяга гидроподъемника МТЗ, Беларусь |
|
Под заказ | 142.85 р. | ||||||||||||||||||||||||||||||||||||||||||||||||||||||||||||||||||||||||||||||||||||
|
31
820-4635030
Звено
В узле: 1
|
|||||||||||||||||||||||||||||||||||||||||||||||||||||||||||||||||||||||||||||||||||||||
| 820-4635030 Звено силовое |
|
Под заказ | 828.55 р. | ||||||||||||||||||||||||||||||||||||||||||||||||||||||||||||||||||||||||||||||||||||
|
50
820-4635019
Серьга
В узле: 1
|
|||||||||||||||||||||||||||||||||||||||||||||||||||||||||||||||||||||||||||||||||||||||
| 820-4635019 Серьга гидроподъемника МТЗ, Беларусь |
|
Под заказ | 1 752.02 р. | ||||||||||||||||||||||||||||||||||||||||||||||||||||||||||||||||||||||||||||||||||||
|
26
820-4635033-Б
Втулка
В узле: 1
|
|||||||||||||||||||||||||||||||||||||||||||||||||||||||||||||||||||||||||||||||||||||||
| 820-4635033-Б Втулка гидроподъемника МТЗ, Беларусь |
|
Под заказ | 256.83 р. | ||||||||||||||||||||||||||||||||||||||||||||||||||||||||||||||||||||||||||||||||||||
|
39
820-4635024
Гайка
В узле: 1
|
|||||||||||||||||||||||||||||||||||||||||||||||||||||||||||||||||||||||||||||||||||||||
| 820-4635024 Гайка гидроподъемника МТЗ |
|
Под заказ | 367.59 р. | ||||||||||||||||||||||||||||||||||||||||||||||||||||||||||||||||||||||||||||||||||||
|
11
820-4635100-Б
Рычаг позиционный
В узле: 1
|
|||||||||||||||||||||||||||||||||||||||||||||||||||||||||||||||||||||||||||||||||||||||
| 820-4635100-Б Рычаг управления МТЗ |
|
Под заказ | 537.63 р. | ||||||||||||||||||||||||||||||||||||||||||||||||||||||||||||||||||||||||||||||||||||
Содержащиеся в справочниках-каталогах запасные части и детали не предлагаются к продаже, а носят исключительно информационный характер