Каталог запасных частей к технике: МТЗ 923.5. Система подогрева бака

zoom-in zoom-out enlarge shrink circle-right circle-left file-text2 info cart arraw right arraw left zoom out zoom in arraw maximize arraw minimize
1
3
3
5
6
8
9
9
9
10
10
10
11
14
15
16
17
18
19
1220.5Р-1209010
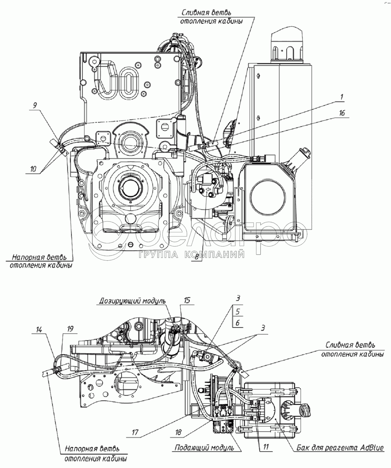
Система подогрева бака
В узле: 1
1
1220.5Р-1209020
Угольник
В узле: 2
3
М8-6gх65.88.35.019
Болт
В узле: 3
5
Шайба8Т
Шайба 8Т
В узле: 3
6
С.8.01.019
Шайба
В узле: 3
8
4460913070
Клапан ОЖ
В узле: 1
9
TORRO12-22/971
Хомут
В узле: 4
9
TORRO12-20/9-C6W
Хомут «НОРМА»
В узле: 4
10
TORRO16-25/9-C6W
Хомут
В узле: 12
10
TORRO16-27/971
Хомут
В узле: 12
11
7028004008
Фитинг ОЖ на модуль заборный
В узле: 2
12
7028017012
Фитинг ОЖ на клапан
В узле: 2
14
6х14-1,6
Рукав
В узле: 1
15
6х14-1,6
Рукав
В узле: 1
16
10х18,5-1,6
Рукав
В узле: 1
17
10х18,5-1,6
Рукав
В узле: 1
18
10х18,5-1,6
Рукав
В узле: 1
19
10х18,5-1,6
Рукав
В узле: 1
Содержащиеся в справочниках-каталогах запасные части и детали не предлагаются к продаже, а носят исключительно информационный характер

Ваша заявка была отправлена. В ближайшее время наши специалисты с Вами свяжутся по указанному Вами телефону.

Представьтесь
Поле обязательно для заполнения
Ваш телефон
Введите правильный номер телефона
E-mail
Введите правильный e-mail
Тема
Тема
применяемость финансирование доставка цена, наличие другое сервис и гарантия
Время для звонка
08:00
08:00 09:00 10:00 11:00 12:00 13:00 14:00 15:00 16:00 17:00 18:00 19:00
19:00
08:00 09:00 10:00 11:00 12:00 13:00 14:00 15:00 16:00 17:00 18:00 19:00

Мы постараемся перезвонить в указанное время

Если вы не хотите ждать, то звоните нашим вежливым консультантам:

8 800 100-2-700
Подтвердите, что вы не робот
Подтвердите, что вы не робот
Спасибо!

Ваше сообщение успешно отправлено!

ЗакрытьПовторить попытку