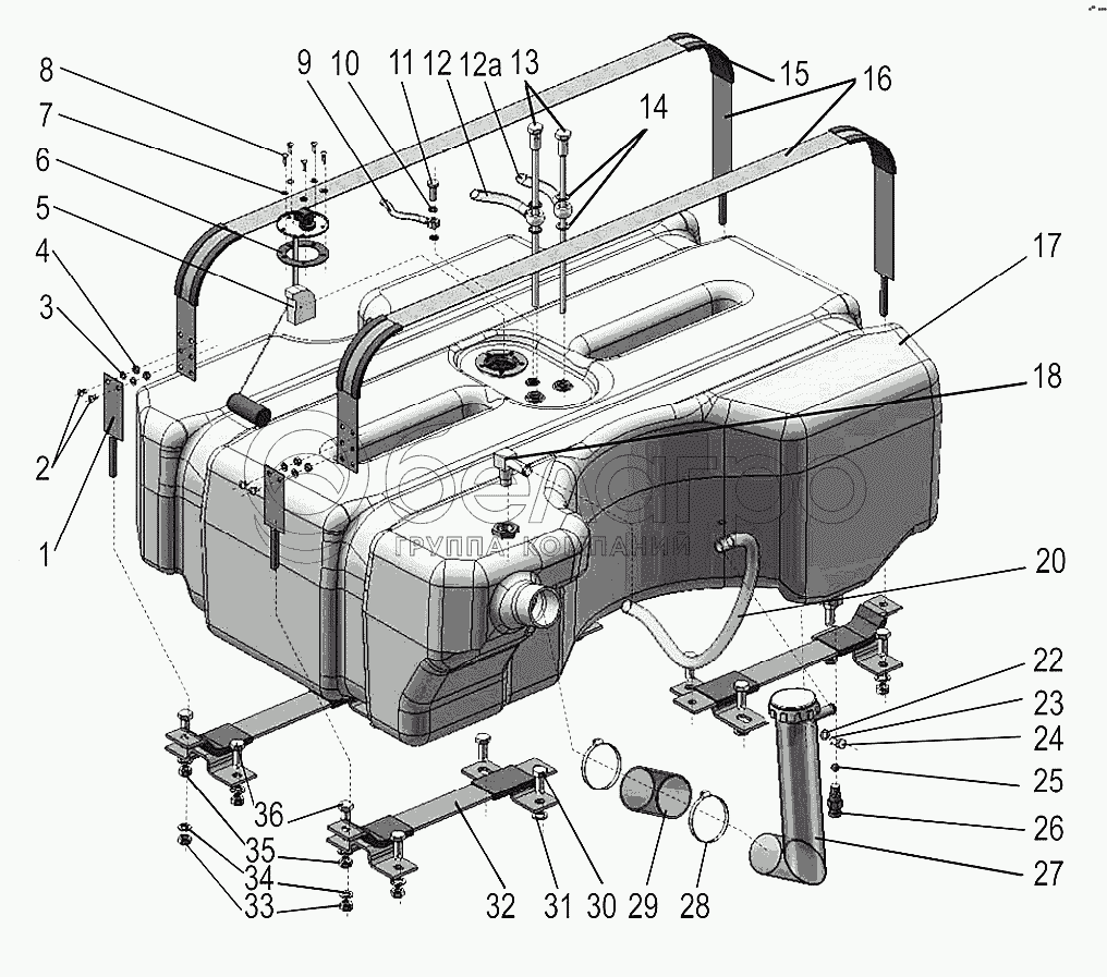
Каталог запасных частей к технике: МТЗ 92П. Бак топливный (с гидроподъемником)

zoom-in zoom-out enlarge shrink circle-right circle-left file-text2 info cart arraw right arraw left zoom out zoom in arraw maximize arraw minimize
1
2
3
4
5
6
7
8
9
10
11
12
12а
13
14
15
16
17
17
18
20
22
23
24
25
26
27
28
29
30
31
32
33
34
35
36
29
70-1101035-Б
Рукав
В узле: 1
70-1101035-Б Рукав соединительный МТЗ, РФ >10 шт. 312.02 р.
70-1101035-Б Рукав соединительный МТЗ, (У) Под заказ 360.07 р.
11
36-1104787
Болт
В узле: 1
36-1104787 Болт МТЗ М10х1.0х22 обратки форсунки, САЗ* >10 шт. 55.36 р.
36-1104787 Болт МТЗ М10х1.0х22 обратки форсунки, (А) Под заказ 5.43 р.
12а
920П-1101240-05
Топливопровод
В узле: 1
920П-1101240-05 Топливопровод МТЗ L=2453 , БЗТДиА Под заказ 2 055.87 р.
26
822-1101081
Штуцер
В узле: 1
822-1101081 Штуцер МТЗ, САЗ Под заказ 138.78 р.
13
1221-1101530
Топливозаборник
В узле: 2
1221-1101530 Топливозаборник МТЗ в пластиковый топливный бак <10 шт. 989.82 р.
17
1221-1101510
Бак
В узле: 1
1221-1101510 Бак топливный МТЗ пластик, 135л, Беларусь Под заказ 21 963.17 р.
5
ДУМП-21М
Датчик уровня топлива
В узле: 1
ДУМП-21М Датчик МТЗ указателя уровня топлива, (А) Под заказ 373.06 р.
920-1101500-06
Бак
В узле: ---
1
1221-1101690-01
Хомут
В узле: 2
2
M6-6gx10.58.019
Винт
В узле: 4
3
Шайба6Т
Шайба
В узле: 4
4
М6-6Н.6.019
Гайка
В узле: 4
6
200-3806026
Прокладка
В узле: 1
7
80-1101067
Шайба
В узле: 5
8
В.М5-6gх16.58.019
Винт
В узле: 2
9
920-1101160-07
Трубка
В узле: 1
10
РМ10
Шайба
В узле: 2
12
920П-1101240-07
Топливопровод
В узле: 2
14
РМ14
Шайба
В узле: 4
15
ПР-43-03
Уплотнитель
В узле: 4
16
1221-1101690
Хомут
В узле: 2
17
ЯВАГ1221-1101510
Бак
В узле: 1
18
1221-1101620
Угольник
В узле: 1
20
85-1101002-03
Трубка
В узле: 1
22
С8.01.019
Шайба
В узле: 1
23
Шайба8Т
Шайба 8Т
В узле: 1
24
М8-6gх20.88.35.019
Болт
В узле: 1
25
11,112-100
Шарик
В узле: 1
27
920-1101260-01
Горловина заливная
В узле: 1
28
XC-66
Хомут
В узле: 2
30
М12-6gх45.88.35.019
Болт
В узле: 8
31
Шайба12.ОТ
Шайба
В узле: 8
32
1221-1101130
Кронштейн
В узле: 4
33
М10-6Н.04.019
Гайка
В узле: 12
34
Шайба10.ОТ
Шайба
В узле: 4
35
С10.01.019
Шайба
В узле: 12
36
М10-6gх25.88.35.019
Болт
В узле: 8
Содержащиеся в справочниках-каталогах запасные части и детали не предлагаются к продаже, а носят исключительно информационный характер

Ваша заявка была отправлена. В ближайшее время наши специалисты с Вами свяжутся по указанному Вами телефону.

Представьтесь
Поле обязательно для заполнения
Ваш телефон
Введите правильный номер телефона
E-mail
Введите правильный e-mail
Тема
Тема
применяемость финансирование доставка цена, наличие другое сервис и гарантия
Время для звонка
08:00
08:00 09:00 10:00 11:00 12:00 13:00 14:00 15:00 16:00 17:00 18:00 19:00
19:00
08:00 09:00 10:00 11:00 12:00 13:00 14:00 15:00 16:00 17:00 18:00 19:00

Мы постараемся перезвонить в указанное время

Если вы не хотите ждать, то звоните нашим вежливым консультантам:

8 800 100-2-700
Подтвердите, что вы не робот
Подтвердите, что вы не робот
Спасибо!

Ваше сообщение успешно отправлено!

ЗакрытьПовторить попытку