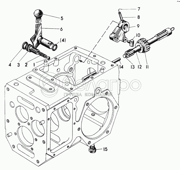
Каталог запасных частей к технике: МТЗ Беларус-08Н (09Н). 05-4216. Управление и привод ВОМ

zoom-in zoom-out enlarge shrink circle-right circle-left file-text2 info cart arraw right arraw left zoom out zoom in arraw maximize arraw minimize
1
2
3
4
4
5
6
7
8
9
10
11
12
13
14
15
1
Шарик7,938-100
Шарик 7,938-100
В узле: 2
2
Пружина
Пружина
В узле: 1
3
Фиксатор
Фиксатор
В узле: 1
4
Кольцо
Кольцо стопорное
В узле: 2
5
Шарик
Шарик
В узле: 1
6
Рычаг
Рычаг
В узле: 1
7
Проволока1,0-0-С
Проволока 1,0-0-С
В узле: 1
8
Штифт4х30.65Г
Штифт
В узле: 1
9
Рычаг
Рычаг
В узле: 1
10
Сухарик
Сухарик
В узле: 1
11
Колесозубчатое
Колесо зубчатое
В узле: 1
12
Вал
Вал
В узле: 2
13
Шайба
Шайба
В узле: 2
14
Шток
Шток
В узле: 1
15
ПробкаКГ3/8dm
Пробка
В узле: 1
Содержащиеся в справочниках-каталогах запасные части и детали не предлагаются к продаже, а носят исключительно информационный характер

Ваша заявка была отправлена. В ближайшее время наши специалисты с Вами свяжутся по указанному Вами телефону.

Представьтесь
Поле обязательно для заполнения
Ваш телефон
Введите правильный номер телефона
E-mail
Введите правильный e-mail
Тема
Тема
применяемость финансирование доставка цена, наличие другое сервис и гарантия
Время для звонка
08:00
08:00 09:00 10:00 11:00 12:00 13:00 14:00 15:00 16:00 17:00 18:00 19:00
19:00
08:00 09:00 10:00 11:00 12:00 13:00 14:00 15:00 16:00 17:00 18:00 19:00

Мы постараемся перезвонить в указанное время

Если вы не хотите ждать, то звоните нашим вежливым консультантам:

8 800 100-2-700
Подтвердите, что вы не робот
Подтвердите, что вы не робот
Спасибо!

Ваше сообщение успешно отправлено!

ЗакрытьПовторить попытку