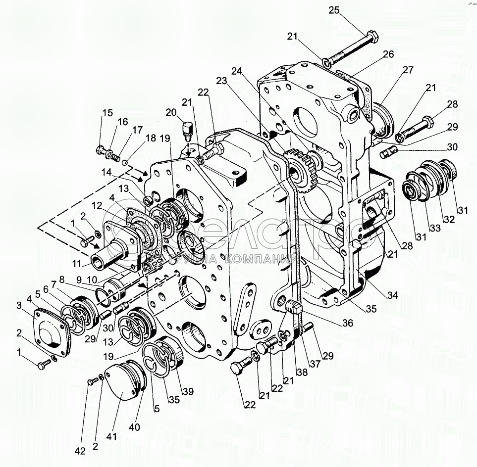
Каталог запасных частей к технике: МТЗ БЕЛАРУС 320. Коробка передач;Gearbox

zoom-in zoom-out enlarge shrink circle-right circle-left file-text2 info cart arraw right arraw left zoom out zoom in arraw maximize arraw minimize
220-1701020
220-1700010-В 1
220-1701050
1
1
2
2
2
3
4
4
5
5
6
7
8
9
10
11
12
13
13
14
15
16
17
18
19
19
20
21
21
21
21
21
21
22
22
22
23
24
25
26
27
28
28
29
29
29
30
30
31
31
32
33
34
35
35
36
37
38
39
40
41
42
4
220-1701036
Прокладка
В узле: 2
220-1701036 Прокладка МТЗ, БЗТДиА >10 шт. 109.24 р.
16
36-1104788
Прокладка
В узле: 4
36-1104788 Шайба 10.0х16.0х1.5 Д-240, Д-245 уплотнительная медная, (А) Под заказ 4.48 р.
40
059-065-36-2-4
Кольцо
В узле: 1
059-065-36-2-4 Кольцо уплотнительное, Беларусь <10 шт. 41.79 р.
13
220-1701031
Кольцо
В узле: 2
220-1701031 Кольцо Д27.8 МТЗ, БЗТДиА >10 шт. 92.34 р.
5
220-1701251
Кольцо
В узле: 2
220-1701251 Кольцо Д 23.1 МТЗ, БЗТДиА >10 шт. 83.23 р.
11
220-1701034
Кронштейн
В узле: 1
220-1701034 Кронштейн МТЗ, БЗТДиА Под заказ 1 765.44 р.
6
220-1701262
Кольцо
В узле: 3
220-1701262 Кольцо Д 59 МТЗ, БЗТДиА Под заказ 193.78 р.
17
220-1702325
Пружина
В узле: 5
220-1702325 Пружина МТЗ Под заказ 101.31 р.
14
220-1701067
Заглушка
В узле: 2
220-1701067 Заглушка МТЗ коробки переключения передач, БЗТДиА Под заказ 22.11 р.
220-1701020
Корпус
В узле: 1
220-1700010-В 1
Коробка передач
В узле: 1
220-1701050
Кронштейн
В узле: 1
1
М6х20
Винт
В узле: 8
2
SHP6
Шайба
В узле: 10
3
220-1701061
Крышка
В узле: 1
7
50305
Подшипник
В узле: 1
8
035-040-30-1-4
Кольцо
В узле: 1
9
220-1701075
Ось
В узле: 1
10
20х26х34Е
Подшипник
В узле: 1
12
2.2-30x52-1
Манжета
В узле: 1
15
М10х12
Болт
В узле: 4
18
8,0-100
Шарик
В узле: 5
19
50206
Подшипник
В узле: 2
20
SU-V'-A
Сапун
В узле: 1
21
SHP 12
Шайба
В узле: 24
22
M12x40
Болт
В узле: 17
23
220-1701076
Шестерня
В узле: 1
24
220-1701077
Шайба
В узле: 1
25
М12х110
Болт
В узле: 3
26
082-4604022
Прокладка
В узле: 1
27
52-1802016
Крышка
В узле: 1
28
M12x65
Болт
В узле: 4
29
SHCK 10x25
Штифт
В узле: 8
30
М12х32
Шпилька
В узле: 8
31
2.2-25x42-1
Манжета
В узле: 2
32
220-1701259
Втулка
В узле: 1
33
055-063-46-1-4
Кольцо
В узле: 1
34
220-1701028-В1
Корпус
В узле: 1
35
2V62
Кольцо
В узле: 2
36
KG3/4"
Пробка
В узле: 2
37
220-1701026-B
Прокладка
В узле: 1
38
220-1701027-B1
Корпус
В узле: 1
39
305 A
Подшипник
В узле: 1
41
220-2302041
Крышка
В узле: 1
42
M6x16
Болт
В узле: 2
Содержащиеся в справочниках-каталогах запасные части и детали не предлагаются к продаже, а носят исключительно информационный характер

Ваша заявка была отправлена. В ближайшее время наши специалисты с Вами свяжутся по указанному Вами телефону.

Представьтесь
Поле обязательно для заполнения
Ваш телефон
Введите правильный номер телефона
E-mail
Введите правильный e-mail
Тема
Тема
применяемость финансирование доставка цена, наличие другое сервис и гарантия
Время для звонка
08:00
08:00 09:00 10:00 11:00 12:00 13:00 14:00 15:00 16:00 17:00 18:00 19:00
19:00
08:00 09:00 10:00 11:00 12:00 13:00 14:00 15:00 16:00 17:00 18:00 19:00

Мы постараемся перезвонить в указанное время

Если вы не хотите ждать, то звоните нашим вежливым консультантам:

8 800 100-2-700
Подтвердите, что вы не робот
Подтвердите, что вы не робот
Спасибо!

Ваше сообщение успешно отправлено!

ЗакрытьПовторить попытку