Каталог запасных частей к технике: МТЗ БЕЛАРУС 320. Облицовка;Facing

zoom-in zoom-out enlarge shrink circle-right circle-left file-text2 info cart arraw right arraw left zoom out zoom in arraw maximize arraw minimize
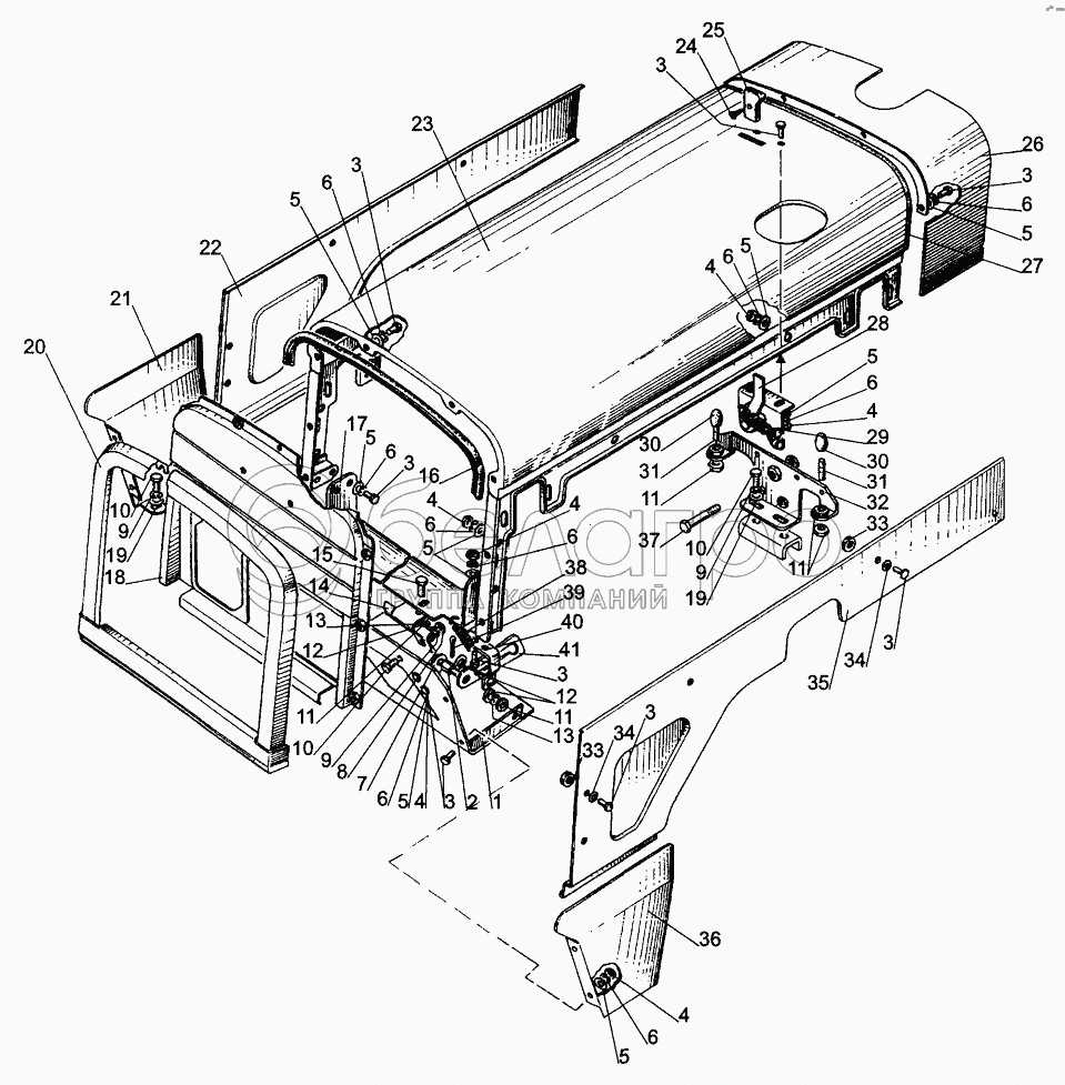
1
2
3
3
3
3
3
3
3
3
4
4
4
4
4
4
5
5
5
5
5
5
5
5
6
6
6
6
6
6
6
6
6
7
8
9
9
9
10
10
10
11
11
11
11
12
12
13
13
14
15
16
17
18
19
19
20
21
22
23
24
25
26
27
28
29
30
30
31
31
32
33
33
34
34
35
36
37
38
39
40
41
30
70-3401093
Наконечник
В узле: 1
70-3401093 Рукоятка МТЗ, Беларусь Под заказ 49.75 р.
25
80-6105056
Рукоятка
В узле: 1
80-6105056 Рукоятка МТЗ ручки внутреннего замка кабины, Беларусь Под заказ 73.07 р.
1
215-8402070
Опора
В узле: 1
2
320-8402621
Ось
В узле: 1
3
М6х20
Винт
В узле: 34
4
М6
Гайка
В узле: 18
34
SHCH6
Шайба
В узле: 10
6
SHP6
Шайба
В узле: 34
7
52-1802087-В
Кронштейн
В узле: 1
8
М8
Гайка
В узле: 4
9
SHP8
Шайба
В узле: 14
10
М8х20
Болт
В узле: 10
11
М10
Гайка
В узле: 7
12
SHCH 10
Шайба
В узле: 4
13
SHP10
Шайба
В узле: 4
14
50Н-8401090-02
Петля
В узле: 1
15
M10x25
Болт
В узле: 2
16
220-8402102
Профиль
В узле: 1
17
215-8401003
Кронштейн
В узле: 1
18
220-8401020
Решетка
В узле: 1
19
SHCH 8
Шайба
В узле: 1
20
220-8401010
Рамка
В узле: 1
21
215-8402026-01
Боковина
В узле: 1
22
220-840208 1-A-01
Боковина
В узле: 1
23
320-8402010
Капот
В узле: 1
24
4x10
Винт
В узле: 1
26
320-8402015
Проставка
В узле: 1
27
320-8402102
Профиль
В узле: 1
28
80-8402411
Корпус
В узле: 1
29
80-8402414-А
Пружина
В узле: 1
31
М10х35
Болт
В узле: 1
32
320-8402630
Кронштейн
В узле: 1
33
549-1305044
Прокладка
В узле: 10
35
220-8402081-А
Боковина
В узле: 1
36
215-8402026
Боковина
В узле: 1
37
M10x70
Болт
В узле: 1
38
70-3710027
Пружина
В узле: 1
39
3,2x25
Шплинт
В узле: 1
40
215-8400030
Кронштейн
В узле: 1
41
85-8400017
Сектор
В узле: 1
Содержащиеся в справочниках-каталогах запасные части и детали не предлагаются к продаже, а носят исключительно информационный характер

Ваша заявка была отправлена. В ближайшее время наши специалисты с Вами свяжутся по указанному Вами телефону.

Представьтесь
Поле обязательно для заполнения
Ваш телефон
Введите правильный номер телефона
E-mail
Введите правильный e-mail
Тема
Тема
применяемость финансирование доставка цена, наличие другое сервис и гарантия
Время для звонка
08:00
08:00 09:00 10:00 11:00 12:00 13:00 14:00 15:00 16:00 17:00 18:00 19:00
19:00
08:00 09:00 10:00 11:00 12:00 13:00 14:00 15:00 16:00 17:00 18:00 19:00

Мы постараемся перезвонить в указанное время

Если вы не хотите ждать, то звоните нашим вежливым консультантам:

8 800 100-2-700
Подтвердите, что вы не робот
Подтвердите, что вы не робот
Спасибо!

Ваше сообщение успешно отправлено!

ЗакрытьПовторить попытку