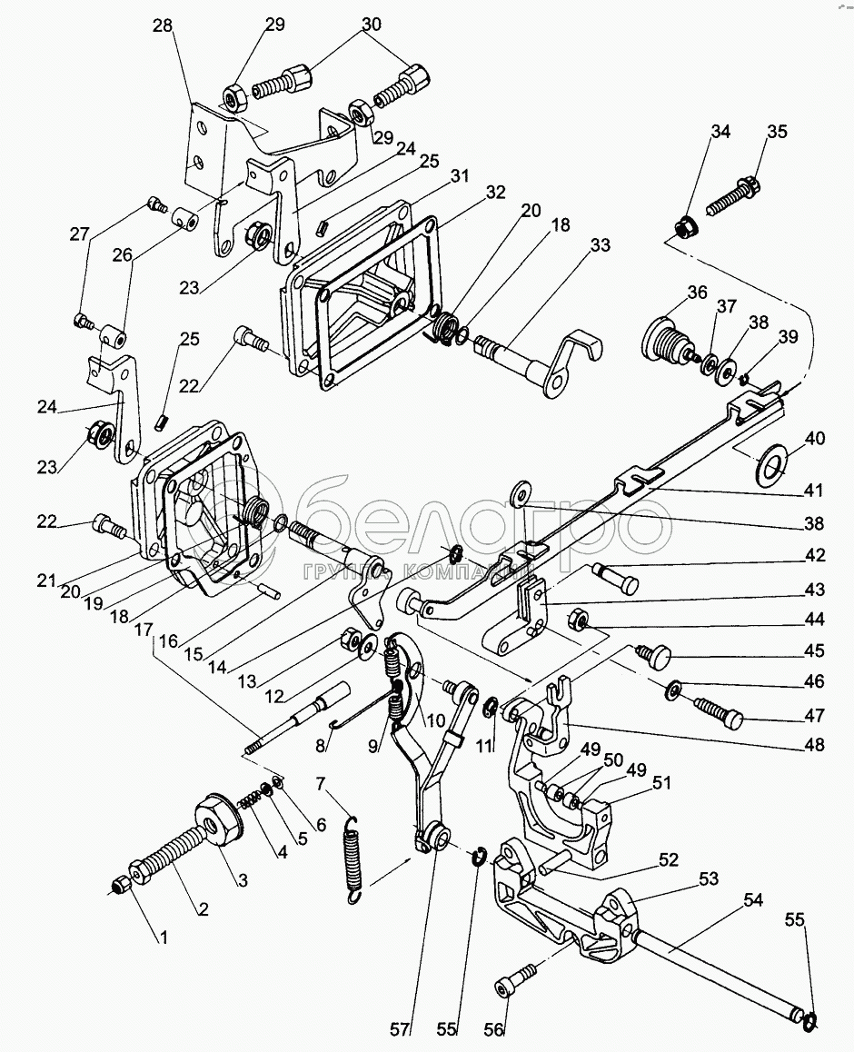
Каталог запасных частей к технике: МТЗ БЕЛАРУС 320. Регулятор частоты вращения;Speed Governor

zoom-in zoom-out enlarge shrink circle-right circle-left file-text2 info cart arraw right arraw left zoom out zoom in arraw maximize arraw minimize
104.8576.068
104.4190.103
BV5200834
BV5200634
BV2516105
BV2516106
1
2
3
4
5
6
7
8
9
10
11
12
13
14
15
16
17
18
18
19
20
20
21
22
22
23
23
24
24
25
25
26
27
28
29
29
30
31
32
33
34
35
36
37
38
38
39
40
41
42
43
44
45
46
47
48
49
49
50
51
52
53
54
55
55
56
57
104.8576.068
Упор
В узле: 1
104.4190.103
Болт направляющий
В узле: 1
BV5200834
Штанга соединительная
В узле: 1
BV5200634
Рычаг регулятора в сборе
В узле: 1
BV2516105
Рычажок-останов в сборе
В узле: 1
BV2516106
Рычажок в сборе
В узле: 1
1
9.3203.057
Гайка
В узле: 1
2
104.1930.143
Корпус упора
В узле: 1
3
9.3240.152
Гайка
В узле: 1
4
104.5801.490
Пружина
В узле: 1
5
104.7625.228
Шайба
В узле: 1
6
9.1200.232
Кольцо уплот-нительное
В узле: 1
7
104.5801.208
Пружина
В узле: 1
8
104.9245.134
Тяга
В узле: 1
9
104.5655.135
Пружина регулятора
В узле: 1
10
625.1541.025
Балансир
В узле: 1
11
9.1240.077
Кольцо стопорное
В узле: 1
12
9.7625.070
Шайба
В узле: 1
13
9.3203.048
Гайка
В узле: 1
14
9.1241.029
Кольцо стопорное
В узле: 1
15
104.6140.307
Рычажок внутренний
В узле: 1
16
9.8400.048
Штифт
В узле: 1
17
104.7200.150
Палец
В узле: 1
18
9.1200.052
Кольцо уплот-нительное
В узле: 2
19
104.4431.128
Уплотнение
В узле: 1
20
104.5680.104
Пружина
В узле: 2
21
104.2700.041
Крышка регулятора
В узле: 1
22
9.9730.009
Болт
В узле: 8
23
9.3203.047
Гайка
В узле: 2
24
560.5200.108
Рычажок наружный
В узле: 2
25
9.8430.004
Штифт эластичный
В узле: 2
26
9.6000.016
Втулка
В узле: 2
27
9.9790.003
Болт
В узле: 2
28
104.5060.008
Держатель
В узле: 1
29
9.3240.019
Гайка
В узле: 2
30
70.9180.047
Болт упорный
В узле: 2
31
104.2700.042
Крышка
В узле: 1
32
104.4431.127
Уплотнение
В узле: 1
33
104.6140.308
Рычажок-останов
В узле: 1
34
9.3240.153
Гайка
В узле: 1
35
9.1760.039
Болт
В узле: 1
36
104.4190.136
Болт направляющий
В узле: 1
37
104.7585.006
Шайба
В узле: 1
38
104.1970.154
Втулка
В узле: 1
39
9.1240.088
Кольцо сто-
В узле: 1
40
9.4670.021
порное Уплотнение
В узле: 1
41
104.1380.029
Штанга соединительная
В узле: 1
42
104.6210.045
Палец
В узле: 1
43
104.8785.122
Держатель
В узле: 1
44
9.3240.005
Гайка
В узле: 1
45
104.9850.092
Болт установочный
В узле: 1
46
9.7625.124
Шайба
В узле: 1
47
104.9730.198
Болт
В узле: 1
48
104.5200.650
Рычажок
В узле: 1
49
104.7770.124
управления Ролик
В узле: 1
50
104.1970.203
Втулка
В узле: 1
51
104.5200.647
Рычаг регулятора
В узле: 1
52
276.8460.055
Штифт
В узле: 2
53
104.8785.105
Держатель
В узле: 1
54
104.6140.408
Палец
В узле: 1
55
9.1240.002
Кольцо стопорное
В узле: 2
56
9.9730.010
Болт
В узле: 3
57
104.5200.628
Рычаг
В узле: 1
Содержащиеся в справочниках-каталогах запасные части и детали не предлагаются к продаже, а носят исключительно информационный характер

Ваша заявка была отправлена. В ближайшее время наши специалисты с Вами свяжутся по указанному Вами телефону.

Представьтесь
Поле обязательно для заполнения
Ваш телефон
Введите правильный номер телефона
E-mail
Введите правильный e-mail
Тема
Тема
применяемость финансирование доставка цена, наличие другое сервис и гарантия
Время для звонка
08:00
08:00 09:00 10:00 11:00 12:00 13:00 14:00 15:00 16:00 17:00 18:00 19:00
19:00
08:00 09:00 10:00 11:00 12:00 13:00 14:00 15:00 16:00 17:00 18:00 19:00

Мы постараемся перезвонить в указанное время

Если вы не хотите ждать, то звоните нашим вежливым консультантам:

8 800 100-2-700
Подтвердите, что вы не робот
Подтвердите, что вы не робот
Спасибо!

Ваше сообщение успешно отправлено!

ЗакрытьПовторить попытку