Каталог запасных частей к технике: МТЗ БЕЛАРУС 320. Щиток приборов;Dashboard

zoom-in zoom-out enlarge shrink circle-right circle-left file-text2 info cart arraw right arraw left zoom out zoom in arraw maximize arraw minimize
1
2
2
3
3
3
3
3
3
4
5
6
6
7
8
9
9
9
10
10
12
12
12
12
12
13
14
15
16
17
18
18
19
20
21
22
23
24
25
26
27
28
29
30
31
31
32
33
33
33
33
33
33
33
33
33
34
35
36
37
38
39
40
41
42
43
44
45
И
А30.04.017
Колпачок
В узле: 4
А30.04.017 Колпачок Под заказ 4.61 р.
14
245.3710
Выключатель аварийный
В узле: 1
245.3710 Выключатель МТЗ, аварийной сигнализации (кнопка аварийки), РФ <10 шт. 543.41 р.
42
90.3747
Реле
В узле: 1
90.3747 Реле МТЗ 12 В, (А) >10 шт. 84.46 р.
90.3747 Реле МТЗ 12 В <10 шт. 121.93 р.
43
732.3747
Реле стартера
В узле: 1
732.3747 Реле стартера (РС-523,47.3787), РФ >10 шт. 186.51 р.
17
80-3801327
Заглушка
В узле: 1
80-3801327 Заглушка МТЗ Под заказ 86.42 р.
26
80-3805014
Гайка
В узле: 1
80-3805014 Гайка МТЗ Под заказ 8.77 р.
31
80-3801021
Гнездо выключателя
В узле: 3
80-3801021 Гнездо МТЗ, Беларусь Под заказ 29.21 р.
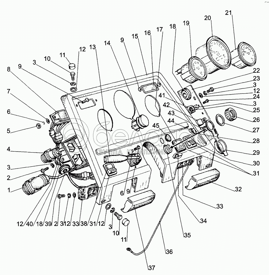
225-3805010-04
Щиток приборов в сборе
В узле: 1
1
600-3724390-V
Жгут
В узле: 1
2
М6х18
Винт
В узле: 6
3
SHP6
Шайба
В узле: 14
4
225-3724520
Жгут
В узле: 1
5
М4
Гайка
В узле: 4
6
SHP4
Шайба
В узле: 6
7
SHCH 4
Шайба
В узле: 4
8
18.3803-08
Блок контрольных ламп
В узле: 1
9
М4х12
Винт
В узле: 6
10
М6х14
Болт
В узле: 4
12
SHCH6
Шайба
В узле: 11
13
РКР-2
Переключатель указателей поворота, ближнего и дальнего света
В узле: 1
15
600-3805020-В-01
Панель приборов
В узле: 1
16
18.3803-10
Блок контрольных ламп
В узле: 1
18
70-3723042-02
Втулка
В узле: 3
19
EI 8009-2
Указатель давления воздуха
В узле: 1
20
KD 8050
Тахоспидометр
В узле: 1
21
EI 8007-1
Индикатор уровня топлива
В узле: 1
22
600-374701 0-В
Пластина
В узле: 1
23
М6х12
Винт
В узле: 2
24
VM6x12
Винт
В узле: 2
25
М6
Гайка
В узле: 2
27
220-3805019
Шайба
В узле: 1
28
80-3724616
Провод
В узле: 1
29
220-3710012
Чехол
В узле: 1
30
26.3710-25,52
Выключатель верхних фар
В узле: 1
32
600-3722005-01
Крышка
В узле: 1
33
PR-120
Блок предохранителей
В узле: 2
33
Пред0хранитель
Предохранитель
В узле: 4
34
80-3724410-06
Провод
В узле: 2
35
202.3704-03
Выключатель
В узле: 1
36
50-3724082
Провод
В узле: 1
37
600-3722005
Крышка
В узле: 1
38
P147-04.29
Переключатель
В узле: 1
39
225-3724240
Жгут
В узле: 1
40
P14-3723
Панель
В узле: 1
41
8586.6/0031
Прерыватель указателей поворота
В узле: 1
44
02-6,3-01
Колодка гнездовая
В узле: 1
45
70-3801311-01
Заглушка
В узле: 1
Содержащиеся в справочниках-каталогах запасные части и детали не предлагаются к продаже, а носят исключительно информационный характер

Ваша заявка была отправлена. В ближайшее время наши специалисты с Вами свяжутся по указанному Вами телефону.

Представьтесь
Поле обязательно для заполнения
Ваш телефон
Введите правильный номер телефона
E-mail
Введите правильный e-mail
Тема
Тема
применяемость финансирование доставка цена, наличие другое сервис и гарантия
Время для звонка
08:00
08:00 09:00 10:00 11:00 12:00 13:00 14:00 15:00 16:00 17:00 18:00 19:00
19:00
08:00 09:00 10:00 11:00 12:00 13:00 14:00 15:00 16:00 17:00 18:00 19:00

Мы постараемся перезвонить в указанное время

Если вы не хотите ждать, то звоните нашим вежливым консультантам:

8 800 100-2-700
Подтвердите, что вы не робот
Подтвердите, что вы не робот
Спасибо!

Ваше сообщение успешно отправлено!

ЗакрытьПовторить попытку