Каталог запасных частей к технике: МТЗ БЕЛАРУС 320. Управление рулевое гидрообъемное;Hydrostatic Steering Unit

zoom-in zoom-out enlarge shrink circle-right circle-left file-text2 info cart arraw right arraw left zoom out zoom in arraw maximize arraw minimize
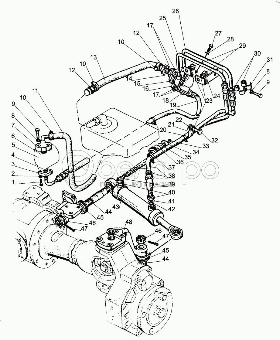
1
2
3
4
5
6
7
8
8
9
9
10
10
10
11
12
12
13
14
15
16
17
17
18
18
18
18
19
20
21
22
23
24
25
26
27
28
29
30
31
32
33
34
35
36
37
38
39
40
41
42
43
43
44
44
45
45
46
46
47
47
48
46
70-3003032
Гайка
В узле: 2
70-3003032 Гайка нижняя МТЗ раздаточной коробки, корончатая, М18х1,5, (А) >10 шт. 6.03 р.
70-3003032 Гайка нижняя МТЗ раздаточной коробки, корончатая, М18х1,5, САЗ* >10 шт. 97.87 р.
70-3003032 Гайка нижняя МТЗ раздаточной коробки, корончатая, М18х1,5, БЗТДиА <10 шт. 350.05 р.
30
70-3506027
Втулка
В узле: 2
70-3506027 Втулка МТЗ, Беларусь Под заказ 11.08 р.
15
85-3407105
Болт
В узле: 1
85-3407105 Болт МТЗ арматуры рулевого управления, БЗТДиА <10 шт. 412.91 р.
45
320-3407004
Втулка
В узле: 4
320-3407004 Втулка МТЗ пальца рулевого гидроцилиндра, Беларусь Под заказ 177.66 р.
31
70-3407146
Планка
В узле: 1
70-3407146 Планка МТЗ <10 шт. 42.66 р.
37
210-3000023
Втулка
В узле: 2
210-3000023 Втулка МТЗ, БЗТДиА Под заказ 68.94 р.
36
85-3401176-01
Шайба
В узле: 2
85-3401176-01 Шайба МТЗ Под заказ 33.45 р.
39
320-4607171
Угольник ввертной
В узле: 2
320-4607171 Угольник МТЗ ввертной, БЗТДиА Под заказ 528.87 р.
1
М6х25
Винт
В узле: 2
2
SHP6
Шайба
В узле: 2
3
320-3407010-А
Маслопровод нагнетательный
В узле: 1
4
013-017-25-1-4
Кольцо
В узле: 1
5
T10R
Насос
В узле: 1
6
021-025-25-1-4
Кольцо
В узле: 1
7
320-3407045-В
Маслопровод всасывающий
В узле: 1
8
SHP8
Шайба
В узле: 3
9
М8х35
Болт
В узле: 3
10
TORRO-16-25/9-CGW
Хомут
В узле: 4
11
320-3407001
Шланг
В узле: 1
12
225-3407020
Патрубок сливной
В узле: 2
13
320-3407002
Шланг
В узле: 1
14
F80-3407134
Штуцер
В узле: 1
16
220G-3408100-01
Угольник поворотный
В узле: 1
17
F80-3407157
Шайба
В узле: 7
18
OSPC 160 ON 150-1149
Насос-дозатор
В узле: 1
18
1AGC 50-1509-2
Насос-дозатор
В узле: 1
19
952-3407100-10
Рукав высокого давления
В узле: 1
20
909070
Хомут пластмассовый
В узле: 3
21
70-4802043
Кляммер
В узле: 1
22
SHCH 12
Шайба
В узле: 1
23
SHP12
Шайба
В узле: 1
24
225-3407004
Кронштейн
В узле: 1
25
225-3407030-01
Маслопровод цилиндра
В узле: 1
26
225-3407030
Маслопровод цилиндра
В узле: 1
27
М10х30
Болт
В узле: 4
28
SHP 10
Шайба
В узле: 4
29
М12
Гайка
В узле: 4
32
М12х20
Болт
В узле: 1
33
1.1.C6.hr
Масленка
В узле: 2
34
M20x1,5
Гайка
В узле: 2
35
F80-3405103
Шайба стопорная
В узле: 2
38
952-3407100
Рукав высокого давления
В узле: 2
40
082-4607124
Гайка
В узле: 2
41
082-4607118
Шайба
В узле: 2
42
011-015-25-2-4
Кольцо
В узле: 2
43
С40х160.010
Гидроцилиндр
В узле: 1
43
С40х160-11-В
Гидроцилиндр
В узле: 1
44
220-3000021-В
Палец
В узле: 2
47
4x36
Шплинт
В узле: 2
48
220-2301036-В
Рычаг
В узле: 1
Содержащиеся в справочниках-каталогах запасные части и детали не предлагаются к продаже, а носят исключительно информационный характер

Ваша заявка была отправлена. В ближайшее время наши специалисты с Вами свяжутся по указанному Вами телефону.

Представьтесь
Поле обязательно для заполнения
Ваш телефон
Введите правильный номер телефона
E-mail
Введите правильный e-mail
Тема
Тема
применяемость финансирование доставка цена, наличие другое сервис и гарантия
Время для звонка
08:00
08:00 09:00 10:00 11:00 12:00 13:00 14:00 15:00 16:00 17:00 18:00 19:00
19:00
08:00 09:00 10:00 11:00 12:00 13:00 14:00 15:00 16:00 17:00 18:00 19:00

Мы постараемся перезвонить в указанное время

Если вы не хотите ждать, то звоните нашим вежливым консультантам:

8 800 100-2-700
Подтвердите, что вы не робот
Подтвердите, что вы не робот
Спасибо!

Ваше сообщение успешно отправлено!

ЗакрытьПовторить попытку