Каталог запасных частей к технике: МТЗ БЕЛАРУС 3522.5. Кабина. Крылья задние

zoom-in zoom-out enlarge shrink circle-right circle-left file-text2 info cart arraw right arraw left zoom out zoom in arraw maximize arraw minimize
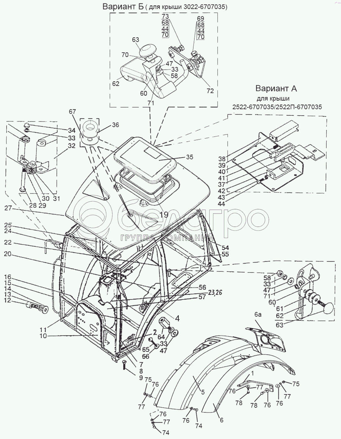
2522-6700010
1
2
4
5
5
6
6
7
8
8
9
10
10
10
11
12
13
14
15
16
20
22
22
23
24
25
25
26
27
27
27
28
29
30
31
32
33
33
33
33
34
35
35
35
36
37
38
39
40
41
42
43
44
44
44
47
47
47
54
55
56
56
57
58
58
60
60
61
62
62
2522-6708160-01
2522-6708160-01
63
63
64
65
66
67
68
68
69
70
70
70
71
71
72
73
74
74
75
75
76
76
76
76
76
76
77
77
77
77
78
78
63
2522-6708165
Винт
В узле: 3
2522-6708165 Винт МТЗ, Беларусь Под заказ 49.73 р.
34
2522-6708029
Гайка
В узле: 2
2522-6708029 Гайка Под заказ 292.87 р.
2522-6708029 Гайка МТЗ Под заказ 292.87 р.
8
2522-6702001
Прижим левый
В узле: 1
2522-6702001 Прижим МТЗ Под заказ 305.54 р.
11
2522-6702001-01
Прижим
В узле: 1
2522-6702001-01 Прижим МТЗ Под заказ 305.54 р.
16
2522-6702466
Прижим
В узле: 1
2522-6702466 Прижим МТЗ Под заказ 543.25 р.
30
2522-8201204
Валик
В узле: 2
2522-8201204 Валик МТЗ Под заказ 1 145.75 р.
29
2522-8201205
Кронштейн
В узле: 2
2522-8201205 Кронштейн МТЗ Под заказ 4 859.18 р.
32
2522-8201210
Кронштейн
В узле: 2
2522-8201210 Кронштейн МТЗ Под заказ 1 106.08 р.
31
2522-8201211
Фиксатор
В узле: 2
2522-8201211 Фиксатор МТЗ Под заказ 244.27 р.
28
2522-8201219
Винт
В узле: 2
2522-8201219 Винт МТЗ Под заказ 273.59 р.
24
2522-8201200
Кронштейн
В узле: 2
2522-8201200 Кронштейн Под заказ 8 348.03 р.
14
Шайба 10
Шайба 10
В узле: 4
Шайба 10 ОТ (ОСТ 37.001.115-75) (916 011), МТЗ Под заказ 3.47 р.
2522-6700010
Кабина в сборе
В узле: 1
1
3522-8404051
Кронштейн
В узле: 2
2
2522-6702333-А
Коврик
В узле: 1
3
2522-6700015
Каркас
В узле: 1
4
2522-6702330
Накладка
В узле: 1
5
3522-8404015
Крыло
В узле: 1
5
3522-8404015-01
Крыло
В узле: 1
6
3522-8404011
Уширитель
В узле: 1
6
3522-8404011-01
Уширитель
В узле: 1
3522-8404017
Накладка
В узле: 1
3522-8404017-01
Накладка
В узле: 1
7
3522-6703115-01
Поручень
В узле: 1
9
Винт ВМ6-6дх16.58.019
Винт
В узле: 4
10
2522-6703031-Б
Прокладка
В узле: 1
10
2522-6703032-Б
Прокладка
В узле: 1
10
2522-6703033-Б
Прокладка
В узле: 1
12
Винт ВМ10-6дх35.88
Винт
В узле: 4
13
Шайба С10.01.019
Шайба
В узле: 4
15
3522-6703115
Поручень
В узле: 1
20
2522-6702319-А
Коврик
В узле: 1
22
Л2522-6701070-Б
Накладка
В узле: 1
22
2522П-6701070
Накладка
В узле: 1
23
2522-6702478
Прокладка
В узле: 1
25
2523-6701076-Б
Накладка
В узле: 1
25
2523А-6701076-Б
Накладка
В узле: 1
26
2522-6702479
Пластина
В узле: 1
27
2522-6707035
Крыша
В узле: 1
27
2522П-6707035
Крыша
В узле: 1
27
3022-6707035
Крыша
В узле: 1
77
Шайба 8Т
Шайба 8Т
В узле: 54
35
2522-6707040
Люк
В узле: 1
35
522П-6707040
Люк
В узле: 1
35
3022-6707040
Люк
В узле: 1
36
2522-6707033
Рым-болт
В узле: 3
37
822-6707051-Б
Кронштейн
В узле: 1
38
822-6707064
Панель
В узле: 1
39
822-6707066
Крышка
В узле: 1
40
55-17-27
Пружина
В узле: 1
41
822-6707061
Зацеп
В узле: 1
42
822-6707067
Кронштейн
В узле: 1
43
Винт В.М6-6дх10.58.019
Винт
В узле: 1
44
Шайба С6.01.019
Шайба С6.01.019
В узле: 4
47
Шайба С8.01.019
Шайба С 8.01.019
В узле: 5
54
21054
Пневмоподъемник
В узле: 3
55
Л2522-6702320-01
Накладка
В узле: 1
56
Л2522-6702335-01
Панель
В узле: 1
56
2522П-6702335-01
Панель
В узле: 1
57
2522-6700300-А
Облицовка
В узле: 1
75
Гайка М8-6Н.6.019
Гайка М8-6Н.6.019
В узле: 32
60
822-6708152
Кронштейн
В узле: 3
61
80-6708904-Б
Прокладка
В узле: 6
62
2522-6708160
Рукоятка левая
В узле: 1
2522-6708160-01
Рукоятка правая
В узле: 2
64
2522-6708032
Втулка
В узле: 2
65
Винт ВМ6-6дх20.58.019
Винт
В узле: 4
66
2522-6700018
Шайба
В узле: 4
67
2522-6707081
Шайба
В узле: 3
68
Шайба 6Т
Шайба 6Т
В узле: 3
69
Болт М6-6дх30.88.35.019
Болт
В узле: 1
70
923-6707086
Прокладка
В узле: 4
71
Шайба 5.65Г.07.6
Шайба
В узле: 3
72
3022-6707055
Кронштейн
В узле: 1
73
Болт М6-6дх20.88.35.019
Болт
В узле: 2
74
Болт М8-6дх35.88.35.019
Болт
В узле: 54
76
Шайба С 8.01.019
Шайба
В узле: 86
78
Болт М8-6дх40.88.35.019
Болт
В узле: 6
Содержащиеся в справочниках-каталогах запасные части и детали не предлагаются к продаже, а носят исключительно информационный характер

Ваша заявка была отправлена. В ближайшее время наши специалисты с Вами свяжутся по указанному Вами телефону.

Представьтесь
Поле обязательно для заполнения
Ваш телефон
Введите правильный номер телефона
E-mail
Введите правильный e-mail
Тема
Тема
применяемость финансирование доставка цена, наличие другое сервис и гарантия
Время для звонка
08:00
08:00 09:00 10:00 11:00 12:00 13:00 14:00 15:00 16:00 17:00 18:00 19:00
19:00
08:00 09:00 10:00 11:00 12:00 13:00 14:00 15:00 16:00 17:00 18:00 19:00

Мы постараемся перезвонить в указанное время

Если вы не хотите ждать, то звоните нашим вежливым консультантам:

8 800 100-2-700
Подтвердите, что вы не робот
Подтвердите, что вы не робот
Спасибо!

Ваше сообщение успешно отправлено!

ЗакрытьПовторить попытку