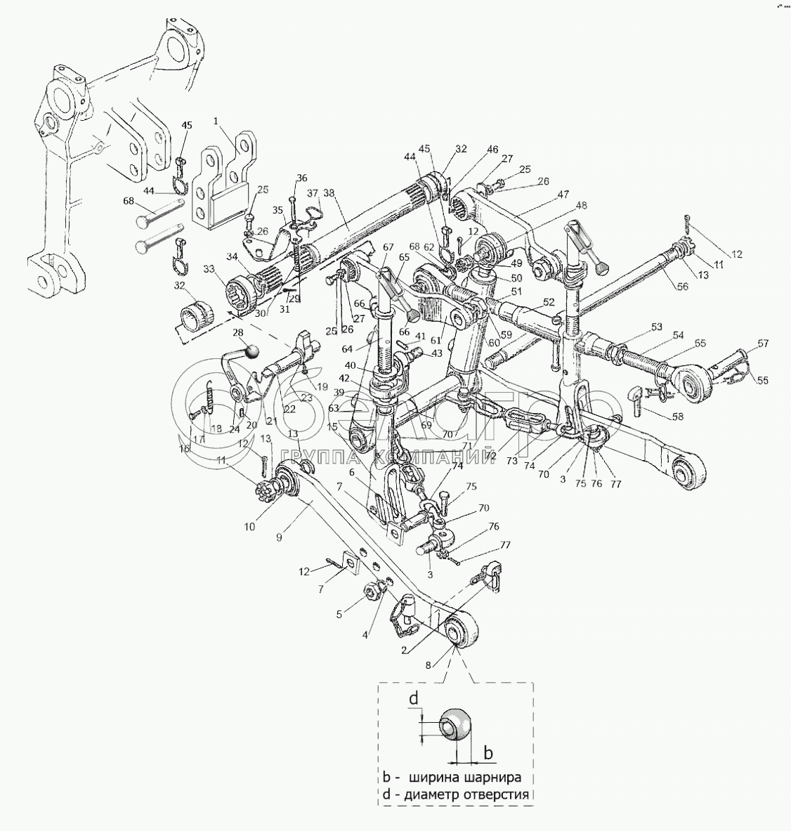
Каталог запасных частей к технике: МТЗ Беларус-422.1. Механизм передней навески

zoom-in zoom-out enlarge shrink circle-right circle-left file-text2 info cart arraw right arraw left zoom out zoom in arraw maximize arraw minimize
1
2
3
3
4
5
6
7
7
8
8
9
10
11
11
12
12
12
12
13
13
13
15
16
17
18
19
20
21
22
23
24
25
25
25
26
26
26
27
27
28
29
30
31
32
32
33
34
35
36
37
38
39
40
41
42
43
44
44
45
45
46
47
48
49
50
51
52
53
54
54
55
55
56
57
57
58
59
60
61
62
63
64
65
66
66
67
68
68
69
70
70
70
71
72
73
74
74
75
75
76
76
77
77
20
70-4202431
Штифт
В узле: 1
70-4202431 штифт 4х30 (РБ) Под заказ 68.94 р.
66
А61.01.014
Рукоятка
В узле: 2
А61.01.014 Рукоятка МТЗ, Беларусь Под заказ 51.63 р.
220-4605100
Стяжка
В узле: 2
220-4605100 Стяжка МТЗ навески трактора, ВЗТЗЧ <10 шт. 1 561.98 р.
57
А61.03.001-02
Палец
В узле: 1
А61.03.001-02 Палец верхней тяги РК <10 шт. Нет на складе
28
36-1310139
Шарик
В узле: 1
36-1310139 Шарик рукоятки МТЗ, Беларусь <10 шт. 88.07 р.
8
А61.06.001-01
Шарнир
В узле: 2
А61.06.001-01 Шарнир тяги МТЗ (яблоко) <10 шт. 568.34 р.
3
220-4605092
Проушина
В узле: 2
220-4605092 Проушина РБ <10 шт. 955.87 р.
70
220-4605103
Серьга
В узле: 4
220-4605103 Серьга МТЗ, БЗТДиА <10 шт. 211.99 р.
320-4605040
Тяга
В узле: 1
320-4605040 Тяга МТЗ центральная (верхняя) задней навески в сборе, БЗТДиА Под заказ 10 883.02 р.
33
220-4605013
Упор
В узле: 1
220-4605013 Упор МТЗ, БЗТДиА Под заказ 1 063.16 р.
48
082-4605122
Палец
В узле: 2
082-4605122 Палец Под заказ 342.54 р.
220-4605020
Раскос
В узле: 2
220-4606020-А/-01/
Навеска передняя
В узле: 1
220-4606090-01
Тяга
В узле: 2
320-4605040-01
Тяга
В узле: 1
220-4606090
Тяга
В узле: 2
1
220-4606045-А
Кронштейн
В узле: 1
2
A61.05.100-03
Чека
В узле: 2
60
16.ОТ
Шайба
В узле: 2
5
М16-6H.04.019
Гайка
В узле: 2
6
220-4605094
Болт
В узле: 2
7
220-4605096
Шайба
В узле: 4
8
70-4605411
Шарнир
В узле: 2
9
220-4606091
Тяга
В узле: 2
10
50-4605051
Шарнир
В узле: 2
11
М20х1,5-6Н.6.019
Гайка
В узле: 2
12
4х36.019
Шплинт
В узле: 6
13
082-4605016
Втулка
В узле: 4
15
220-4605060
Вилка
В узле: 2
16
М8-6gх16.88.35.019
Болт
В узле: 1
17
Шайба
В узле: 1
18
Ш33-016
Пружина
В узле: 1
19
М6-6gх14.88.35.019
Болт ГОСТ 7798-70
В узле: 1
21
220-4605130
Кронштейн
В узле: 1
22
220-4605026
Ось
В узле: 1
23
220-4605017
Рычаг
В узле: 1
24
220-4605140
Рукоятка
В узле: 1
25
М10-6gх18.88.35.019
Болт
В узле: 4
26
10.ОТ
Шайба
В узле: 4
27
082-4605019
Шайба
В узле: 2
29
320-4605152
Пружина
В узле: 1
30
С8.01.019
Шайба
В узле: 1
31
3,2х18.019
Шплинт
В узле: 1
32
082-4605018
Втулка
В узле: 2
34
С42
Кольцо
В узле: 1
35
320-4605160
Кронштейн
В узле: 1
36
320-4605153
Палец
В узле: 1
37
320-4605151
Защелка
В узле: 1
38
220-4605012
Вал
В узле: 1
39
220-4605097
Шайба
В узле: 2
40
220-4605023
Вкладыш
В узле: 2
41
2.6х35
Штифт
В узле: 2
42
220-4605021
Серьга
В узле: 2
43
220-4605024
Болт
В узле: 2
44
A61.05.004
Кольцо
В узле: 3
45
A61.05.005
Чека
В узле: 3
46
1.3.Ц9.хр
Масленка
В узле: 2
47
220-4605011
Рычаг
В узле: 1
49
082-4605017
Втулка
В узле: 2
59
М16-6Н.6.019
Гайка
В узле: 2
51
320-4605050-01
Винт
В узле: 1
52
320-4605070
Труба
В узле: 1
53
320-4605044
Контргайка
В узле: 1
54
320-4605050
Винт с отверстием в шарнире d.19,3мм
В узле: 1
54
320-4605050-02
Винт с отверстием в шарнире d.22,5мм
В узле: 1
55
A61.03.002
Кольцо
В узле: 2
56
220-4605014
Ось
В узле: 1
57
220-4605041
Палец d.19
В узле: 1
58
A61.05.100
Чека с цепочкой
В узле: 1
61
220-4605011-01
Рычаг
В узле: 1
62
220-4606049
Втулка
В узле: 2
63
63х40х120
Гидроцилиндр
В узле: 2
64
220-4605022
Вал
В узле: 2
65
082-4605080
Вилка
В узле: 2
67
А61.01.016-Б
Ось
В узле: 2
68
220-4606036
Палец
В узле: 3
69
220-4605030
Кронштейн
В узле: 2
71
220-4605101
Винт
В узле: 2
72
220-4605102
Стяжка
В узле: 2
73
М14-6Н.04.019
Гайка
В узле: 2
74
220-4605101-01
Винт
В узле: 2
75
2М10-6gх45.88.35.019
Болт
В узле: 4
76
М10-6Н.6.019
Гайка
В узле: 4
77
2х20.019
Шплинт
В узле: 4
Содержащиеся в справочниках-каталогах запасные части и детали не предлагаются к продаже, а носят исключительно информационный характер

Ваша заявка была отправлена. В ближайшее время наши специалисты с Вами свяжутся по указанному Вами телефону.

Представьтесь
Поле обязательно для заполнения
Ваш телефон
Введите правильный номер телефона
E-mail
Введите правильный e-mail
Тема
Тема
применяемость финансирование доставка цена, наличие другое сервис и гарантия
Время для звонка
08:00
08:00 09:00 10:00 11:00 12:00 13:00 14:00 15:00 16:00 17:00 18:00 19:00
19:00
08:00 09:00 10:00 11:00 12:00 13:00 14:00 15:00 16:00 17:00 18:00 19:00

Мы постараемся перезвонить в указанное время

Если вы не хотите ждать, то звоните нашим вежливым консультантам:

8 800 100-2-700
Подтвердите, что вы не робот
Подтвердите, что вы не робот
Спасибо!

Ваше сообщение успешно отправлено!

ЗакрытьПовторить попытку