Каталог запасных частей к технике: МТЗ Беларус-422.1. Установка двигателя

zoom-in zoom-out enlarge shrink circle-right circle-left file-text2 info cart arraw right arraw left zoom out zoom in arraw maximize arraw minimize
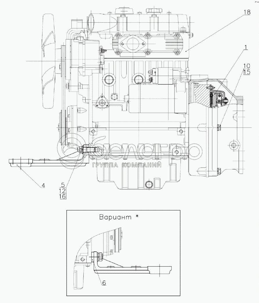
1
4
5
6
10
12
15
16
422-1001001-03
Установка двигателя
В узле: 1
1
422.1-1005009
Установка сцепления
В узле: 1
4
622-1301011
Опора
В узле: 1
5
320-1001002
Болт
В узле: 2
6
320-1001003
Втулка
В узле: 1
10
М10-6gх35.88.35.019
Болт
В узле: 6
12
С16.01.019
Шайба
В узле: 2
15
10.ОТ
Шайба
В узле: 6
16
16.ОТ
Шайба
В узле: 2
Содержащиеся в справочниках-каталогах запасные части и детали не предлагаются к продаже, а носят исключительно информационный характер

Ваша заявка была отправлена. В ближайшее время наши специалисты с Вами свяжутся по указанному Вами телефону.

Представьтесь
Поле обязательно для заполнения
Ваш телефон
Введите правильный номер телефона
E-mail
Введите правильный e-mail
Тема
Тема
применяемость финансирование доставка цена, наличие другое сервис и гарантия
Время для звонка
08:00
08:00 09:00 10:00 11:00 12:00 13:00 14:00 15:00 16:00 17:00 18:00 19:00
19:00
08:00 09:00 10:00 11:00 12:00 13:00 14:00 15:00 16:00 17:00 18:00 19:00

Мы постараемся перезвонить в указанное время

Если вы не хотите ждать, то звоните нашим вежливым консультантам:

8 800 100-2-700
Подтвердите, что вы не робот
Подтвердите, что вы не робот
Спасибо!

Ваше сообщение успешно отправлено!

ЗакрытьПовторить попытку