Каталог запасных частей к технике: МТЗ БЕЛАРУС 923.7. Бак 923.7С-1101000

zoom-in zoom-out enlarge shrink circle-right circle-left file-text2 info cart arraw right arraw left zoom out zoom in arraw maximize arraw minimize
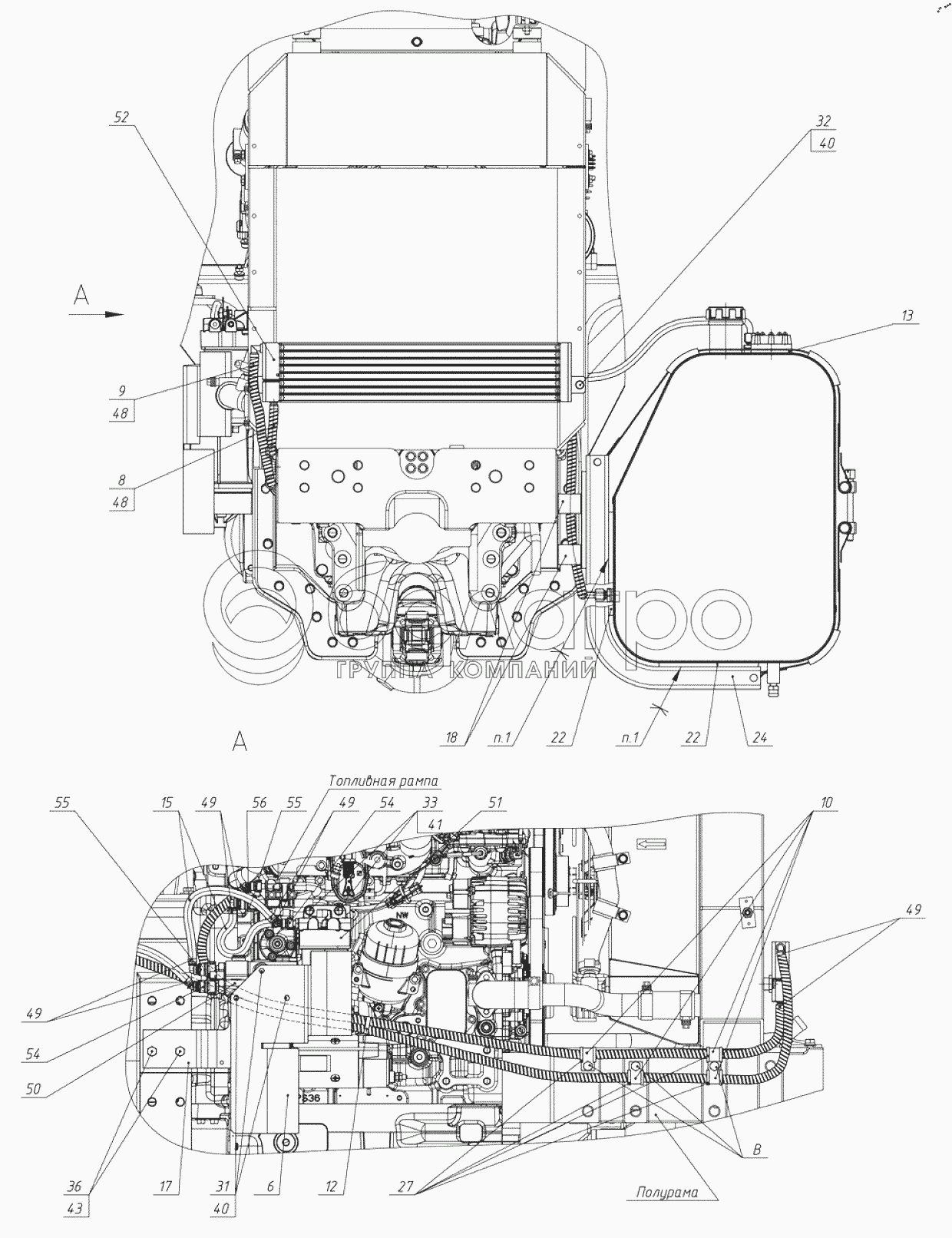
6
8
9
10
12
13
15
17
18
22
22
24
27
31
32
33
36
40
40
41
43
48
48
49
49
49
49
50
51
52
54
54
55
55
56
28
ПР-43-02
Прокладка
В узле: 6
ПР-43-02 Уплотнитель, Беларусь >10 шт. 169.15 р.
1
80-1103010
Пробка
В узле: 1
80-1103010 Пробка (пласт. бак) Под заказ 492.05 р.
4
1522-1101140
Лента
В узле: 2
1522-1101140 Лента МТЗ бака топливного (хомут) Под заказ 1 876.67 р.
923.7С-1101000
Установка топливного бака
В узле: ---
2
923-1101140
Лента
В узле: 2
3
923А-1101210
Бак
В узле: 1
6
923С.7-1101130
Кожух
В узле: 1
7
923.7С-1101133
Пластина
В узле: 1
8
923.7С-1101162
Трубка
В узле: 1
9
923.7С-1101162-01
Трубка
В узле: 1
10
70-1405112
Хомутик
В узле: 4
11
80-1101067
Шайба
В узле: 5
12
80-3723045-01
Манжета
В узле: 3
13
200-3806026
Прокладка
В узле: 1
14
920-1101162-08
Трубка
В узле: 1
15
920-1101162-15
Трубка
В узле: 2
16
923-3723012
Хомутик
В узле: 2
17
923.7-1101116
Кронштейн
В узле: 1
18
923.7-1101119
Втулка
В узле: 2
19
1221-1101641-01
Штуцер ввертный
В узле: 2
20
1221-1101651
Ниппель
В узле: 2
21
1522-1101005
Болт
В узле: 2
22
1522-1101118
Прокладка
В узле: 4
23
1522-1101125
Палец
В узле: 4
24
1522-1101136-02
Труба
В узле: 2
25
Д80-4607212
Гайка
В узле: 2
26
ПК 1/8"
Пробка
В узле: 1
27
ПР-36-04
Уплотнитель
В узле: 4
29
ППР-50-02
Профиль
В узле: 2
30
Р90-4607021
Втулка
В узле: 2
31
Болт М8-6gх16.88.35.019
Болт М8-6gх16.88.35.019
В узле: 6
32
Болт М8-6gх30.88.35.019
Болт
В узле: 2
33
Болт М10-6gх16.88.35.019
Болт
В узле: 2
35
Болт М16-6gх35.88.35.019
Болт
В узле: 4
36
Болт М16-6gх45.88.35.019
Болт
В узле: 4
37
Болт М16-6gх75.88.35.019
Болт
В узле: 2
38
Винт В.М5-6gх35.58.019
Винт В.М5-6gх35.58.019
В узле: 5
39
Гайка М16-6Н.6.019
Гайка
В узле: 4
40
Шайба 8Т
Шайба 8Т
В узле: 8
41
Шайба 10 ОТ
Шайба
В узле: 2
43
Шайба 16 ОТ
Шайба
В узле: 10
44
Шплинт 3,2х18.019
Шплинт
В узле: 4
45
3853.150
Датчик
В узле: 1
46
4600.18
Шайба РМ14
В узле: 2
48
4600.81
Спираль защитная
В узле: 3
49
5000.01
Хомут
В узле: 8
50
517725
Фильтр грубой очистки топлива
В узле: 1
51
517726
Фильтр тонкой очистки топлива
В узле: 1
52
1101.310
Радиатор охлаждения топлива
В узле: 1
53
1117.03
Фитинг
В узле: 1
54
1117.04
Фитинг
В узле: 2
55
1117.05
Фитинг
В узле: 2
56
1117.06
Фитинг
В узле: 1
Содержащиеся в справочниках-каталогах запасные части и детали не предлагаются к продаже, а носят исключительно информационный характер

Ваша заявка была отправлена. В ближайшее время наши специалисты с Вами свяжутся по указанному Вами телефону.

Представьтесь
Поле обязательно для заполнения
Ваш телефон
Введите правильный номер телефона
E-mail
Введите правильный e-mail
Тема
Тема
применяемость финансирование доставка цена, наличие другое сервис и гарантия
Время для звонка
08:00
08:00 09:00 10:00 11:00 12:00 13:00 14:00 15:00 16:00 17:00 18:00 19:00
19:00
08:00 09:00 10:00 11:00 12:00 13:00 14:00 15:00 16:00 17:00 18:00 19:00

Мы постараемся перезвонить в указанное время

Если вы не хотите ждать, то звоните нашим вежливым консультантам:

8 800 100-2-700
Подтвердите, что вы не робот
Подтвердите, что вы не робот
Спасибо!

Ваше сообщение успешно отправлено!

ЗакрытьПовторить попытку