Каталог запасных частей к технике: МТЗ БЕЛАРУС 952.7. Гидроагрегаты и арматура

zoom-in zoom-out enlarge shrink circle-right circle-left file-text2 info cart arraw right arraw left zoom out zoom in arraw maximize arraw minimize
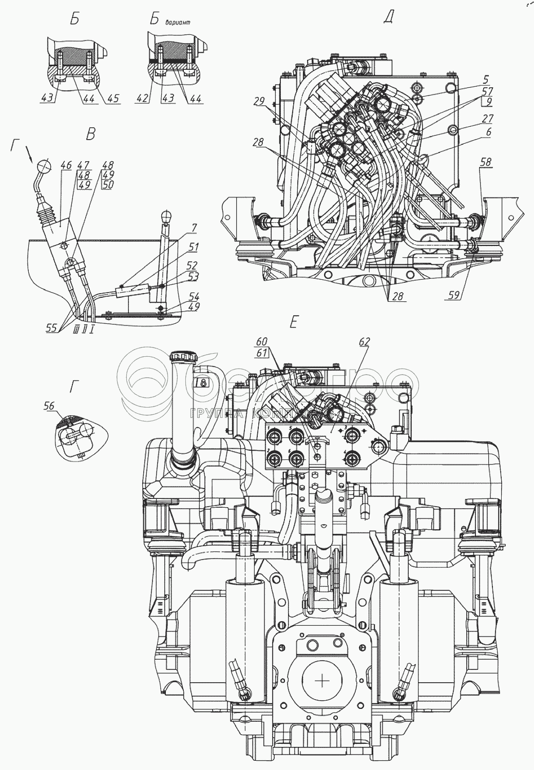
5
6
7
9
27
28
28
28
28
28
28
29
42
43
43
44
44
45
46
47
48
48
49
49
49
50
51
52
53
54
55
56
57
58
59
60
61
62
62
62
45
70-4607168
Пластина
В узле: 2
70-4607168 Пластина МТЗ корпуса гидросистемы Под заказ 40.71 р.
30
П80-4607012
Шланг
В узле: 1
П80-4607012 Шланг гидросистемы МТЗ <10 шт. 3 576.13 р.
42
70-4608072
Пластина
В узле: 1
70-4608072 Пластина МТЗ гидросистемы Под заказ 938.51 р.
15
85-4607034
Штуцер
В узле: 1
85-4607034 Штуцер МТЗ Под заказ 595.04 р.
1200РД-4600010-02
Гидросистема
В узле: ---
Гидроагрегаты и арматура
Гидроагрегаты и арматура
В узле: ---
1200Р-4607580-01
Кронштейн
В узле: 1
80-4607455
Болт
В узле: 1
1200Р-4607580
Кронштейн
В узле: 1
1
1200РД-4600015-01
Корпус гидросистемы
В узле: 1
2
1200Р-4607017
Кронштейн
В узле: 2
3
Болт М12-6gх30.88.35.019
Болт
В узле: 1
4
Шайба 12 ОТ
Шайба
В узле: 1
5
4600.613
Рукав высокого давления
В узле: 1
6
4600.626
Рукав высокого давления
В узле: 1
7
Болт М6-6gх14.88.35.019
Болт
В узле: 3
8
Гайка М6-6Н.6.019
Гайка М6-6Н.6.019
В узле: 2
9
Шайба 6 Т
Шайба
В узле: 8
10
C90-4607107-Б
Пластина
В узле: 1
11
К1221-4607011-04
Шланг
В узле: 1
12
5000.02
Хомут с червячной резьбой 16-27
В узле: 2
13
1200Р-4607550
Труба
В узле: 1
14
Кольцо 027-032-30-1-4
Кольцо
В узле: 1
16
Р1221-4607070
Штуцер
В узле: 1
17
5000.04
Хомут
В узле: 2
18
4600.22
Шайба РМ24
В узле: 2
19
820-4635160
Клапан
В узле: 1
24
80-3723045-01
Манжета
В узле: 2
25
ППР-50-03
Профиль
В узле: 1
26
Р1221-4607013-01
Хомут
В узле: 1
27
4600.161
Рукав высокого давления
В узле: 1
28
4600.603
Рукав высокого давления
В узле: 4
29
4600.612
Рукав высокого давления
В узле: 2
35
Кольцо
Кольцо стопорное
В узле: 8
36
С80-4607380
Труба
В узле: 1
37
80-4607439
Болт
В узле: 1
38
9901.04
Пробка коническая
В узле: 1
39
4600.21
Шайба РМ22
В узле: 2
40
4600.091
Муфта с красным клипсом
В узле: 1
41
4600.092
Муфта с красным клипсом
В узле: 1
43
Болт М14х1,5-6gх45.88.35.019
Болт
В узле: 4
44
50-4608049
Прокладка
В узле: 1
46
РУ-1 ТАИС.303654.001-01
Джойстик
В узле: 1
47
952-4607011-А
Болт
В узле: 1
48
Гайка М8-6Н.6.019
Гайка М8-6Н.6.019
В узле: 2
49
Шайба 8Т
Шайба 8Т
В узле: 6
50
Болт М8-6gх40.88.35.019
Болт
В узле: 1
51
С90-4607100-01
Управление
В узле: 1
52
Шайба С 6.01.019
Шайба
В узле: 1
53
Шплинт 2,5х16.019
Шплинт
В узле: 1
54
Болт М8-6gх20.88.35.019
Болт
В узле: 4
55
4600.361
Трос
В узле: 3
56
923-8400142-01
Втулка
В узле: 2
57
Болт М6-6gх20.58.35.019
Болт
В узле: 6
58
4600.094
Муфта с зеленым клипсом
В узле: 1
59
4600.093
Муфта с зеленым клипсом
В узле: 1
60
Болт М10-6gх20.88.35.019
Болт М10-6gх20.88.35.019
В узле: 2
61
Шайба 10 ОТ
Шайба
В узле: 2
62
1200Р-4607570
Кронштейн
В узле: 1
62
1200Р-4607570-01
Кронштейн
В узле: 1
62
4600.15
Штекер
В узле: 6
Содержащиеся в справочниках-каталогах запасные части и детали не предлагаются к продаже, а носят исключительно информационный характер

Ваша заявка была отправлена. В ближайшее время наши специалисты с Вами свяжутся по указанному Вами телефону.

Представьтесь
Поле обязательно для заполнения
Ваш телефон
Введите правильный номер телефона
E-mail
Введите правильный e-mail
Тема
Тема
применяемость финансирование доставка цена, наличие другое сервис и гарантия
Время для звонка
08:00
08:00 09:00 10:00 11:00 12:00 13:00 14:00 15:00 16:00 17:00 18:00 19:00
19:00
08:00 09:00 10:00 11:00 12:00 13:00 14:00 15:00 16:00 17:00 18:00 19:00

Мы постараемся перезвонить в указанное время

Если вы не хотите ждать, то звоните нашим вежливым консультантам:

8 800 100-2-700
Подтвердите, что вы не робот
Подтвердите, что вы не робот
Спасибо!

Ваше сообщение успешно отправлено!

ЗакрытьПовторить попытку