Каталог запасных частей к технике: МТЗ БЕЛАРУС 952.7. Установка Конденсатора 1025-8112010

zoom-in zoom-out enlarge shrink circle-right circle-left file-text2 info cart arraw right arraw left zoom out zoom in arraw maximize arraw minimize
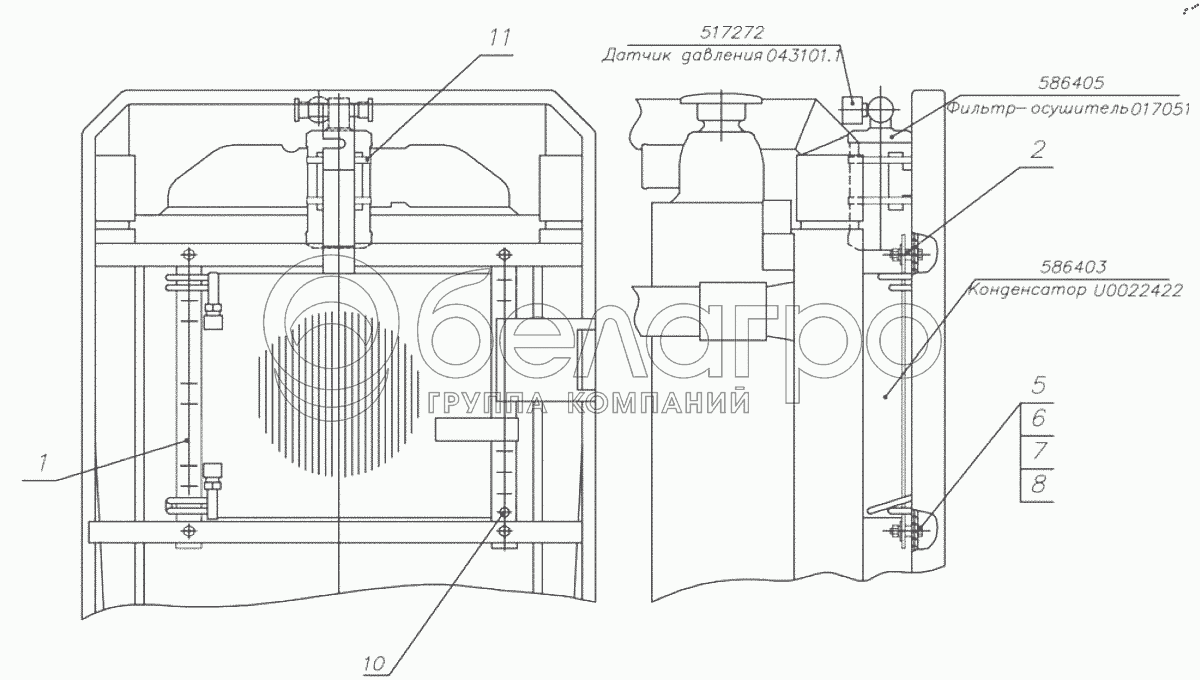
1
2
5
6
7
8
10
11
1025-8112010
Установка конденсатора
В узле: ---
1
1025-8112021-Б-01
Пластина
В узле: 1
2
923-8400142-01
Втулка
В узле: 2
5
Болт М8-6gх25.88.35.019
Болт
В узле: 2
6
Гайка М6-6Н.6.019
Гайка М6-6Н.6.019
В узле: 2
7
Шайба С.8.01.019
Шайба
В узле: 2
8
Шайба 8Т
Шайба 8Т
В узле: 2
10
Заклепка 3,2х10
Заклепка
В узле: 12
11
5000.08
Хомут с червячной резьбой 70-90
В узле: 6
Содержащиеся в справочниках-каталогах запасные части и детали не предлагаются к продаже, а носят исключительно информационный характер

Ваша заявка была отправлена. В ближайшее время наши специалисты с Вами свяжутся по указанному Вами телефону.

Представьтесь
Поле обязательно для заполнения
Ваш телефон
Введите правильный номер телефона
E-mail
Введите правильный e-mail
Тема
Тема
применяемость финансирование доставка цена, наличие другое сервис и гарантия
Время для звонка
08:00
08:00 09:00 10:00 11:00 12:00 13:00 14:00 15:00 16:00 17:00 18:00 19:00
19:00
08:00 09:00 10:00 11:00 12:00 13:00 14:00 15:00 16:00 17:00 18:00 19:00

Мы постараемся перезвонить в указанное время

Если вы не хотите ждать, то звоните нашим вежливым консультантам:

8 800 100-2-700
Подтвердите, что вы не робот
Подтвердите, что вы не робот
Спасибо!

Ваше сообщение успешно отправлено!

ЗакрытьПовторить попытку