Каталог запасных частей к технике: МТЗ-082. Гидросистема 082-4600

zoom-in zoom-out enlarge shrink circle-right circle-left file-text2 info cart arraw right arraw left zoom out zoom in arraw maximize arraw minimize
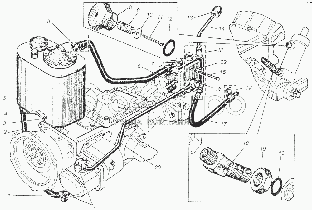
1
2
3
4
5
6
7
8
9
10
11
12
12
13
14
15
16
17
18
19
20
22
19
40-3405062
Гайка
В узле: 1
40-3405062 Гайка МТЗ, САЗ >10 шт. 65.90 р.
13
А13.11.000
Рукоятка
В узле: 1
А13.11.000 Рукоятка МТЗ управления подачей топлива Под заказ 49.44 р.
Н.036.77.000
Сапун (8-11)
В узле: ---
082-4607090
Труба (7, 26-31)
В узле: ---
082-4607010
Рычаг (14, 35, 36)
В узле: ---
1
ХС-21
Хомут
В узле: 2
2
082-4607113
Шланг
В узле: 1
3
Шайба
В узле: 9
4
М6-6gх30.88.35.019
Болт ГОСТ 7796-70
В узле: 3
5
082-4608110
Бак
В узле: 1
6
Р12.31.10.000
Гидрораспределитель Р12.3.10.5
В узле: 1
7
082-4607050
Труба
В узле: 1
8
Н.036.77.002
Корпус
В узле: 1
9
10.6309
Нитки
В узле: ---
10
Н.036.75.001
Шайба
В узле: 1
11
3,2х28.016
Шплинт ГОСТ 397-79
В узле: 1
12
017-021-25
Кольцо ГОСТ 9833-73
В узле: 3
14
082-4607013
Рычаг
В узле: 1
15
М8-6gх80.35.019
Болт ГОСТ 7796-70
В узле: 2
16
082-4607040
Труба
В узле: 1
17
Н.036.83.100
Рукав высокого давления
В узле: 1
18
082-4607112-Б
Штуцер
В узле: 1
20
082-4607030
Труба
В узле: 1
22
Шайба
В узле: 3
Содержащиеся в справочниках-каталогах запасные части и детали не предлагаются к продаже, а носят исключительно информационный характер

Ваша заявка была отправлена. В ближайшее время наши специалисты с Вами свяжутся по указанному Вами телефону.

Представьтесь
Поле обязательно для заполнения
Ваш телефон
Введите правильный номер телефона
E-mail
Введите правильный e-mail
Тема
Тема
применяемость финансирование доставка цена, наличие другое сервис и гарантия
Время для звонка
08:00
08:00 09:00 10:00 11:00 12:00 13:00 14:00 15:00 16:00 17:00 18:00 19:00
19:00
08:00 09:00 10:00 11:00 12:00 13:00 14:00 15:00 16:00 17:00 18:00 19:00

Мы постараемся перезвонить в указанное время

Если вы не хотите ждать, то звоните нашим вежливым консультантам:

8 800 100-2-700
Подтвердите, что вы не робот
Подтвердите, что вы не робот
Спасибо!

Ваше сообщение успешно отправлено!

ЗакрытьПовторить попытку