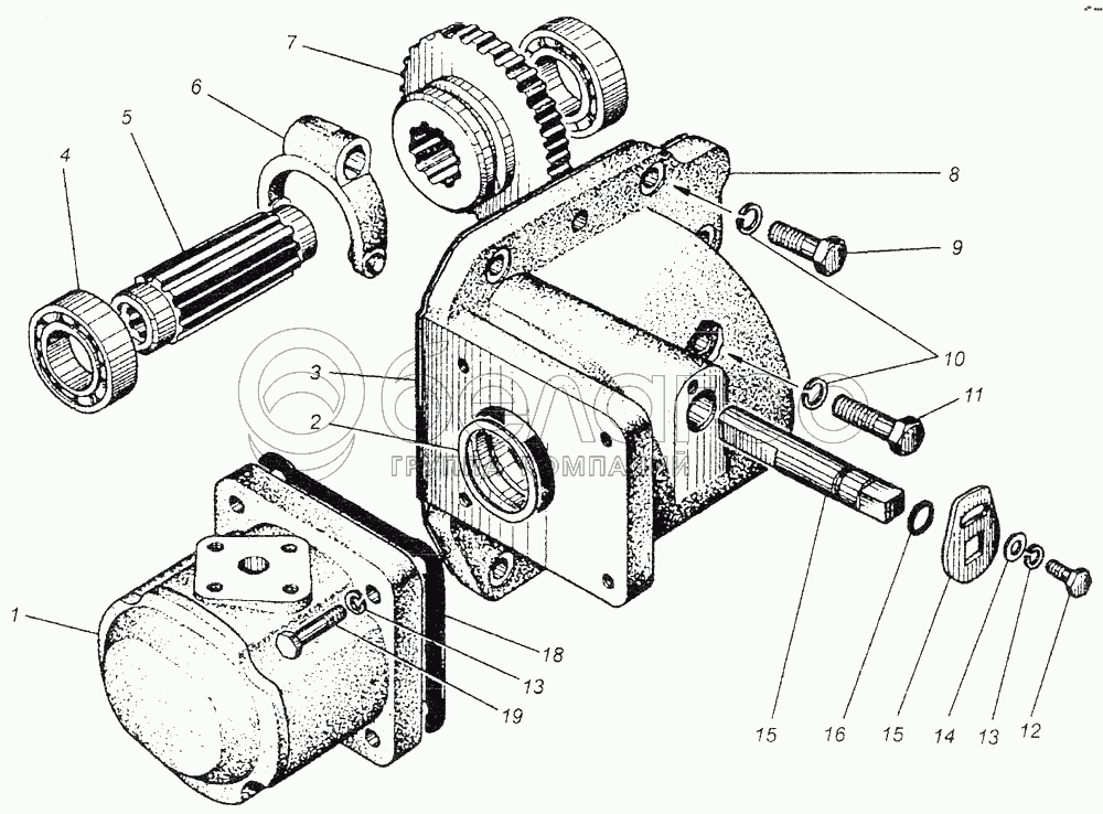
Каталог запасных частей к технике: МТЗ-082. Привод насоса 082-4604

zoom-in zoom-out enlarge shrink circle-right circle-left file-text2 info cart arraw right arraw left zoom out zoom in arraw maximize arraw minimize
1
2
3
4
5
6
7
8
9
10
11
12
13
13
14
15
16
17
18
19
1
НШ6-3-Л
Насос шестеренный
В узле: 1
2
082-4604017
Кольцо
В узле: 1
3
082-1701013
Прокладка
В узле: 1
4
6.1000805
Подшипник ГОСТ 8338-75
В узле: 2
5
082-4604013
Вал
В узле: 1
6
082-4604020
Вилка
В узле: 1
7
082-4604012
Шестерня
В узле: 1
8
082-4604011
Корпус
В узле: 1
9
М8-6gх25.88.35.019
Болт
В узле: 5
10
Шайба
В узле: 6
11
М8-6gх30.88.35.019
Болт
В узле: 1
12
М3-6gх16.88.35.019
Болт ГОСТ 7798-70
В узле: 1
13
Шайба
В узле: 5
14
6.01.019
Шайба ГОСТ 11371-78
В узле: 1
15
082-4604016
Пластина
В узле: 1
16
011-015-25
Кольцо ГОСТ 9833-73
В узле: 1
17
082-4604014
Ось
В узле: 1
18
082-4604022
Прокладка
В узле: 1
19
М6-6gх30.88.35.019
Болт ГОСТ 7796-70
В узле: 4
Содержащиеся в справочниках-каталогах запасные части и детали не предлагаются к продаже, а носят исключительно информационный характер

Ваша заявка была отправлена. В ближайшее время наши специалисты с Вами свяжутся по указанному Вами телефону.

Представьтесь
Поле обязательно для заполнения
Ваш телефон
Введите правильный номер телефона
E-mail
Введите правильный e-mail
Тема
Тема
применяемость финансирование доставка цена, наличие другое сервис и гарантия
Время для звонка
08:00
08:00 09:00 10:00 11:00 12:00 13:00 14:00 15:00 16:00 17:00 18:00 19:00
19:00
08:00 09:00 10:00 11:00 12:00 13:00 14:00 15:00 16:00 17:00 18:00 19:00

Мы постараемся перезвонить в указанное время

Если вы не хотите ждать, то звоните нашим вежливым консультантам:

8 800 100-2-700
Подтвердите, что вы не робот
Подтвердите, что вы не робот
Спасибо!

Ваше сообщение успешно отправлено!

ЗакрытьПовторить попытку