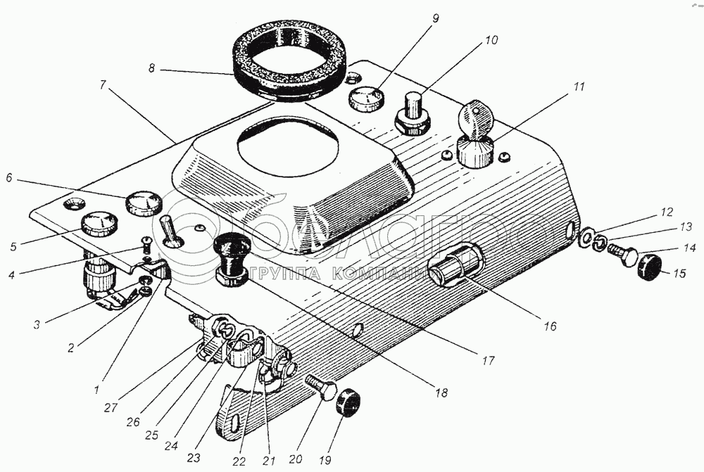
Каталог запасных частей к технике: МТЗ-082. Щиток приборов (вариант) 082-3805

zoom-in zoom-out enlarge shrink circle-right circle-left file-text2 info cart arraw right arraw left zoom out zoom in arraw maximize arraw minimize
1
2
3
4
5
6
7
8
9
10
11
12
13
14
15
16
17
18
19
20
21
22
23
24
25
26
27
19
А30.04.017-01
Колпачок
В узле: 2
А30.04.017-01 Колпачок МТЗ, Беларусь >10 шт. 4.61 р.
15
А30.04.017
Колпачок
В узле: 2
А30.04.017 Колпачок Под заказ 4.61 р.
1
5102.3709
Переключатель указателей поворота
В узле: 1
2
М4-6Н.6.019
Гайка
В узле: 2
3
Шайба ОСТ 37.001.115-75
В узле: 2
4
ВМ4-6gх8.58.019
Винт ГОСТ 17473-80
В узле: 2
5
ПД20-3803-М1
Фонарь контрольной лампы
В узле: 1
6
ПД20-3803-Д1
Фонарь контрольной лампы
В узле: 1
7
082-3805020-Б
Панель
В узле: 1
8
Н50-4607102
Втулка
В узле: 1
9
ПД20-3803-Б1
Фонарь контрольной лампы
В узле: 1
10
ВК322
Включатель
В узле: 1
11
371.3709
Переключатель центральный
В узле: 1
12
6.01.019
Шайба ГОСТ 11371-78
В узле: 2
13
Шайба
В узле: 2
14
М6-6gх20.88.35.019
Болт
В узле: 2
16
ПР119-01
Предохранитель
В узле: 1
17
70-3709012-А
Ручка переключателя
В узле: 1
18
М12х1,25.6Н.6.019
Гайка ГОСТ 5916-70
В узле: 1
20
М8-6gх20.88.35.019
Болт
В узле: 2
21
082-3724007
Провод
В узле: 1
22
РС410М
Прерыватель указателей поворота
В узле: 1
23
70-1115012-01
Хомутик
В узле: 1
24
8.01.019
Шайба специальная
В узле: 2
25
Шайба
В узле: 2
26
М8.6Н.6.019
Гайка ГОСТ 5915-70
В узле: 2
27
П305
Переключатель
В узле: 1
Содержащиеся в справочниках-каталогах запасные части и детали не предлагаются к продаже, а носят исключительно информационный характер

Ваша заявка была отправлена. В ближайшее время наши специалисты с Вами свяжутся по указанному Вами телефону.

Представьтесь
Поле обязательно для заполнения
Ваш телефон
Введите правильный номер телефона
E-mail
Введите правильный e-mail
Тема
Тема
применяемость финансирование доставка цена, наличие другое сервис и гарантия
Время для звонка
08:00
08:00 09:00 10:00 11:00 12:00 13:00 14:00 15:00 16:00 17:00 18:00 19:00
19:00
08:00 09:00 10:00 11:00 12:00 13:00 14:00 15:00 16:00 17:00 18:00 19:00

Мы постараемся перезвонить в указанное время

Если вы не хотите ждать, то звоните нашим вежливым консультантам:

8 800 100-2-700
Подтвердите, что вы не робот
Подтвердите, что вы не робот
Спасибо!

Ваше сообщение успешно отправлено!

ЗакрытьПовторить попытку