Каталог запасных частей к технике: МТЗ-082. Управление рулевое 082-3405

zoom-in zoom-out enlarge shrink circle-right circle-left file-text2 info cart arraw right arraw left zoom out zoom in arraw maximize arraw minimize
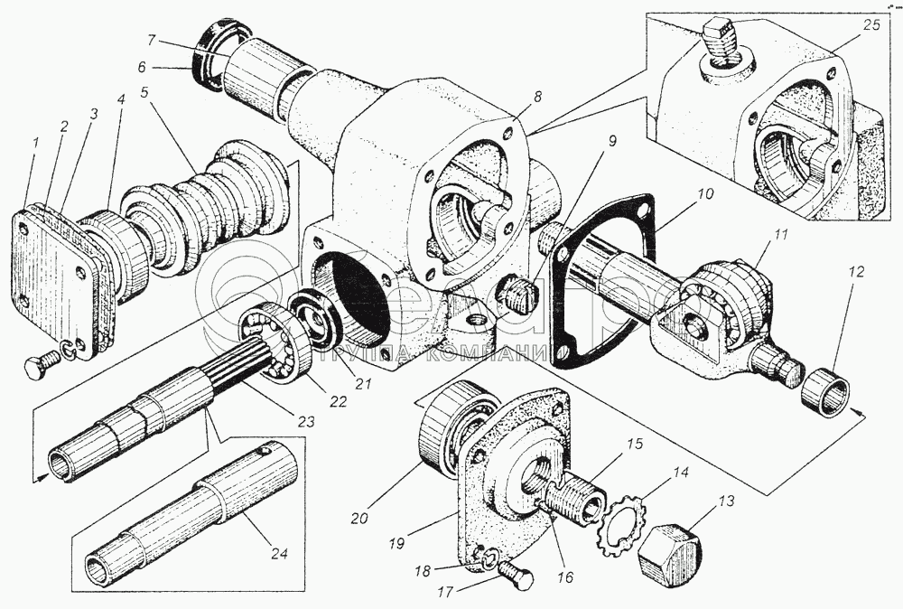
1
2
3
4
5
6
7
8
9
10
11
12
13
14
15
16
17
18
19
20
21
22
23
24
25
14
082-3405039
Шайба стопорная
В узле: 1
082-3405039 Шайба стопорная Под заказ 43.29 р.
082-3405040
Картер рулевого управления (7, 8)
В узле: ---
082-3405075
Крышка картера (11, 12, 15, 16, 19, 20)
В узле: ---
082-3405050
Вал червяка (5, 23)
В узле: ---
1
082-3405034
Крышка картера
В узле: 1
2
082-3405031
Прокладка
В узле: 1
3
082-3405031-01
Прокладка
В узле: 1
4
877907
Подшипник роликовый с сепаратором и нижним кольцом
В узле: 1
5
082-3405052
Червяк
В узле: 1
6
2,1-32х44
Манжета ГОСТ 8752-79
В узле: 1
7
082-3405042
Втулка
В узле: 1
8
082-3405041
Корпус
В узле: 1
9
КГ1/2"
Пробка
В узле: 1
10
052-3405045
Прокладка
В узле: 1
11
082-3405055
Вал сошки с подшипником
В узле: 1
12
082-3405062
Кольцо
В узле: 1
13
082-3405038
Гайка колпачковая
В узле: 1
15
082-3405077
Винт регулировочный
В узле: 1
16
8h8х10
Штифт ГОСТ 3128-70
В узле: 1
17
М8-6gх16.88.35.019
Болт
В узле: 8
18
Шайба
В узле: 8
19
082-3405076
Крышка картера
В узле: 1
20
922205К
Подшипник радиальный без внутреннего кольца
В узле: 1
21
2,1-23х35
Манжета ГОСТ 8752-79
В узле: 1
22
977907-К1
Подшипник роликовый с сепаратором и верхним кольцом
В узле: 1
23
082-3405051
Вал червяка
В узле: 1
24
082-3402051
Вал червяка
В узле: 1
25
082-3402041
Корпус
В узле: 1
Содержащиеся в справочниках-каталогах запасные части и детали не предлагаются к продаже, а носят исключительно информационный характер

Ваша заявка была отправлена. В ближайшее время наши специалисты с Вами свяжутся по указанному Вами телефону.

Представьтесь
Поле обязательно для заполнения
Ваш телефон
Введите правильный номер телефона
E-mail
Введите правильный e-mail
Тема
Тема
применяемость финансирование доставка цена, наличие другое сервис и гарантия
Время для звонка
08:00
08:00 09:00 10:00 11:00 12:00 13:00 14:00 15:00 16:00 17:00 18:00 19:00
19:00
08:00 09:00 10:00 11:00 12:00 13:00 14:00 15:00 16:00 17:00 18:00 19:00

Мы постараемся перезвонить в указанное время

Если вы не хотите ждать, то звоните нашим вежливым консультантам:

8 800 100-2-700
Подтвердите, что вы не робот
Подтвердите, что вы не робот
Спасибо!

Ваше сообщение успешно отправлено!

ЗакрытьПовторить попытку