Каталог запасных частей к технике: МТЗ-082. Устройство навесное 082-4605

zoom-in zoom-out enlarge shrink circle-right circle-left file-text2 info cart arraw right arraw left zoom out zoom in arraw maximize arraw minimize
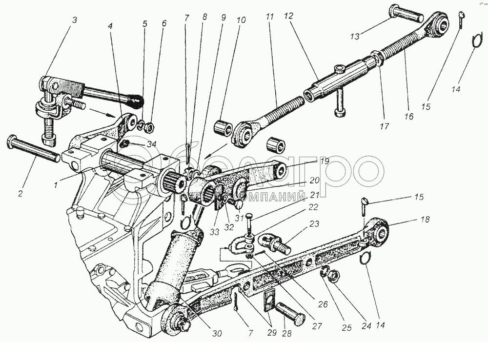
1
2
3
4
5
6
7
7
8
9
10
11
12
13
14
14
15
15
16
17
18
19
20
21
22
23
24
25
26
27
28
29
30
31
32
33
34
14
А61.05.004
Кольцо
В узле: 4
А61.05.004 Кольцо МТЗ оборудования навесного и прицепного >10 шт. 21.47 р.
15
082-4605042
Чека
В узле: 4
082-4605042 Чека <10 шт. 249.40 р.
082-4605100
Стяжка (41-43)
В узле: ---
082-4605100 СБ Стяжка <10 шт. 2 500.63 р.
20
082-4605122
Палец
В узле: 1
082-4605122 Палец Под заказ 341.84 р.
082-4605120
Рычаг (19-20)
В узле: ---
082-4605111
Поперечина (38-40)
В узле: ---
082-4605040
Тяга (11-17)
В узле: ---
1
082-4605012
Вал
В узле: 1
2
082-4605041-01
Палец
В узле: 1
3
082-4605020
Раскос
В узле: 2
4
082-4605011
Рычаг
В узле: 1
5
12ОТ
Шайба ОСТ 37.001.115-75
В узле: 2
6
М12-6Н.6.019
Гайка
В узле: 2
7
4,0х36.019
Шплинт ГОСТ 397-79
В узле: 5
8
М16.6Н.6.019
Гайка ГОСТ 5915-70
В узле: 3
9
082-4605017
Втулка
В узле: 3
10
082-4605053
Втулка
В узле: 2
11
082-4605050-01
Винт
В узле: 1
12
082-4605070
Труба
В узле: 1
13
082-4605041
Палец
В узле: 1
16
082-4605050
Винт
В узле: 1
17
М18.6Н.6.019
Гайка ГОСТ 5916-70
В узле: 1
18
082-4605090
Тяга
В узле: 2
19
082-4605121
Рычаг
В узле: 1
21
2М8-6gх45.88.35.019
Болт ГОСТ 7796-70
В узле: 4
22
082-4605103
Серьга
В узле: 4
23
082-4605092
Проушина
В узле: 2
24
М16-6Н.6.019
Гайка
В узле: 2
25
16ОТ
Шайба ОСТ 37.001.115-75
В узле: 2
26
2,0х20.019
Шплинт ГОСТ 397-79
В узле: 4
27
М8-6Н.6.019
Гайка
В узле: 4
28
082-4605094
Палец
В узле: 2
29
082-4605096
Шайба
В узле: 4
30
Ц40х70-11
Гидроцилиндр
В узле: 1
31
М10-6gх18.88.35.019
Болт
В узле: 2
32
10Т
Шайба ОСТ 37.001.115-75
В узле: 2
33
082-4605019
Шайба
В узле: 2
34
1.3.Ц6хр
Масленка ГОСТ 19853-74
В узле: 2
Содержащиеся в справочниках-каталогах запасные части и детали не предлагаются к продаже, а носят исключительно информационный характер

Ваша заявка была отправлена. В ближайшее время наши специалисты с Вами свяжутся по указанному Вами телефону.

Представьтесь
Поле обязательно для заполнения
Ваш телефон
Введите правильный номер телефона
E-mail
Введите правильный e-mail
Тема
Тема
применяемость финансирование доставка цена, наличие другое сервис и гарантия
Время для звонка
08:00
08:00 09:00 10:00 11:00 12:00 13:00 14:00 15:00 16:00 17:00 18:00 19:00
19:00
08:00 09:00 10:00 11:00 12:00 13:00 14:00 15:00 16:00 17:00 18:00 19:00

Мы постараемся перезвонить в указанное время

Если вы не хотите ждать, то звоните нашим вежливым консультантам:

8 800 100-2-700
Подтвердите, что вы не робот
Подтвердите, что вы не робот
Спасибо!

Ваше сообщение успешно отправлено!

ЗакрытьПовторить попытку