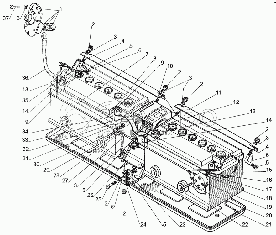
Каталог запасных частей к технике: МТЗ-1005. Аккумуляторная батарея

zoom-in zoom-out enlarge shrink circle-right circle-left file-text2 info cart arraw right arraw left zoom out zoom in arraw maximize arraw minimize
1
2
2
2
2
2
3
3
3
3
3
3
4
4
5
5
5
5
6
6
6
7
8
9
9
10
11
12
13
13
14
14
15
16
17
18
19
20
21
22
23
24
25
26
27
28
29
30
31
32
33
34
35
36
37
33
8632.2/7
Переключатель
В узле: 1
8632.2/7 Переключатель 12/24В SPILE Под заказ 1 827.71 р.
36
80-3724043-А
Провод
В узле: 1
80-3724043-А Жгут МТЗ провод-перемычка, L=700мм (клемма на стартер), Беларусь Под заказ 496.02 р.
М6х25
Винт
В узле: 2
1
ТO.020
Выключатель массы
В узле: 1
32
М5
Гайка
В узле: 1
3
ШП6
Шайба
В узле: 15
4
70-3703021-Б
Шпилька
В узле: 2
5
ШЧ6
Шайба
В узле: 8
6
2х12
Шплинт
В узле: 4
7
80-3724340
Жгут
В узле: 1
8
М8х30
Болт
В узле: 4
9
М8
Гайка
В узле: 6
10
80-3703046-А
Шпилька
В узле: 2
11
80-3703044
Прижим
В узле: 2
12
80-3724043
Провод
В узле: 1
13
М8х20
Болт
В узле: 8
14
ШП8
Шайба
В узле: 6
15
12В 100А/ч
Батарея аккумуляторная
В узле: 2
16
М3
Гайка
В узле: 2
17
ШП3
Шайба
В узле: 2
18
ШЧ3
Шайба
В узле: 2
19
47К
Розетка
В узле: 1
20
ВМ3х30
Винт
В узле: 2
21
80-3703037
Основание
В узле: 2
22
80-3703016
Амортизатор
В узле: 4
23
80-3703042
Кронштейн
В узле: 2
24
80-3703043
Накладка
В узле: 2
25
М6х20
Винт
В узле: 2
26
80-3710025
Кронштейн
В узле: 1
27
ВМ6х20
Винт
В узле: 4
28
80-3723043
Скоба
В узле: 1
29
ШЧ5
Шайба
В узле: 1
30
ВМ5х16
Винт
В узле: 1
31
ШП5
Шайба
В узле: 1
34
80-3724044-А
Провод
В узле: 1
35
52-1802087-Б
Ушко
В узле: 1
37
ВМ6х16
Винт
В узле: 3
Содержащиеся в справочниках-каталогах запасные части и детали не предлагаются к продаже, а носят исключительно информационный характер

Ваша заявка была отправлена. В ближайшее время наши специалисты с Вами свяжутся по указанному Вами телефону.

Представьтесь
Поле обязательно для заполнения
Ваш телефон
Введите правильный номер телефона
E-mail
Введите правильный e-mail
Тема
Тема
применяемость финансирование доставка цена, наличие другое сервис и гарантия
Время для звонка
08:00
08:00 09:00 10:00 11:00 12:00 13:00 14:00 15:00 16:00 17:00 18:00 19:00
19:00
08:00 09:00 10:00 11:00 12:00 13:00 14:00 15:00 16:00 17:00 18:00 19:00

Мы постараемся перезвонить в указанное время

Если вы не хотите ждать, то звоните нашим вежливым консультантам:

8 800 100-2-700
Подтвердите, что вы не робот
Подтвердите, что вы не робот
Спасибо!

Ваше сообщение успешно отправлено!

ЗакрытьПовторить попытку