Каталог запасных частей к технике: МТЗ-1005. Генератор 468.3701000

zoom-in zoom-out enlarge shrink circle-right circle-left file-text2 info cart arraw right arraw left zoom out zoom in arraw maximize arraw minimize
468-3701000
1
2
3
3
3
4
4
4
5
5
6
6
6
6
7
7
8
9
10
11
12
13
14
15
16
17
18
19
20
21
22
23
24
25
26
27
28
29
30
30
31
32
33
34
35
36
37
38
39
40
40
41
42
42
43
44
45
46
47
48
49
50
51
52
53
54
43
240-3701056-В
Кронштейн генератора
В узле: 1
240-3701056-В Кронштейн МТЗ генератора, ММЗ Под заказ 906.86 р.
240-3701056-В Кронштейн МТЗ генератора, (А) Под заказ 153.94 р.
47
245-3701069
Шайба
В узле: 2
245-3701069 Шайба Под заказ 43.75 р.
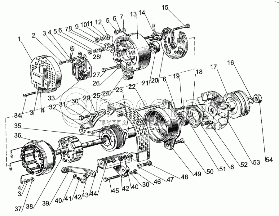
468-3701000
Генератор
В узле: 1
1
ИГКС 725325.001
Крышка регулирующего устройства
В узле: 1
2
ВМ4х16
Винт
В узле: 3
3
ШП4
Шайба
В узле: 9
4
ШЧ4
Шайба
В узле: 9
5
М5
Гайка
В узле: 7
6
ШП5
Шайба
В узле: 128
7
ШЧ5
Шайба
В узле: 7
8
ИГКС 757542.003
Изолятор
В узле: 1
9
М6
Гайка
В узле: 3
10
ШП6
Шайба
В узле: 3
11
ИГКС 758491.032
Шайба
В узле: 2
12
ИГКС 754152.003
Шайба изоляционная
В узле: 1
13
ИГКС 301261.024
Крышка задняя
В узле: 1
14
ИГКС 685158.001
Панель выводов
В узле: 1
15
ИГКС 758165.001
Болт M6x53
В узле: 1
16
ШП16
Шайба
В узле: 1
17
ИГКС 712645.002
Шкив
В узле: 1
18
ИГКС 725117.001
Крышка подшипника
В узле: 1
19
ВМ5х14
Винт
В узле: 2
20
GPHK 435111.003
Блок выпрямительный
В узле: 1
21
6-180502К1С9
Шарикоподшипник
В узле: 1
22
ТGKS 758191.001
Болт стяжной
В узле: 3
23
ИГКС 713141.039
Втулка ротора
В узле: 1
24
GKS 711143.007
Втулка
В узле: 1
25
245В3701060-А
Щиток
В узле: 1
26
ИГКС 757513.003
Изолятор фазный
В узле: 3
27
ИГКС 758121.001
Болт M4x25
В узле: 3
28
ИГКС 7131412.041
Втулка распорная
В узле: 1
29
50-1002073
Шайба
В узле: 1
30
ШП8
Шайба
В узле: 2
31
М8х20
Болт
В узле: 1
32
245-3701063-02
Планка
В узле: 1
33
GPIK 435315.002
Регулирующее устройство
В узле: 1
34
001300-23 ВМ4х25
Винт
В узле: 3
35
ИГКС 685442.035
Катушка возбуждения
В узле: 1
36
ИГКС 684214.004
Статор
В узле: 1
37
М4
Гайка
В узле: 3
38
ИГКС 684241.006
Ротор
В узле: 1
39
240-3701068-В
Растяжка
В узле: 1
40
ШП10
Шайба
В узле: 2
41
М10х20
Болт
В узле: 1
42
М10
Гайка
В узле: 2
44
М10х55
Болт
В узле: 1
45
М8х95
Болт
В узле: 1
46
М8
Гайка
В узле: 1
48
М12х315
Болт
В узле: 2
49
ИГКС 301261.035
Крышка передняя
В узле: 1
50
М10х30
Болт
В узле: 1
51
6-180603КХ4С9
Шарикоподшипник
В узле: 1
52
ИГКС 758151.003-01
Винт VM5x26
В узле: 3
53
ИГКС 723526.001
Вентилятор
В узле: 1
54
М16
Гайка
В узле: 1
Содержащиеся в справочниках-каталогах запасные части и детали не предлагаются к продаже, а носят исключительно информационный характер

Ваша заявка была отправлена. В ближайшее время наши специалисты с Вами свяжутся по указанному Вами телефону.

Представьтесь
Поле обязательно для заполнения
Ваш телефон
Введите правильный номер телефона
E-mail
Введите правильный e-mail
Тема
Тема
применяемость финансирование доставка цена, наличие другое сервис и гарантия
Время для звонка
08:00
08:00 09:00 10:00 11:00 12:00 13:00 14:00 15:00 16:00 17:00 18:00 19:00
19:00
08:00 09:00 10:00 11:00 12:00 13:00 14:00 15:00 16:00 17:00 18:00 19:00

Мы постараемся перезвонить в указанное время

Если вы не хотите ждать, то звоните нашим вежливым консультантам:

8 800 100-2-700
Подтвердите, что вы не робот
Подтвердите, что вы не робот
Спасибо!

Ваше сообщение успешно отправлено!

ЗакрытьПовторить попытку