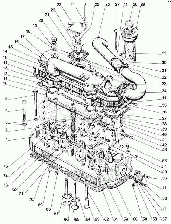
Каталог запасных частей к технике: МТЗ-1005. Головка цилиндров. Клапаны и толкатели клапанов

zoom-in zoom-out enlarge shrink circle-right circle-left file-text2 info cart arraw right arraw left zoom out zoom in arraw maximize arraw minimize
1
1
1
2
3
4
5
6
7
8
9
10
10
11
11
11
11
11
11
11
11
12
13
14
15
16
17
18
19
20
21
22
23
24
25
26
27
28
29
29
30
30
31
32
33
34
35
36
36
37
38
39
40
41
42
43
44
45
46
47
48
49
50
50
51
51
52
53
54
55
56
57
58
59
59
60
61
62
62
63
63
64
65
65
66
66
67
68
69
70
71
72
73
74
75
58
50-1015598
Прокладка патрубка
В узле: 1
50-1015598 Прокладка МТЗ, ЗИЛ патрубка головки блока, Беларусь >10 шт. 5.55 р.
50
50-1007212-А4
Коромысло клапана со втулкой
В узле: 8
50-1007212-А4 Коромысло клапана МТЗ, ЗИЛ в сборе с втулкой, БЗА >10 шт. 905.94 р.
50-1007212-А4 Коромысло МТЗ, ЗИЛ клапана в сборе со втулкой, (А) >10 шт. 160.26 р.
4
240-1002047-01
Болт
В узле: 4
240-1002047-01 Болт головки МТЗ, Д243, Д245 коротокий, ММЗ >10 шт. 261.47 р.
240-1002047-01 Болт головки МТЗ, Д243, Д245 коротокий, (А) Под заказ 42.87 р.
5
240-1002047
Болт
В узле: 12
240-1002047 Болт головки МТЗ, Д243, Д245 длинный, ММЗ Под заказ 302.66 р.
240-1002047 Болт головки МТЗ, Д243, Д245 длинный, (А) Под заказ 50.56 р.
3
48-1002318
Шайба
В узле: 16
48-1002318 Шайба МТЗ головки блока, ММЗ >10 шт. 43.75 р.
14
240-1003109
Прокладка
В узле: 1
240-1003109 прокладка клапан. крышки (пробка 2,0 мм) Под заказ Нет на складе
240-1003109 Прокладка крышки ГБЦ МТЗ верхняя (резино-пробка), РФ Под заказ 103.33 р.
240-1003109 Прокладка крышки ГБЦ МТЗ верхняя (паронит 1,5 мм), РФ Под заказ 97.04 р.
13
240-1003031
Прокладка
В узле: 2
240-1003031 Прокладка коллектора впускного МТЗ, Беларусь >10 шт. 5.55 р.
12
240-1003108
Прокладка
В узле: 1
240-1003108 прокладка крышки (пробка 2,0 мм) <10 шт. Нет на складе
240-1003108 Прокладка крышки ГБЦ МТЗ нижняя (резино-пробка), РФ Под заказ Нет на складе
240-1003108 Прокладка крышки ГБЦ МТЗ нижняя (паронит 1,5 мм), РФ Под заказ 100.75 р.
72
240-1007020
Манжета
В узле: 8
240-1007020 Манжета уплотнительного клапана, ММЗ Под заказ 74.71 р.
240-1007020 Колпачок МТЗ маслосъёмный, (А) Под заказ 5.12 р.
71
240-1007055
Шайба
В узле: 8
240-1007055 Шайба Д245 пружины клапана верхняя, ММЗ >10 шт. 54.66 р.
20
50-1003104-А
Гайка колпака
В узле: 4
50-1003104-А Гайка МТЗ, ЗИЛ-5301 колпака головки блока, ММЗ >10 шт. 205.84 р.
40
Д02-063
Гайка
В узле: 8
Д02-063 Гайка МТЗ винта регулировки коромысла, ММЗ <10 шт. 123.49 р.
19
50-1003106
Шайба
В узле: 4
50-1003106 Шайба МТЗ, Д-243, Д-245, Д-260 крепления колпака, ММЗ >10 шт. 54.66 р.
44
240-1007048
Тарелка
В узле: 8
240-1007048 Тарелка Д243,Д245,Д260 пружин клапана головки блока, ММЗ >10 шт. 283.27 р.
54
240-1003037
Заглушка
В узле: 1
240-1003037 Заглушка МТЗ, ММЗ <10 шт. 90.23 р.
57
70-8115022-А
Патрубок
В узле: 1
70-8115022-А Патрубок МТЗ головки цилиндров, ММЗ* Под заказ 391.51 р.
70-8115022-А Патрубок МТЗ головки цилиндров, (У) Под заказ 229.49 р.
68
240-1003029
Втулка
В узле: 6
240-1003029 Втулка МТЗ головки блока цилиндров, ММЗ >10 шт. 120.27 р.
1
245-1003012
Головка цилиндров в сборе
В узле: 1
245-1003012 Головка блока цилиндров МТЗ, Д-245 в сборе с клапанами, ММЗ <10 шт. 51 380.12 р.
33
240-1003264-А
Прокладка
В узле: 1
240-1003264-А Прокладка МТЗ паронит 0,5 мм, РФ Под заказ 8.09 р.
240-1003264-А Прокладка МТЗ темсил, РФ <10 шт. 7.31 р.
53
240-1003281
Пробка
В узле: 1
240-1003281 Пробка головки блока цилиндров дв. 242, 243, 245, 260, 265, ММЗ <10 шт. 112.11 р.
22
245-1014440
Стакан
В узле: 1
245-1014440 Стакан МТЗ, Д-245, Д-260, ЗИЛ, ПАЗ крышки головки блока цилиндров, с трубкой, ММЗ <10 шт. 512.40 р.
29
245-3707220-А
Бачок с пробкой
В узле: 1
245-3707220-А Бачок МТЗ, Д-245 крышки головки цилиндров, ММЗ Под заказ 1 738.15 р.
15
245-1003033-А-06
Коллектор
В узле: 1
245-1003033-А-06 Коллектор МТЗ впускной, ММЗ Под заказ 5 645.17 р.
240-1007151-В
Стойка передняя
В узле: 1
240-1007152-В
Стойка средняя вторая
В узле: 1
1
245-1003013-А-03
Головка цилиндров
В узле: 1
1
245-1003015-А-01
Головка цилиндров
В узле: 1
2
240-1007032-В-01
Втулка направляющая
В узле: 8
6
50-1003112
Шпилька
В узле: 4
7
50-1007053-А1
Сухарь клапана
В узле: 16
8
М12
Гайка
В узле: 4
9
50-1007102-А
Ось
В узле: 1
10
М8х35
Болт
В узле: 6
11
ШП8
Шайба
В узле: 16
16
245-1003122-02
Колпак
В узле: 1
17
2,5х10
Штифт
В узле: 2
18
50-1003107-А-01
Кольцо
В узле: 4
21
240-1002444-А
Прокладка
В узле: 1
23
245-1002430-02
Корпус сапуна
В узле: 1
24
М8х16
Болт
В узле: 4
25
245-1014445
Маслоотражатель
В узле: 1
26
245-2451003036-В
Патрубок
В узле: 1
27
М8х80
Болт
В узле: 1
28
240-3707200-01
Пробка
В узле: 1
29
242-3707140-А-01
Бачок
В узле: 1
30
М8х20
Болт
В узле: 4
31
50-70
Хомут фирмы Nоrmа
В узле: 4
32
50-61-70-0,2
Рукав
В узле: 2
34
245-1003035-В
Патрубок
В узле: 1
35
М8х30
Болт
В узле: 4
36
245-1003030-08
Крышка головки цилиндров
В узле: 1
36
240-1003032-А-02
Крышка
В узле: 1
37
240-1007185
Фиксатор
В узле: 1
75
М12х85
Болт
В узле: 2
39
ШП10
Шайба
В узле: 1
41
ШЧ12
Шайба
В узле: 2
42
50-1007183
Шайба пробки
В узле: 2
43
50-1007182
Пробка оси коромысел
В узле: 2
45
240-1007045-А1
Пружина клапана
В узле: 8
46
Д02-003-А
Заглушка
В узле: 4
47
240-1007152-В-01
Стойка оси коромысел средняя
В узле: 1
48
50-1007103-А
Пружина оси коромысел
В узле: 3
49
М12х35
Болт
В узле: 4
50
50-1007212-А3
Коромысло
В узле: 8
51
50-1007170-В
Винт регулировочный с гайкой
В узле: 8
51
50-1007175-В1
Винт регулировочный
В узле: 8
52
240-1007151-В-01
Стойка оси коромысел крайняя
В узле: 1
55
36-1104788-01
Прокладка
В узле: 1
56
М8х25
Болт
В узле: 1
59
КГ 3/8
Пробка
В узле: 2
60
Ф-4.118,3
Кольцо
В узле: 4
61
50-1003103-А
Стакан
В узле: 2
62
240-1007310-В
Штанга
В узле: 8
62
240-1007310-В1
Штанга
В узле: 8
63
240-1007375-А1
Толкатель клапана
В узле: 8
63
240-1007375-А
Толкатель
В узле: 8
64
245-1003018
Седло впускного клапана
В узле: 4
65
240-1007015-В6
Клапан выпускной
В узле: 4
65
240-1007015-В7
Клапан выпускной
В узле: 4
66
240-1007014-В7
Клапан впускной
В узле: 4
66
240-1007014-В4
Клапан впускной
В узле: 4
67
245-1003019
Седло выпускного клапана
В узле: 4
69
240-1003027
Заглушка
В узле: 5
70
240-1007054
Шайба
В узле: 8
73
240-1007046-А1
Пружина клапана
В узле: 8
74
50-1003020-А2-01
Прокладка
В узле: 1
Содержащиеся в справочниках-каталогах запасные части и детали не предлагаются к продаже, а носят исключительно информационный характер

Ваша заявка была отправлена. В ближайшее время наши специалисты с Вами свяжутся по указанному Вами телефону.

Представьтесь
Поле обязательно для заполнения
Ваш телефон
Введите правильный номер телефона
E-mail
Введите правильный e-mail
Тема
Тема
применяемость финансирование доставка цена, наличие другое сервис и гарантия
Время для звонка
08:00
08:00 09:00 10:00 11:00 12:00 13:00 14:00 15:00 16:00 17:00 18:00 19:00
19:00
08:00 09:00 10:00 11:00 12:00 13:00 14:00 15:00 16:00 17:00 18:00 19:00

Мы постараемся перезвонить в указанное время

Если вы не хотите ждать, то звоните нашим вежливым консультантам:

8 800 100-2-700
Подтвердите, что вы не робот
Подтвердите, что вы не робот
Спасибо!

Ваше сообщение успешно отправлено!

ЗакрытьПовторить попытку