Каталог запасных частей к технике: МТЗ-1005. Корректор по наддуву

zoom-in zoom-out enlarge shrink circle-right circle-left file-text2 info cart arraw right arraw left zoom out zoom in arraw maximize arraw minimize
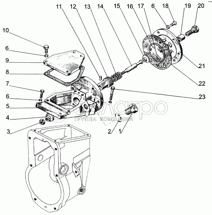
1
2
3
4
5
6
6
6
7
8
9
10
11
12
13
14
15
16
17
18
19
20
21
22
23
3М6х20
Болт
В узле: 1
3М6х35
Болт
В узле: 1
3М6х16
Болт
В узле: 2
1
УТН-5-1110402
Пробка
В узле: 1
2
16-006
Прокладка
В узле: 1
3
М6
Гайка
В узле: 1
4
4УТНМ-Т-1110504
Упор
В узле: 1
5
4УТНМ-Т-1110511-10
Корпус
В узле: 1
6
ШП6
Шайба
В узле: 14
7
М6х20
Винт
В узле: 1
8
4УТНМ-Т-1110506
Прокладка
В узле: 1
9
4УТНМ-Т-1110502
Крышка
В узле: 1
10
М6х16
Винт
В узле: 2
11
4УТНМ-Т-1110505
Штифт
В узле: 1
12
4УТНМ-Т-1110512-20
Втулка
В узле: 1
13
4УТНМ-Т-1110503-10
Пружина
В узле: 1
14
4УТНМ-Т-1110531-30
Шток
В узле: 1
15
4УТНМ-Т-1110532-10
Тарелка
В узле: 1
16
4УТНМ-Т-1110522-10
Тарелка
В узле: 2
17
2,5х6.37.Адл
Заклепка
В узле: 3
18
ВМ6х20
Винт
В узле: 6
19
8МТНМ-1110574
Втулка защитная
В узле: 1
20
8МТНМ-1110573
Болт штуцера
В узле: 1
21
4УТНМ-Т-1110520-10
Диафрагма
В узле: 1
22
4УТНМ-Т-1110501
Крышка
В узле: 1
23
М6х35
Болт
В узле: 1
Содержащиеся в справочниках-каталогах запасные части и детали не предлагаются к продаже, а носят исключительно информационный характер

Ваша заявка была отправлена. В ближайшее время наши специалисты с Вами свяжутся по указанному Вами телефону.

Представьтесь
Поле обязательно для заполнения
Ваш телефон
Введите правильный номер телефона
E-mail
Введите правильный e-mail
Тема
Тема
применяемость финансирование доставка цена, наличие другое сервис и гарантия
Время для звонка
08:00
08:00 09:00 10:00 11:00 12:00 13:00 14:00 15:00 16:00 17:00 18:00 19:00
19:00
08:00 09:00 10:00 11:00 12:00 13:00 14:00 15:00 16:00 17:00 18:00 19:00

Мы постараемся перезвонить в указанное время

Если вы не хотите ждать, то звоните нашим вежливым консультантам:

8 800 100-2-700
Подтвердите, что вы не робот
Подтвердите, что вы не робот
Спасибо!

Ваше сообщение успешно отправлено!

ЗакрытьПовторить попытку