Каталог запасных частей к технике: МТЗ-1005. Маслопроводы турбокомпрессора

zoom-in zoom-out enlarge shrink circle-right circle-left file-text2 info cart arraw right arraw left zoom out zoom in arraw maximize arraw minimize
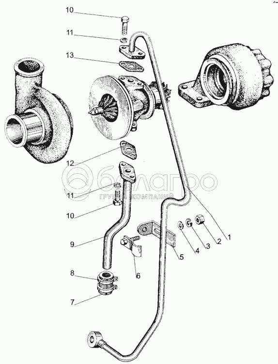
1
2
3
4
5
6
7
8
9
10
10
11
11
12
13
13
245-1118016
Прокладка
В узле: 4
245-1118016 Прокладка (ПОН) >10 шт. Нет на складе
245-1118016 Прокладка трубки ЗиЛ ТКР, Беларусь >10 шт. 3.53 р.
К-27
Турбокомпрессор
В узле: 1
Schwitzer S2A
Турбокомпрессор
В узле: 1
1
245-1118010-В
Труба подводящая
В узле: 1
2
М6
Гайка
В узле: 1
3
ШП6
Шайба
В узле: 1
4
ШЧ6
Шайба
В узле: 1
5
245-1118054-В
Планка
В узле: 1
6
245-1118050
Хомут
В узле: 1
7
18х27-4
Труба
В узле: 1
8
ХЧП.10.019
Хомут
В узле: 2
9
245-1118030-В
Труба сливная
В узле: 1
10
М8х20
Болт
В узле: 4
11
ШП8
Шайба
В узле: 4
12
245-1118034-В
Прокладка
В узле: 1
Содержащиеся в справочниках-каталогах запасные части и детали не предлагаются к продаже, а носят исключительно информационный характер

Ваша заявка была отправлена. В ближайшее время наши специалисты с Вами свяжутся по указанному Вами телефону.

Представьтесь
Поле обязательно для заполнения
Ваш телефон
Введите правильный номер телефона
E-mail
Введите правильный e-mail
Тема
Тема
применяемость финансирование доставка цена, наличие другое сервис и гарантия
Время для звонка
08:00
08:00 09:00 10:00 11:00 12:00 13:00 14:00 15:00 16:00 17:00 18:00 19:00
19:00
08:00 09:00 10:00 11:00 12:00 13:00 14:00 15:00 16:00 17:00 18:00 19:00

Мы постараемся перезвонить в указанное время

Если вы не хотите ждать, то звоните нашим вежливым консультантам:

8 800 100-2-700
Подтвердите, что вы не робот
Подтвердите, что вы не робот
Спасибо!

Ваше сообщение успешно отправлено!

ЗакрытьПовторить попытку