Каталог запасных частей к технике: МТЗ-1005. Насос шестеренный

zoom-in zoom-out enlarge shrink circle-right circle-left file-text2 info cart arraw right arraw left zoom out zoom in arraw maximize arraw minimize
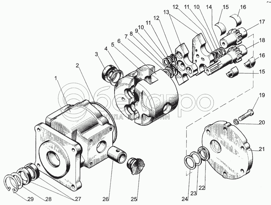
НШ32А-3
1
2
3
4
5
6
7
8
9
10
10
11
11
12
12
13
14
15
15
16
16
17
18
19
20
21
22
23
24
25
26
27
28
29
НШ32А-3
Насос шестеренный
В узле: 1
1
НШ32-3-01
Корпус
В узле: 1
2
112-118-36-2-2
Кольцо
В узле: 1
3
НШ32-3-08
Манжета радиального уплотнения
В узле: 1
4
НШ32-3-06
Пластина опорная
В узле: 1
5
НШ32-3-02
Обойма поджимная
В узле: 1
6
НШ32-3-03
Обойма подшипниковая
В узле: 1
7
НШ50-2-24
Кольцо предохранительное
В узле: 1
8
НШ50-4-10-03
Прокладка
В узле: 2
9
НШ50-2-22
Манжета торцевого уплотнения
В узле: 2
10
НШ50-2-25
Кольцо предохранительное
В узле: 6
11
НШ50-4-10
Прокладка
В узле: 6
12
НШ50-2-23
Манжета торцевого уплотнения
В узле: 6
13
НШ50-3-07
Платик
В узле: 2
14
НШ50-2-16
Пластина
В узле: 2
15
НШ50-4-04-А
Вкладыш левый
В узле: 2
16
НШ50-4-06
Вкладыш правый
В узле: 2
17
НШ32-3-05
Шестерня ведомая
В узле: 1
18
НШ32-3-04
Шестерня ведущая
В узле: 1
19
М10х30
Болт
В узле: 6
20
ШП10
Шайба
В узле: 6
21
НШ50А-3-06
Крышка
В узле: 1
22
50К-13
Манжета
В узле: 1
23
НШ50-4-10-04
Прокладка
В узле: 1
24
НШ50-2-14
Кольцо предохранительное
В узле: 1
25
НШ32-2-08
Пробка (деталь технологическая)
В узле: 1
26
НШ32-3-09
Втулка центрирующая
В узле: 1
27
1.2-25х42-1
Манжета
В узле: 2
28
НШ32Э-08-А
Кольцо
В узле: 1
29
НШ32У-0303028-Г
Кольцо пружинное
В узле: 1
Содержащиеся в справочниках-каталогах запасные части и детали не предлагаются к продаже, а носят исключительно информационный характер

Ваша заявка была отправлена. В ближайшее время наши специалисты с Вами свяжутся по указанному Вами телефону.

Представьтесь
Поле обязательно для заполнения
Ваш телефон
Введите правильный номер телефона
E-mail
Введите правильный e-mail
Тема
Тема
применяемость финансирование доставка цена, наличие другое сервис и гарантия
Время для звонка
08:00
08:00 09:00 10:00 11:00 12:00 13:00 14:00 15:00 16:00 17:00 18:00 19:00
19:00
08:00 09:00 10:00 11:00 12:00 13:00 14:00 15:00 16:00 17:00 18:00 19:00

Мы постараемся перезвонить в указанное время

Если вы не хотите ждать, то звоните нашим вежливым консультантам:

8 800 100-2-700
Подтвердите, что вы не робот
Подтвердите, что вы не робот
Спасибо!

Ваше сообщение успешно отправлено!

ЗакрытьПовторить попытку