Каталог запасных частей к технике: МТЗ-1005. Привод регулятора

zoom-in zoom-out enlarge shrink circle-right circle-left file-text2 info cart arraw right arraw left zoom out zoom in arraw maximize arraw minimize
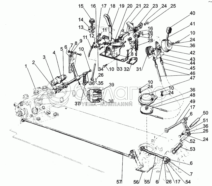
1
2
3
4
5
6
6
6
6
7
7
7
8
8
9
10
10
10
10
10
11
11
12
13
14
15
16
16
17
17
17
18
19
20
21
22
23
24
24
24
24
24
25
26
26
26
26
27
28
29
30
31
32
33
34
35
35
36
36
36
36
37
38
39
40
40
41
42
43
44
45
46
47
48
49
49
50
51
52
53
54
55
55
56
57
57
20
50-1605152
Пружина
В узле: 1
50-1605152 Пружина МТЗ, Беларусь Под заказ 145.06 р.
18
А13.17.000
Рукоятка
В узле: 1
А13.17.000 Рукоятка МТЗ управления валом отбора мощности, Беларусь Под заказ 143.26 р.
40
А13.11.000
Рукоятка
В узле: 1
А13.11.000 Рукоятка МТЗ управления подачей топлива Под заказ 53.91 р.
53
50-4607082-А
Втулка
В узле: 2
50-4607082А Втулка МТЗ блокировки дифференциала, Беларусь <10 шт. 8.08 р.
39
80В-4616023
Втулка
В узле: 1
80В-4616023 Втулка МТЗ, Беларусь Под заказ 31.23 р.
1
80-4614020
Регулятор
В узле: 1
80-4614020 Регулятор глубины вспашки МТЗ (регулятор силовой), Беларусь Под заказ 17 488.27 р.
17
80-4616051
Ползун
В узле: 4
80-4616051 Ползун МТЗ Под заказ 176.86 р.
45
80-4616082
Контргайка
В узле: 2
80-4616082 Контргайка МТЗ, САЗ <10 шт. 315.82 р.
55
85-4616045
Тяга 85-4616044 в сборе
В узле: 1
85-4616045 Тяга <10 шт. 479.46 р.
29
80-4616016
Втулка
В узле: 1
80-4616016 Втулка МТЗ Под заказ 70.76 р.
22
85-4616090-Б1
Сектор
В узле: 1
85-4616090-Б1 Сектор Под заказ 547.35 р.
12
ШП10
Шайба
В узле: 1
11
М10
Гайка
В узле: 2
4
85-4616050-В
Вал в сборе
В узле: 1
5
85-4616053
Чехол
В узле: 1
6
80В-4616050-01
Кронштейн
В узле: 1
25
М8
Гайка
В узле: 1
8
ШП8
Шайба
В узле: 10
9
ШЧ8
Шайба
В узле: 7
10
М6х12
Винт
В узле: 10
13
М6
Гайка
В узле: 2
14
80-4616034
Упор
В узле: 1
15
80-4616070
Винт
В узле: 1
16
ШЧ10
Шайба
В узле: 1
19
80-4616020-Б
Рычаг
В узле: 1
21
80-4616035
Рычаг
В узле: 1
23
80-4616155
Палец
В узле: 1
24
ШП6
Шайба
В узле: 10
26
3,2х18
Шплинт
В узле: 11
27
80-4616017
Ролик
В узле: 1
28
80В-4616014-А
Пружина
В узле: 1
30
М8х16
Болт
В узле: 4
31
80-4616095-В
Шкив
В узле: 1
32
80В-4616024
Пластина
В узле: 1
33
80-4616150
Кронштейн
В узле: 1
34
70-3514094
Крюк
В узле: 1
35
85-4616034
Тяга
В узле: 1
35
85-4616025
Тяга 85-4616034 в сборе
В узле: 1
36
ШЧ6
Шайба
В узле: 6
37
85-4616105
Рычаг
В узле: 1
38
80-4616022
Сфера
В узле: 1
40
80-4616140
Рукоятка со шпилькой и маховиком в сборе
В узле: 1
41
80-4616048
Шпилька
В узле: 1
42
80-4616041
Маховик
В узле: 1
43
80-4616115-В
Кронштейн
В узле: 1
44
80-4616081
Винт
В узле: 2
46
85-4616060
Трос
В узле: 2
47
85-4616037
Крышка
В узле: 1
48
85-4616033
Шкив
В узле: 1
49
85-4616100
Тяга 85-4616052 в сборе
В узле: 1
49
85-4616052
Тяга
В узле: 1
50
85-4616026
Палец
В узле: 1
51
85-4616035
Рычаг
В узле: 1
52
85-4616030
Тяга
В узле: 1
54
70-8405114
Втулка
В узле: 1
55
85-4616044
Тяга
В узле: 1
56
85-4616031-А
Прокладка
В узле: 1
57
85-4616040
Тяга 85-4616055 в сборе
В узле: 1
57
85-4616055
Тяга
В узле: 1
Содержащиеся в справочниках-каталогах запасные части и детали не предлагаются к продаже, а носят исключительно информационный характер

Ваша заявка была отправлена. В ближайшее время наши специалисты с Вами свяжутся по указанному Вами телефону.

Представьтесь
Поле обязательно для заполнения
Ваш телефон
Введите правильный номер телефона
E-mail
Введите правильный e-mail
Тема
Тема
применяемость финансирование доставка цена, наличие другое сервис и гарантия
Время для звонка
08:00
08:00 09:00 10:00 11:00 12:00 13:00 14:00 15:00 16:00 17:00 18:00 19:00
19:00
08:00 09:00 10:00 11:00 12:00 13:00 14:00 15:00 16:00 17:00 18:00 19:00

Мы постараемся перезвонить в указанное время

Если вы не хотите ждать, то звоните нашим вежливым консультантам:

8 800 100-2-700
Подтвердите, что вы не робот
Подтвердите, что вы не робот
Спасибо!

Ваше сообщение успешно отправлено!

ЗакрытьПовторить попытку