Каталог запасных частей к технике: МТЗ-100. Фонари задние

zoom-in zoom-out enlarge shrink circle-right circle-left file-text2 info cart arraw right arraw left zoom out zoom in arraw maximize arraw minimize
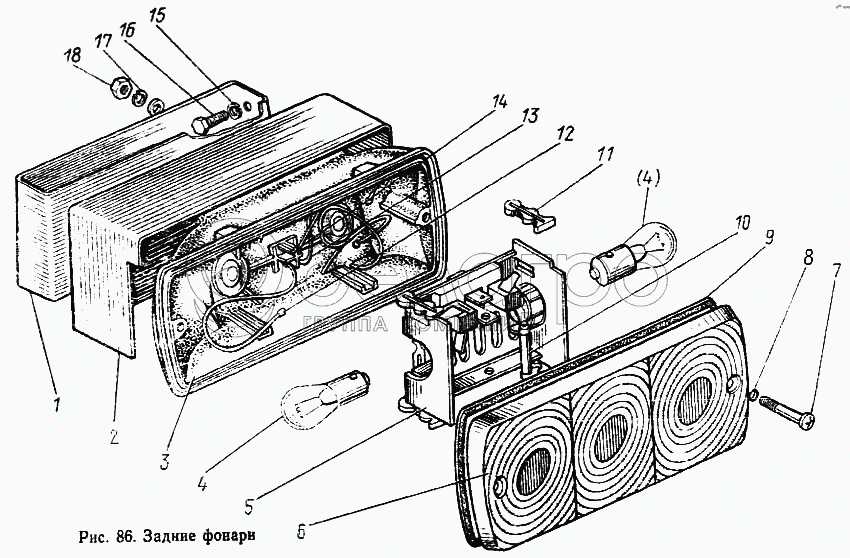
1
2
3
4
4
5
6
7
8
9
10
11
12
13
14
15
16
17
18
4
А12-21-3
Лампа 12В, 21Вт
В узле: 4
Лампа А12-21-3 (12V21W BA15s (1 конт) Под заказ 18.84 р.
1
85-3716012
Кронштейн
В узле: 2
85-3716012 Кронштейн заднего фонаря МТЗ Под заказ 397.05 р.
33.3716010
Фонарь задний в сборе
В узле: 2
2
85.3716015
Кожух
В узле: 2
3
33.3716100
Корпус с болтами
В узле: 2
5
33.3716110-10
Основание с контактами
В узле: 2
6
33.3716200-10
Рассеиватель армированный
В узле: 2
7
М4-6gх18-1
Винт
В узле: 4
8
11.3714112
Шайба
В узле: 4
9
33.3716203
Прокладка
В узле: 2
10
АС12-5
Лампа 12В, 5Вт
В узле: 2
11
33.3716103-10
Держатель основания
В узле: 4
12
33.3716280-01
Провод со штекерами
В узле: 2
13
33.3716280
Провод со штекерами
В узле: 2
14
33.3716280-02
Провод со штекерами
В узле: 2
15
Ш8Т
Шайба
В узле: 4
16
4М8
Болт
В узле: 4
17
Ш6Т
Шайба
В узле: 4
18
М6
Гайка
В узле: 4
Содержащиеся в справочниках-каталогах запасные части и детали не предлагаются к продаже, а носят исключительно информационный характер

Ваша заявка была отправлена. В ближайшее время наши специалисты с Вами свяжутся по указанному Вами телефону.

Представьтесь
Поле обязательно для заполнения
Ваш телефон
Введите правильный номер телефона
E-mail
Введите правильный e-mail
Тема
Тема
применяемость финансирование доставка цена, наличие другое сервис и гарантия
Время для звонка
08:00
08:00 09:00 10:00 11:00 12:00 13:00 14:00 15:00 16:00 17:00 18:00 19:00
19:00
08:00 09:00 10:00 11:00 12:00 13:00 14:00 15:00 16:00 17:00 18:00 19:00

Мы постараемся перезвонить в указанное время

Если вы не хотите ждать, то звоните нашим вежливым консультантам:

8 800 100-2-700
Подтвердите, что вы не робот
Подтвердите, что вы не робот
Спасибо!

Ваше сообщение успешно отправлено!

ЗакрытьПовторить попытку