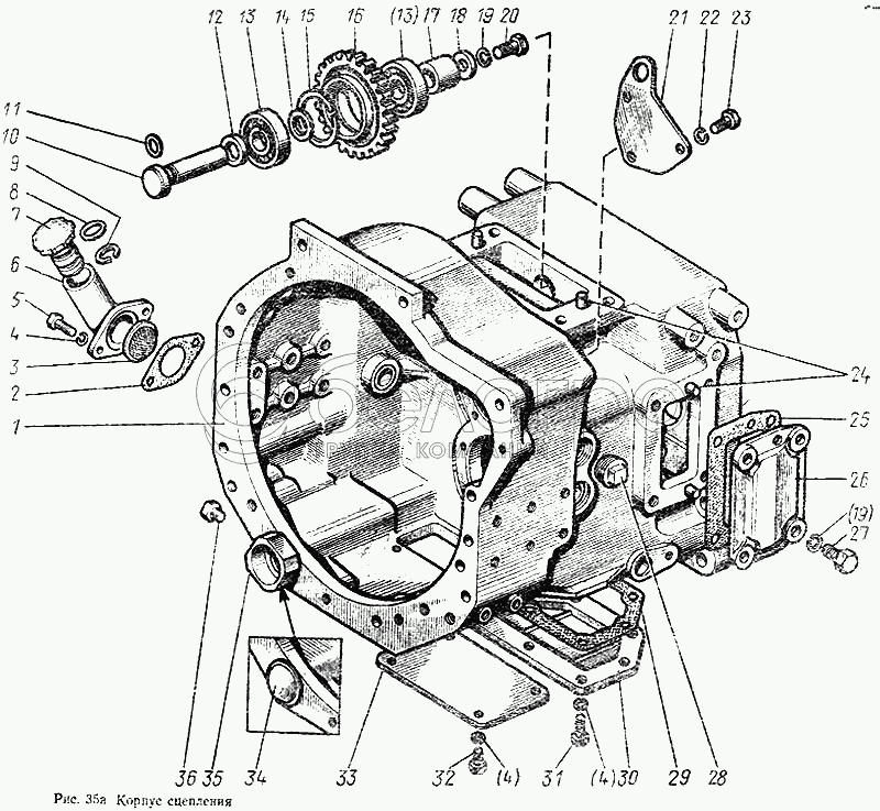
Каталог запасных частей к технике: МТЗ-100. Корпус сцепления

zoom-in zoom-out enlarge shrink circle-right circle-left file-text2 info cart arraw right arraw left zoom out zoom in arraw maximize arraw minimize
1
2
3
4
4
4
5
6
7
8
9
10
11
12
13
13
14
15
16
17
18
19
19
20
21
22
23
24
25
26
27
28
29
30
31
32
33
34
35
36
2
240-1002082-А
Прокладка
В узле: 1
240-1002082-А Прокладка МТЗ паронит 0,5 мм, РФ >10 шт. 5.55 р.
16
70-1601331
Шестерня промежуточная
В узле: 1
70-1601331 Шестерня промежуточная МТЗ, МЗШ >10 шт. 1 602.78 р.
70-1601331 Шестерня МТЗ сцепления, z=27, (А) Под заказ 491.04 р.
15
2В62
Кольцо
В узле: 1
2В62 Кольцо (915211) ГОСТ 13941-86, МТЗ >10 шт. 134.41 р.
14
70-1601333
Кольцо
В узле: 1
70-1601333 Кольцо МТЗ >10 шт. 72.36 р.
7
А19.01.001
Пробка
В узле: 1
А19.01.001 Пробка МТЗ маслозаливной горловины, (У) Под заказ 231.73 р.
А19.01.001 Пробка МТЗ маслозаливной горловины, (А) Под заказ 111.62 р.
А19.01.001 Пробка МТЗ маслозаливной горловины <10 шт. 378.91 р.
3
240-1002085
Сетка
В узле: 1
240-1002085 Сетка МТЗ маслозаборника, ММЗ Под заказ 131.06 р.
6
240-1002088-В
Патрубок
В узле: 1
240-1002088-В Патрубок МТЗ (маслозаливная горловина), (У) Под заказ 455.21 р.
240-1002088-В Патрубок МТЗ (маслозаливная горловина) Под заказ 435.81 р.
240-1002088-В Патрубок МТЗ (маслозаливная горловина), (А) <10 шт. 371.75 р.
33
50-1601341
Крышка сцепления
В узле: 1
50-1601341 Крышка МТЗ корпуса сцепления Под заказ 265.69 р.
240-1002115
Горловина с кольцом пружинным и патрубком в сборе
В узле: 1
240-1002115 Горловина маслозаливная МТЗ с крышкой, (У) Под заказ 492.71 р.
240-1002115 Горловина маслозаливная МТЗ с крышкой Под заказ 756.29 р.
240-1002115 Горловина маслозаливная МТЗ с крышкой, (А) Под заказ 459.77 р.
1
80-1601015
Корпус
В узле: 1
80-1601015 Корпус сцепления МТЗ-1025,1221 <10 шт. 86 086.54 р.
30
80-1601313
Крышка
В узле: 1
80-1601313 Крышка Под заказ 1 092.19 р.
85-1601150
Вал в сборе
В узле: 1
80-1601050
Вал в сборе
В узле: 1
80-1601070
Шестерня с кольцом и подшипником в сборе
В узле: 1
80-1601180
Шестерня 80-1601182 с осью, подшипником и кольцом в сборе
В узле: 1
70-1601330
Шестерня 70-1601331 с кольцами в сборе
В узле: 1
80-1601040
Стакан с гайкой в сборе
В узле: 1
80А-1601180
Отводка с подшипником упорным и масленкой в сборе
В узле: 1
80-1601060
Втулка с кольцом в сборе
В узле: 1
80-1601190
Вилка со штифтом в сборе
В узле: 1
80-1601160
Вал с подшипниками в сборе
В узле: 1
80-1601030
Кронштейн отводки с прокладкой в сборе
В узле: 1
4
ШП8
Шайба
В узле: 13
5
М8х20
Болт
В узле: 2
8
042-048-30-2-1
Кольцо
В узле: 1
9
А19.01.003
Кольцо
В узле: 1
10
80-1601335
Ось
В узле: 1
11
020-025-30-1-6
Кольцо
В узле: 1
12
80-1601337
Шайба
В узле: 1
13
305
Подшипник
В узле: 3
17
80-1601336
Втулка
В узле: 1
18
80-1601334
Шайба
В узле: 1
19
ШП12
Шайба
В узле: 2
20
М12х35
Болт
В узле: 2
21
80-1601348
Крышка
В узле: 1
22
ШП10
Шайба
В узле: 4
23
М10х18
Болт
В узле: 4
24
10Пр2,2ах25Ц6
Штифт
В узле: 4
25
80-1601343
Прокладка
В узле: 1
26
80-1601342
Крышка
В узле: 1
27
М12х30
Болт
В узле: 4
28
КГ1,1/4"
Пробка
В узле: 1
29
80-1601314
Прокладка
В узле: 1
31
М8х25
Болт
В узле: 7
32
М8х16
Болт
В узле: 4
34
80-1601024
Крышка
В узле: 1
35
80-1802015
Обойма
В узле: 1
36
2-1Мк10
Пробка
В узле: ---
Содержащиеся в справочниках-каталогах запасные части и детали не предлагаются к продаже, а носят исключительно информационный характер

Ваша заявка была отправлена. В ближайшее время наши специалисты с Вами свяжутся по указанному Вами телефону.

Представьтесь
Поле обязательно для заполнения
Ваш телефон
Введите правильный номер телефона
E-mail
Введите правильный e-mail
Тема
Тема
применяемость финансирование доставка цена, наличие другое сервис и гарантия
Время для звонка
08:00
08:00 09:00 10:00 11:00 12:00 13:00 14:00 15:00 16:00 17:00 18:00 19:00
19:00
08:00 09:00 10:00 11:00 12:00 13:00 14:00 15:00 16:00 17:00 18:00 19:00

Мы постараемся перезвонить в указанное время

Если вы не хотите ждать, то звоните нашим вежливым консультантам:

8 800 100-2-700
Подтвердите, что вы не робот
Подтвердите, что вы не робот
Спасибо!

Ваше сообщение успешно отправлено!

ЗакрытьПовторить попытку