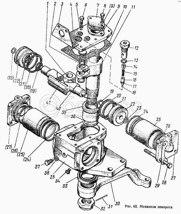
Каталог запасных частей к технике: МТЗ-100. Механизм поворота

zoom-in zoom-out enlarge shrink circle-right circle-left file-text2 info cart arraw right arraw left zoom out zoom in arraw maximize arraw minimize
1
2
3
4
5
5
6
7
8
9
10
11
12
13
14
15
16
17
18
19
19
20
20
21
21
22
22
23
23
24
24
25
25
26
26
27
27
28
29
30
31
32
33
34
35
36
37
38
39
40
41
36
Д18-055-А
Шайба
В узле: 1
Д18-055-А Кольцо уплотнительное МТЗ, ЗИЛ медное, d=14х19х1, ММЗ >10 шт. 54.66 р.
Д18-055-А кольцо медн.(диам. внутр. 14х19х1 мм) (А) >10 шт. 3.17 р.
80-3405045
Клапан и кольцо в сборе
В узле: 1
80-3405040
Клапан блокировки в сборе
В узле: 1
82-3405023
Сошка
В узле: 1
80-3405020-01
Механизм поворота в сборе
В узле: 1
80-3405030
Корпус со втулкой в сборе
В узле: 1
80-3405020
Механизм поворота в сборе
В узле: 1
1
80-3405033
Сухарь
В узле: 1
2
80-3405029
Палец
В узле: 1
3
80-3405039
Кронштейн
В узле: 1
4
80-3405021
Крышка
В узле: 1
5
ШП80
Шайба
В узле: 8
6
М8х25
Болт
В узле: 6
7
80-3405051
Крышка
В узле: 1
8
М8х20
Болт
В узле: 2
9
80-3405052
Прокладка
В узле: 1
10
80-3405028
Прокладка
В узле: 1
11
80-3405022
Вал
В узле: 1
12
80-3405041
Корпус
В узле: 1
13
021-025-25-1-4
Кольцо
В узле: 1
14
80-3405042
Пробка
В узле: 1
15
80-3405044
Пружина
В узле: 1
16
80-3405046
Клапан
В узле: 1
17
162.49.115
Кольцо
В узле: 1
18
У-5,566
Шарик
В узле: 1
19
030-036-36-1-4
Кольцо
В узле: 1
20
80-3405034
Шайба
В узле: 2
21
070-080-58-1-4
Кольцо
В узле: 2
22
80-3405026
Поршень
В узле: 2
23
2Б18
Кольцо
В узле: 2
24
085-090-30-1-4
Кольцо
В узле: 2
25
80-3405024
Гильза
В узле: 2
26
075-080-30-1-4
Кольцо
В узле: 2
27
80-3405025
Крышка
В узле: 2
28
80-3405037
Болт
В узле: 8
29
80-3405036
Пластина
В узле: 4
30
80-3405023
Сошка
В узле: 1
31
8х70
Палец
В узле: 1
32
80-3405035
Гайка
В узле: 1
33
II-2-55х80-1
Манжета
В узле: 1
34
КГ1/4"
Пробка
В узле: 1
35
80-3405031
Корпус
В узле: 1
37
80-3405053
Болт стопорный
В узле: 1
38
055-063-46-1-4
Кольцо
В узле: 1
39
80-3405032
Втулка
В узле: 1
40
2Б25
Кольцо
В узле: 1
41
80-3405027
Шток
В узле: 1
Содержащиеся в справочниках-каталогах запасные части и детали не предлагаются к продаже, а носят исключительно информационный характер

Ваша заявка была отправлена. В ближайшее время наши специалисты с Вами свяжутся по указанному Вами телефону.

Представьтесь
Поле обязательно для заполнения
Ваш телефон
Введите правильный номер телефона
E-mail
Введите правильный e-mail
Тема
Тема
применяемость финансирование доставка цена, наличие другое сервис и гарантия
Время для звонка
08:00
08:00 09:00 10:00 11:00 12:00 13:00 14:00 15:00 16:00 17:00 18:00 19:00
19:00
08:00 09:00 10:00 11:00 12:00 13:00 14:00 15:00 16:00 17:00 18:00 19:00

Мы постараемся перезвонить в указанное время

Если вы не хотите ждать, то звоните нашим вежливым консультантам:

8 800 100-2-700
Подтвердите, что вы не робот
Подтвердите, что вы не робот
Спасибо!

Ваше сообщение успешно отправлено!

ЗакрытьПовторить попытку