Каталог запасных частей к технике: МТЗ-100. Насос шестеренный

zoom-in zoom-out enlarge shrink circle-right circle-left file-text2 info cart arraw right arraw left zoom out zoom in arraw maximize arraw minimize
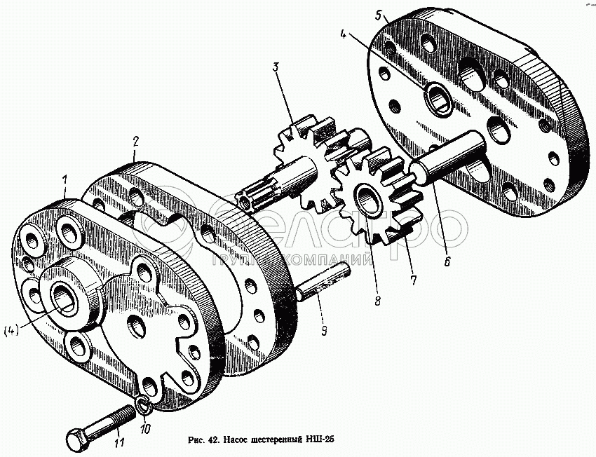
1
2
3
4
4
5
6
7
8
9
10
11
НМШ25-02-00
Крышка верхняя со втулкой свертной в сборе
В узле: 1
НМШ25-01-00
Крышка нижняя со втулкой свертной и осью в сборе
В узле: 1
НМШ25-00-00
Насос шестеренный
В узле: 1
НМШ50-50-03
Шестерня ведомая со втулкой в сборе
В узле: 1
1
НМШ25-01-01
Крышка нижняя
В узле: 1
2
НМШ25-00-01
Корпус
В узле: 1
3
НМШ50-00-02
Шестерня ведущая
В узле: 1
4
НМШ50-02-02
Втулка свертная
В узле: 2
5
НМШ25-02-01
Крышка верхняя
В узле: 1
6
НМШ25-04-01
Ось
В узле: 1
7
НМШ50-03-01
Шестерня ведомая
В узле: 1
8
НМШ50-03 02
Втулка
В узле: ---
9
10х40
Штифт
В узле: 2
10
ШП10
Шайба
В узле: 4
11
М10х45
Болт
В узле: 4
Содержащиеся в справочниках-каталогах запасные части и детали не предлагаются к продаже, а носят исключительно информационный характер

Ваша заявка была отправлена. В ближайшее время наши специалисты с Вами свяжутся по указанному Вами телефону.

Представьтесь
Поле обязательно для заполнения
Ваш телефон
Введите правильный номер телефона
E-mail
Введите правильный e-mail
Тема
Тема
применяемость финансирование доставка цена, наличие другое сервис и гарантия
Время для звонка
08:00
08:00 09:00 10:00 11:00 12:00 13:00 14:00 15:00 16:00 17:00 18:00 19:00
19:00
08:00 09:00 10:00 11:00 12:00 13:00 14:00 15:00 16:00 17:00 18:00 19:00

Мы постараемся перезвонить в указанное время

Если вы не хотите ждать, то звоните нашим вежливым консультантам:

8 800 100-2-700
Подтвердите, что вы не робот
Подтвердите, что вы не робот
Спасибо!

Ваше сообщение успешно отправлено!

ЗакрытьПовторить попытку