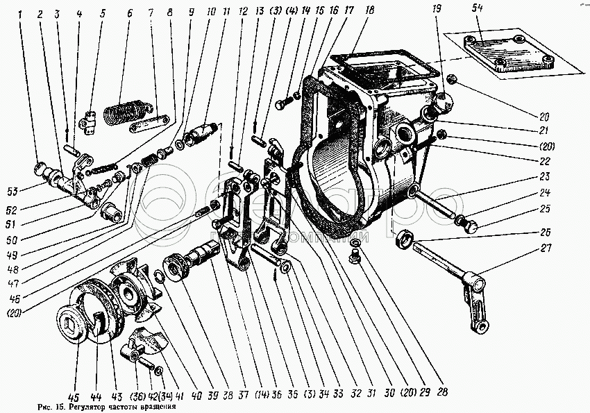
Каталог запасных частей к технике: МТЗ-100. Регулятор частоты вращения

zoom-in zoom-out enlarge shrink circle-right circle-left file-text2 info cart arraw right arraw left zoom out zoom in arraw maximize arraw minimize
1
2
3
3
3
4
4
5
6
7
8
9
10
11
12
13
14
14
15
16
17
18
19
20
20
20
20
21
22
23
24
25
26
27
28
29
30
31
32
33
34
34
35
36
36
37
38
39
40
41
42
43
44
45
46
47
48
49
50
51
52
53
54
УТН-5-1110240-И
Ступица в сборе
В узле: 1
УТН5-1110240-И Ступица МТЗ,ЗИЛ грузов с грузами, РФ <10 шт. 7 577.30 р.
УТН-5-1110160-Е
Груз со втулкой в сборе
В узле: 4
УТН-5-1110021-Б
Втулка
В узле: 1
УТН-5-1110200-В
Рычаг УТН-5-1110195-К со втулкой в сборе
В узле: 1
УТН-5-1110290-А
Рычаг УТН-5-1110274-А со втулкой в сборе
В узле: 1
УТН-5-1110274-А
Рычаг
В узле: 1
УТН-5А-1110010-В
Регулятор в сборе
В узле: 1
4УТНМ-Т-1110010-01
Регулятор в сборе
В узле: 1
УТН-5-1110144-Б
Муфта
В узле: 1
УТН-5-1110230-В3
Корректор в сборе
В узле: 1
УТН-5-1110020-В1
Корпус в сборе
В узле: 1
4УТНМ-Т-1110020
Корпус в сборе
В узле: 1
УТН-5-1110025-И
Корпус
В узле: 1
УТН-5-1110302-А
Прокладка
В узле: 1
1
17-071
Заглушка
В узле: 2
2
УТН-5-1110155-Г5
Рычаг
В узле: 1
3
2х10
Шплинт
В узле: 4
4
ОНМ-087
Палец
В узле: 2
5
УТН-5-1110171-Г
Серьга
В узле: 1
6
УТН-5-1110187-Д
Пружина
В узле: 1
7
УТН-5-1110304
Тяга
В узле: 1
8
УТН-5-1110193
Пружина
В узле: 1
9
УТН-5-1110233-Б2
Шток
В узле: 1
10
УТН-5-1110232
Прокладка
В узле: 6
11
УТН-5-1110231-Б
Корпус
В узле: 1
12
2х16
Шплинт
В узле: 2
13
УТН-5-1110403
Палец
В узле: 2
14
М6х20
Винт
В узле: 4
15
ШП6
Шайба
В узле: 4
16
УТН-5-1110303
Прокладка
В узле: 1
17
4УТНМ-Т-1110025
Корпус
В узле: 1
18
4УТНМ-Т-1110302
Прокладка
В узле: 1
19
УТН-5-1110411
Пробка
В узле: 1
20
М6
Гайка
В узле: 4
21
УТН-5-1110412
Прокладка
В узле: 1
22
УТН-5-1110401-Б3
Винт
В узле: 1
23
Д40-1110365-Б
Ось
В узле: 1
24
Д40-1110386-А
Прокладка
В узле: 1
25
УТН-5-1110409
Заглушка
В узле: 1
26
1.1-10х22-3
Манжета
В узле: 1
27
УТН-5-1110308-Д
Рычаг управления
В узле: 1
28
ОНМ-086-1
Прокладка
В узле: 1
29
ОНМ-019-2
Болт
В узле: 1
30
4УТНМ-Т-1110274-10
Рычаг
В узле: 1
31
УТН-3-1110026
Упор
В узле: 1
32
ОНМ-170
Втулка
В узле: 2
33
УТН-5-1110191
Ось ролика
В узле: 1
34
УТН-5-1110242-Б
Шайба
В узле: 8
35
УТН-5-1110195-К
Рычаг
В узле: 1
36
УТН-5-1110166
Втулка
В узле: 5
37
4УТНМ-Т-1110144-10
Муфта
В узле: 1
38
7204А
Подшипник
В узле: 1
39
УТН-3-1110311-Б
Кольцо
В узле: 1
40
УТН-5-1110240
Ступица
В узле: 1
41
УТН-5-1110165-Е
Груз
В узле: 4
42
УТН-5-1110241
Ось грузов
В узле: 4
43
8110
Шарикоподшипник ГОСТ 6874-75
В узле: 1
44
236-1110517-Б
Сухарь
В узле: 4
45
УТН-5-1110251-Г2
Шайба
В узле: 1
46
УТН-5-1110196-А
Шпилька
В узле: 1
47
УТН-5-1110234-Д
Пружина
В узле: 1
48
УТН-5-1110238-А1
Тарелка
В узле: 1
49
УТН-5-1110237
Скоба
В узле: 1
50
УТН-5-1110235-Б2
Винт
В узле: 1
51
М5х12
Болт
В узле: 1
52
УТН-5-1110156
Шайба
В узле: 1
53
4УТНМ-1110021
Втулка
В узле: 2
54
УТН-5-1110301-Д
Крышка
В узле: 1
Содержащиеся в справочниках-каталогах запасные части и детали не предлагаются к продаже, а носят исключительно информационный характер

Ваша заявка была отправлена. В ближайшее время наши специалисты с Вами свяжутся по указанному Вами телефону.

Представьтесь
Поле обязательно для заполнения
Ваш телефон
Введите правильный номер телефона
E-mail
Введите правильный e-mail
Тема
Тема
применяемость финансирование доставка цена, наличие другое сервис и гарантия
Время для звонка
08:00
08:00 09:00 10:00 11:00 12:00 13:00 14:00 15:00 16:00 17:00 18:00 19:00
19:00
08:00 09:00 10:00 11:00 12:00 13:00 14:00 15:00 16:00 17:00 18:00 19:00

Мы постараемся перезвонить в указанное время

Если вы не хотите ждать, то звоните нашим вежливым консультантам:

8 800 100-2-700
Подтвердите, что вы не робот
Подтвердите, что вы не робот
Спасибо!

Ваше сообщение успешно отправлено!

ЗакрытьПовторить попытку