Каталог запасных частей к технике: МТЗ-100. Регулятор давления

zoom-in zoom-out enlarge shrink circle-right circle-left file-text2 info cart arraw right arraw left zoom out zoom in arraw maximize arraw minimize
1
2
3
4
5
6
7
8
8
9
10
10
11
12
13
14
15
16
17
18
19
20
21
22
23
24
25
26
27
28
29
30
31
32
33
34
35
36
37
38
39
40
41
42
43
44
45
46
47
47
48
49
50
51
52
53
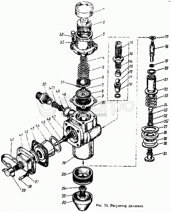
А29.51.700
Поршень в сборе
В узле: 1
А29.51.130
Клапан разгрузочный в сборе
В узле: 1
А29.51.000-Б
Регулятор давления в сборе
В узле: 1
1
А29.51.025
Колпак
В узле: 1
2
А29.51.015
Крышка
В узле: 1
3
А29.51.041
Корпус
В узле: 1
4
А29.51.018-Б
Пружина
В узле: 1
5
А29.51.017-А
Пружина
В узле: 1
6
А29.51.019
Шайба
В узле: 1
7
М6
Гайка
В узле: 1
8
А29.51.022
Шайба
В узле: 2
9
А29.51.042
Диафрагма
В узле: 2
10
010-014-25-1-3
Кольцо
В узле: 2
11
А29.51.038
Седло
В узле: 1
12
10-40
Шарик
В узле: 1
13
120-3513057
Сухарь
В узле: 1
14
120-3513060
Пружина
В узле: 1
15
120-3513063
Гайка
В узле: 1
16
120-3513062
Винт
В узле: 1
17
А29.51.021
Шайба
В узле: 1
18
А29.51.005
Поршень
В узле: 1
19
006-010-25-1-3
Кольцо
В узле: 1
20
016-020-25-1-3
Кольцо
В узле: 1
21
А29.51.109
Поршень
В узле: 1
22
А29.51.118
Шайба
В узле: 1
23
50-1702137-Б
Пружина
В узле: 1
24
А29.51.119
Клапан
В узле: 1
25
А29.51.120
Шайба
В узле: 1
26
А29.51.103-А
Пружина
В узле: 1
27
А29.51.040
Прокладка
В узле: 9
28
А29.51.111
Седло
В узле: 1
29
А29.51.116
Втулка
В узле: 1
30
А29.51.115
Шайба
В узле: 1
31
А29.51.117
Стержень
В узле: 1
32
А29.51.032
Насадка
В узле: 1
33
М10х30
Болт
В узле: 1
34
М10
Гайка
В узле: 1
35
А29.51.033
Крышка
В узле: 1
36
А29.51.110
Корпус
В узле: 1
37
ШП5
Шайба
В узле: 4
38
В1М5х18
Винт
В узле: 4
39
А29.51.024
Гайка-барашек
В узле: 1
40
А29.51.031
Петля
В узле: 1
41
А29.51.034
Крышка
В узле: 1
42
024-030-36-1-3
Кольцо
В узле: 1
43
А29.51.035
Прокладка
В узле: 1
44
А29.51.004-01
Фильтр
В узле: 1
45
А29.51.002
Прокладка
В узле: 1
46
А29.51.300
Клапан
В узле: 1
47
127-3514238
Пружина
В узле: 2
48
А29.51.009
Прокладка
В узле: 1
49
А29.51.200
Клапан
В узле: 1
50
А29.51.008
Штуцер
В узле: 1
51
1,6х16
Шплинт
В узле: 1
52
ШП6
Шайба
В узле: 4
53
М6х20
Винт
В узле: 4
Содержащиеся в справочниках-каталогах запасные части и детали не предлагаются к продаже, а носят исключительно информационный характер

Ваша заявка была отправлена. В ближайшее время наши специалисты с Вами свяжутся по указанному Вами телефону.

Представьтесь
Поле обязательно для заполнения
Ваш телефон
Введите правильный номер телефона
E-mail
Введите правильный e-mail
Тема
Тема
применяемость финансирование доставка цена, наличие другое сервис и гарантия
Время для звонка
08:00
08:00 09:00 10:00 11:00 12:00 13:00 14:00 15:00 16:00 17:00 18:00 19:00
19:00
08:00 09:00 10:00 11:00 12:00 13:00 14:00 15:00 16:00 17:00 18:00 19:00

Мы постараемся перезвонить в указанное время

Если вы не хотите ждать, то звоните нашим вежливым консультантам:

8 800 100-2-700
Подтвердите, что вы не робот
Подтвердите, что вы не робот
Спасибо!

Ваше сообщение успешно отправлено!

ЗакрытьПовторить попытку