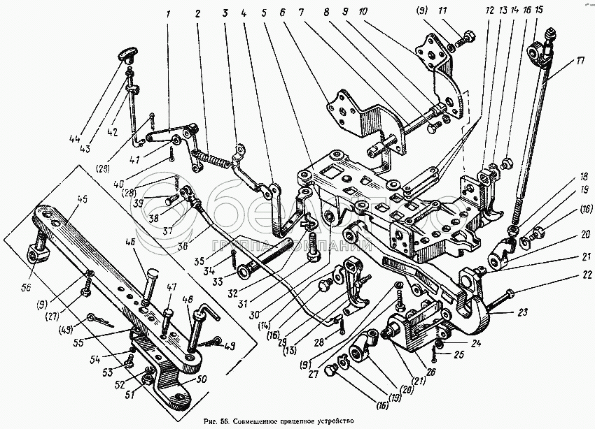
Каталог запасных частей к технике: МТЗ-100. Совмещенное прицепное устройство
1
2
3
4
5
6
7
8
9
9
9
9
10
11
12
13
13
14
14
15
16
16
16
16
17
18
19
19
20
20
21
21
22
23
24
25
26
27
27
28
28
28
29
30
31
32
33
34
35
36
37
38
39
40
41
42
43
44
44
45
46
47
48
49
49
50
51
52
53
54
55
56
|
49
А61.07.001
Шплинт
В узле: 1
|
|||||||||||||||||||||||||||||||||||||||||||||||||||||||||||||||||||||||||||||||||||||||
| А61.07.001 Шплинт МТЗ, |
|
>10 шт. | 10.80 р. | ||||||||||||||||||||||||||||||||||||||||||||||||||||||||||||||||||||||||||||||||||||
|
55
50-3503064
Втулка
В узле: 1
|
|||||||||||||||||||||||||||||||||||||||||||||||||||||||||||||||||||||||||||||||||||||||
| 50-3503064 Втулка МТЗ корпуса сцепления и рычагов педали тормоза , МЗШ |
|
>10 шт. | 264.78 р. | ||||||||||||||||||||||||||||||||||||||||||||||||||||||||||||||||||||||||||||||||||||
|
31
40-3104021
Болт
В узле: 4
|
|||||||||||||||||||||||||||||||||||||||||||||||||||||||||||||||||||||||||||||||||||||||
| 40-3104021 Болт колеса заднего МТЗ, ЮМЗ, (А) |
|
>10 шт. | 66.97 р. | ||||||||||||||||||||||||||||||||||||||||||||||||||||||||||||||||||||||||||||||||||||
|
48
50-4605079-Б
Шкворень
В узле: 1
|
|||||||||||||||||||||||||||||||||||||||||||||||||||||||||||||||||||||||||||||||||||||||
| 50-4605079-Б Шкворень МТЗ вилки поперечины, (А) |
|
Под заказ | 250.72 р. | ||||||||||||||||||||||||||||||||||||||||||||||||||||||||||||||||||||||||||||||||||||
| 50-4605079-Б Шкворень МТЗ вилки поперечины, ВЗТЗЧ |
|
>10 шт. | 514.17 р. | ||||||||||||||||||||||||||||||||||||||||||||||||||||||||||||||||||||||||||||||||||||
|
2
50-1605152
Пружина
В узле: 1
|
|||||||||||||||||||||||||||||||||||||||||||||||||||||||||||||||||||||||||||||||||||||||
| 50-1605152 Пружина МТЗ, Беларусь |
|
Под заказ | 145.06 р. | ||||||||||||||||||||||||||||||||||||||||||||||||||||||||||||||||||||||||||||||||||||
|
18
40-3405062
Гайка
В узле: 2
|
|||||||||||||||||||||||||||||||||||||||||||||||||||||||||||||||||||||||||||||||||||||||
| 40-3405062 Гайка МТЗ, САЗ |
|
>10 шт. | 65.73 р. | ||||||||||||||||||||||||||||||||||||||||||||||||||||||||||||||||||||||||||||||||||||
|
35
80-4619019
Палец
В узле: 1
|
|||||||||||||||||||||||||||||||||||||||||||||||||||||||||||||||||||||||||||||||||||||||
| 80-4619019 Палец МТЗ крепления гидроцилиндра Ц-100, нижний |
|
<10 шт. | 626.78 р. | ||||||||||||||||||||||||||||||||||||||||||||||||||||||||||||||||||||||||||||||||||||
|
38
50-3502203
Вилка
В узле: 1
|
|||||||||||||||||||||||||||||||||||||||||||||||||||||||||||||||||||||||||||||||||||||||
| 50-3502203 Вилка соединительная МТЗ |
|
Под заказ | 291.90 р. | ||||||||||||||||||||||||||||||||||||||||||||||||||||||||||||||||||||||||||||||||||||
|
16
80-2707137
Болт
В узле: 4
|
|||||||||||||||||||||||||||||||||||||||||||||||||||||||||||||||||||||||||||||||||||||||
| 80-2707137 Болт МТЗ устройства прицепного |
|
>10 шт. | 364.44 р. | ||||||||||||||||||||||||||||||||||||||||||||||||||||||||||||||||||||||||||||||||||||
|
15
70-2807051
Серьга
В узле: 2
|
|||||||||||||||||||||||||||||||||||||||||||||||||||||||||||||||||||||||||||||||||||||||
| 70-2807051 серьга |
|
>10 шт. | 846.08 р. | ||||||||||||||||||||||||||||||||||||||||||||||||||||||||||||||||||||||||||||||||||||
|
32
70-2807044
Шайба
В узле: 4
|
|||||||||||||||||||||||||||||||||||||||||||||||||||||||||||||||||||||||||||||||||||||||
| 70-2807044 Шайба МТЗ |
|
<10 шт. | 54.28 р. | ||||||||||||||||||||||||||||||||||||||||||||||||||||||||||||||||||||||||||||||||||||
|
20
70-2807053-Б
Гайка тяги
В узле: 2
|
|||||||||||||||||||||||||||||||||||||||||||||||||||||||||||||||||||||||||||||||||||||||
| 70-2807053-Б Гайка МТЗ, ВЗТЗЧ |
|
<10 шт. | 553.21 р. | ||||||||||||||||||||||||||||||||||||||||||||||||||||||||||||||||||||||||||||||||||||
|
17
70-2807052-Б
Винт тяги
В узле: 2
|
|||||||||||||||||||||||||||||||||||||||||||||||||||||||||||||||||||||||||||||||||||||||
| 70-2807052-Б винт |
|
<10 шт. | 1 301.65 р. | ||||||||||||||||||||||||||||||||||||||||||||||||||||||||||||||||||||||||||||||||||||
|
19
80-2707138
Шайба
В узле: 2
|
|||||||||||||||||||||||||||||||||||||||||||||||||||||||||||||||||||||||||||||||||||||||
| 80-2707138 Шайба МТЗ прицепного устройства |
|
<10 шт. | 25.68 р. | ||||||||||||||||||||||||||||||||||||||||||||||||||||||||||||||||||||||||||||||||||||
|
6
80-2707116
Боковина
В узле: 1
|
|||||||||||||||||||||||||||||||||||||||||||||||||||||||||||||||||||||||||||||||||||||||
| 80-2707116 Боковина МТЗ устройства прицепного, ВЗТЗЧ |
|
<10 шт. | 2 668.40 р. | ||||||||||||||||||||||||||||||||||||||||||||||||||||||||||||||||||||||||||||||||||||
|
10
80-2707116-01
Боковина
В узле: 1
|
|||||||||||||||||||||||||||||||||||||||||||||||||||||||||||||||||||||||||||||||||||||||
| 80-2707116-01 Боковина МТЗ устройства прицепного, ВЗТЗЧ |
|
<10 шт. | 2 668.40 р. | ||||||||||||||||||||||||||||||||||||||||||||||||||||||||||||||||||||||||||||||||||||
|
12
70-2807039
Пластина 1,0 мм
В узле: 2
|
|||||||||||||||||||||||||||||||||||||||||||||||||||||||||||||||||||||||||||||||||||||||
| 70-2807039 Пластина МТЗ регулировочная 1,0 мм |
|
Под заказ | 73.16 р. | ||||||||||||||||||||||||||||||||||||||||||||||||||||||||||||||||||||||||||||||||||||
|
70-2807039-02
Пластина 0,2 мм
В узле: 2
|
|||||||||||||||||||||||||||||||||||||||||||||||||||||||||||||||||||||||||||||||||||||||
| 70-2807039-02 Пластина МТЗ регулировочная 0,2 мм |
|
Под заказ | 70.76 р. | ||||||||||||||||||||||||||||||||||||||||||||||||||||||||||||||||||||||||||||||||||||
Содержащиеся в справочниках-каталогах запасные части и детали не предлагаются к продаже, а носят исключительно информационный характер