Каталог запасных частей к технике: МТЗ-1021.3. Корпус гидросистемы 1021-4600015

zoom-in zoom-out enlarge shrink circle-right circle-left file-text2 info cart arraw right arraw left zoom out zoom in arraw maximize arraw minimize
1021-4600015
1
2
3
4
4
4
4
4
5
6
6
7
7
7
7
7
7
7
7
8
9
10
11
11
11
11
12
12
13
13
13
14
14
15
16
17
18
19
19
20
21
22
23
23
24
24
25
25
26
27
27
28
28
29
30
31
32
32
32
33
34
34
34
34
34
35
35
36
37
13
40-4607033-А
Шайба
В узле: 4
40-4607033-А Шайба МТЗ многоцелевая (большая) <10 шт. 108.08 р.
26
40-4607032
Болт
В узле: 6
40-4607032 Болт МТЗ, БЗТДиА >10 шт. 538.63 р.
12
40-4607037
Болт
В узле: 2
40-4607037 Болт МТЗ, БЗТДиА <10 шт. 716.36 р.
36
50-4607096-А
Патрубок
В узле: 1
50-4607096-А Патрубок МТЗ к НШ32М-3, Беларусь Под заказ 545.74 р.
50-4607096-А Патрубок (У) Под заказ 679.92 р.
31
50-4607031
Болт
В узле: 1
50-4607031 Болт МТЗ, БЗТДиА Под заказ 397.73 р.
20
С80-4607375
Труба
В узле: 1
С80-4607375 Труба МТЗ <10 шт. 980.36 р.
34
НШ 32М-3
Насос шестеренный
В узле: 1
НШ 32М-3 Насос шестеренный правый SPILE Под заказ 4 633.77 р.
30
80В-1108570
Кронштейн
В узле: 1
80В-1108570 Кронштейн МТЗ Под заказ 610.77 р.
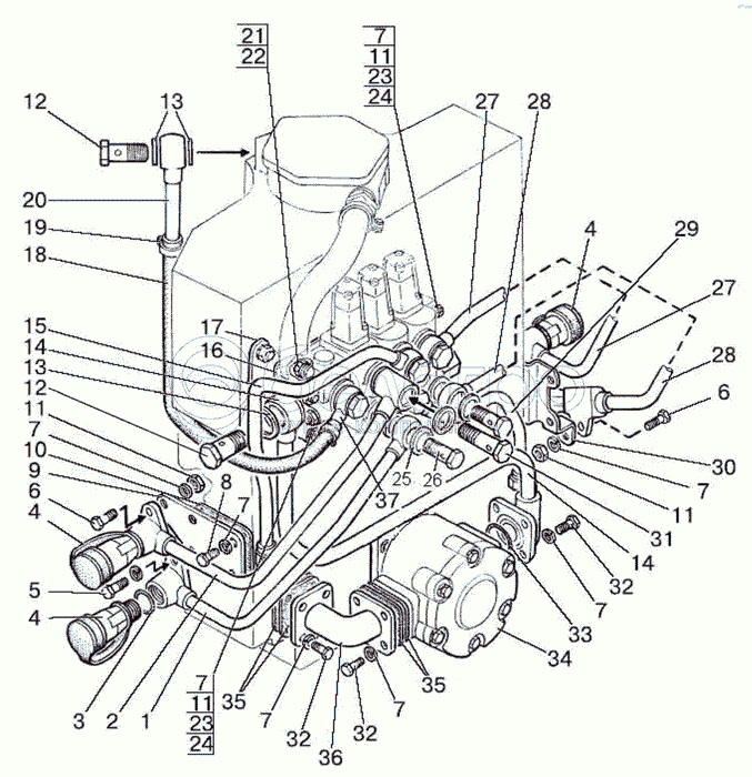
1021-4600015
Корпус гидросистемы
В узле: 1
1
С80-4607130
Труба
В узле: 1
2
С80-4607120
Труба
В узле: 1
3
017-022-30-1-4
Кольцо
В узле: 5
4
М036.50Б.10
Корпус левый
В узле: 4
4
НР10-3МХ0041А0
Муфта
В узле: 4
4
PPV3.1320.703
Корпус левый
В узле: 4
5
M8-6gx35.88.35.019
Болт
В узле: 1
6
M8-6gx30.88.35.019
Болт
В узле: 3
7
Шайба
В узле: 32
8
M8-6gx20.88.35.019
Болт
В узле: 3
9
80-4608019-01
Крышка
В узле: 1
10
70-4608033-01
Прокладка
В узле: 1
11
М8-6Н.6.019
Гайка
В узле: 7
13
РМ 24
Шайба
В узле: 4
14
С80-4607075-Г
Труба
В узле: 1
15
С80-4607165
Труба
В узле: 1
16
С80-4607030
Кронштейн
В узле: 1
17
50-4607032-Б
Кронштейн
В узле: 1
18
С80-4607063
Шланг
В узле: 1
19
16-25/9-C6W
Хомут «Норма»
В узле: 2
19
ХС-21
Хомут
В узле: 2
21
M10-6gx20.88.35.019
Болт
В узле: 4
22
10 ОТ
Шайба
В узле: 12
23
M8-6gx65.88.35.019
Болт
В узле: 4
24
С 8.01.019
Шайба
В узле: 4
25
40-4607038А
Шайба
В узле: 14
25
РМ1/2
Шайба
В узле: 14
27
С80-4607110
Труба
В узле: 1
28
1021-4607115
Труба
В узле: 1
29
С80-4607175
Труба
В узле: 1
32
M8-6gx25.88.35.019
Болт
В узле: 20
33
035-040-30-1-4
Кольцо
В узле: 1
34
НШ 32МА-3
Насос шестеренный
В узле: 1
34
НШ 32УКФ-3
Насос шестеренный
В узле: 1
34
НШ 32Д-3
Насос шестеренный
В узле: 1
34
НШ 32УВ-3
Насос шестеренный
В узле: 1
35
50-4607097-01
Прокладка
В узле: 4
37
С80-4607380
Труба
В узле: 1
Содержащиеся в справочниках-каталогах запасные части и детали не предлагаются к продаже, а носят исключительно информационный характер

Ваша заявка была отправлена. В ближайшее время наши специалисты с Вами свяжутся по указанному Вами телефону.

Представьтесь
Поле обязательно для заполнения
Ваш телефон
Введите правильный номер телефона
E-mail
Введите правильный e-mail
Тема
Тема
применяемость финансирование доставка цена, наличие другое сервис и гарантия
Время для звонка
08:00
08:00 09:00 10:00 11:00 12:00 13:00 14:00 15:00 16:00 17:00 18:00 19:00
19:00
08:00 09:00 10:00 11:00 12:00 13:00 14:00 15:00 16:00 17:00 18:00 19:00

Мы постараемся перезвонить в указанное время

Если вы не хотите ждать, то звоните нашим вежливым консультантам:

8 800 100-2-700
Подтвердите, что вы не робот
Подтвердите, что вы не робот
Спасибо!

Ваше сообщение успешно отправлено!

ЗакрытьПовторить попытку