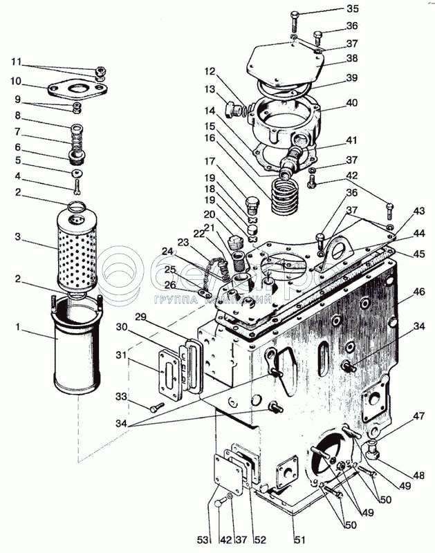
Каталог запасных частей к технике: МТЗ-1021.3. Корпус гидросистемы и фильтр
85-4608010
1
2
2
3
3
4
5
5
6
7
8
9
10
11
12
12
13
14
15
16
17
18
19
19
20
21
22
22
23
24
25
26
29
30
31
33
34
34
35
36
36
37
37
37
37
38
39
40
41
42
42
43
44
45
46
47
47
48
49
49
49
50
50
50
51
52
53
|
12
40-4607033-А
Шайба
В узле: 1
|
|||||||||||||||||||||||||||||||||||||||||||||||||||||||||||||||||||||||||||||||||||||||
| 40-4607033-А Шайба МТЗ многоцелевая (большая) |
|
>10 шт. | 108.74 р. | ||||||||||||||||||||||||||||||||||||||||||||||||||||||||||||||||||||||||||||||||||||
|
47
40-4607038-А
Шайба
В узле: 1
|
|||||||||||||||||||||||||||||||||||||||||||||||||||||||||||||||||||||||||||||||||||||||
| 40-4607038 А Шайба МТЗ навестного оборудования |
|
Под заказ | 94.39 р. | ||||||||||||||||||||||||||||||||||||||||||||||||||||||||||||||||||||||||||||||||||||
|
16
85-4608057
Пружина
В узле: 1
|
|||||||||||||||||||||||||||||||||||||||||||||||||||||||||||||||||||||||||||||||||||||||
| 85-4608057 Пружина МТЗ, Беларусь |
|
<10 шт. | 314.71 р. | ||||||||||||||||||||||||||||||||||||||||||||||||||||||||||||||||||||||||||||||||||||
|
13
85-4608021
Пробка
В узле: 1
|
|||||||||||||||||||||||||||||||||||||||||||||||||||||||||||||||||||||||||||||||||||||||
| 85-4608021 пробка (РБ) |
|
<10 шт. | 107.06 р. | ||||||||||||||||||||||||||||||||||||||||||||||||||||||||||||||||||||||||||||||||||||
|
17
50-4608059
Пробка сапуна
В узле: 1
|
|||||||||||||||||||||||||||||||||||||||||||||||||||||||||||||||||||||||||||||||||||||||
| 50-4608059 Пробка МТЗ сапуна , САЗ |
|
<10 шт. | 140.08 р. | ||||||||||||||||||||||||||||||||||||||||||||||||||||||||||||||||||||||||||||||||||||
|
5
А28.04.10.000
Клапан 8.20.004 в сборе
В узле: 1
|
|||||||||||||||||||||||||||||||||||||||||||||||||||||||||||||||||||||||||||||||||||||||
| А28.04.10.000 Клапан МТЗ масляного фильтра |
|
<10 шт. | 1 330.34 р. | ||||||||||||||||||||||||||||||||||||||||||||||||||||||||||||||||||||||||||||||||||||
|
1
А28.04.20.000-А1
Корпус
В узле: 1
|
|||||||||||||||||||||||||||||||||||||||||||||||||||||||||||||||||||||||||||||||||||||||
| А28.04.20.000-А1 Корпус МТЗ фильтра бака масляного |
|
Под заказ | 2 033.86 р. | ||||||||||||||||||||||||||||||||||||||||||||||||||||||||||||||||||||||||||||||||||||
|
22
85-4608090
Клапан 85-4608091 в сборе
В узле: 1
|
|||||||||||||||||||||||||||||||||||||||||||||||||||||||||||||||||||||||||||||||||||||||
| 85-4608090 Клапан МТЗ гидробака в сб. |
|
Под заказ | 506.03 р. | ||||||||||||||||||||||||||||||||||||||||||||||||||||||||||||||||||||||||||||||||||||
|
38
85-4608022
Крышка
В узле: 1
|
|||||||||||||||||||||||||||||||||||||||||||||||||||||||||||||||||||||||||||||||||||||||
| 85-4608022 Крышка гидробака МТЗ |
|
Под заказ | 660.97 р. | ||||||||||||||||||||||||||||||||||||||||||||||||||||||||||||||||||||||||||||||||||||
|
10
А28.04.00.001
Ограничитель
В узле: 1
|
|||||||||||||||||||||||||||||||||||||||||||||||||||||||||||||||||||||||||||||||||||||||
| А28.04.00.001 Ограничитель корпуса МТЗ масляного фильтра |
|
Под заказ | 76.13 р. | ||||||||||||||||||||||||||||||||||||||||||||||||||||||||||||||||||||||||||||||||||||
|
21
А61-С06-А3
Фильтр
В узле: 1
|
|||||||||||||||||||||||||||||||||||||||||||||||||||||||||||||||||||||||||||||||||||||||
| А61-С06-А3 Фильтр гидробака МТЗ управления рулевого |
|
Под заказ | 424.62 р. | ||||||||||||||||||||||||||||||||||||||||||||||||||||||||||||||||||||||||||||||||||||
|
18
50-4608063
Фильтр
В узле: 1
|
|||||||||||||||||||||||||||||||||||||||||||||||||||||||||||||||||||||||||||||||||||||||
| 50-4608063 Фильтр МТЗ |
|
Под заказ | 9.89 р. | ||||||||||||||||||||||||||||||||||||||||||||||||||||||||||||||||||||||||||||||||||||
|
19
50-4608062
Шайба сапуна
В узле: 2
|
|||||||||||||||||||||||||||||||||||||||||||||||||||||||||||||||||||||||||||||||||||||||
| 50-4608062 Шайба МТЗ сапуна |
|
Под заказ | 14.34 р. | ||||||||||||||||||||||||||||||||||||||||||||||||||||||||||||||||||||||||||||||||||||
|
15
85-4607034
Штуцер
В узле: 1
|
|||||||||||||||||||||||||||||||||||||||||||||||||||||||||||||||||||||||||||||||||||||||
| 85-4607034 Штуцер МТЗ |
|
Под заказ | 585.29 р. | ||||||||||||||||||||||||||||||||||||||||||||||||||||||||||||||||||||||||||||||||||||
|
46
85-4608016-А
Корпус гидросистемы
В узле: 1
|
|||||||||||||||||||||||||||||||||||||||||||||||||||||||||||||||||||||||||||||||||||||||
| 85-4608016-А Корпус гидросистемы МТЗ |
|
Под заказ | 28 453.85 р. | ||||||||||||||||||||||||||||||||||||||||||||||||||||||||||||||||||||||||||||||||||||
Содержащиеся в справочниках-каталогах запасные части и детали не предлагаются к продаже, а носят исключительно информационный характер