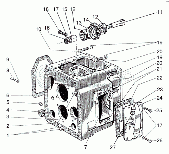
Каталог запасных частей к технике: МТЗ-1021.3. Корпус КП, привод ПВМ
1
2
3
4
5
6
7
8
9
10
11
12
12
13
14
14
15
16
17
17
18
19
19
20
20
21
22
23
24
25
26
27
|
22
50-1701456-А
Прокладка
В узле: 1
|
|||||||||||||||||||||||||||||||||||||||||||||||||||||||||||||||||||||||||||||||||||||||
| 50-1701456-А Прокладка МТЗ левого лючка корпуса КПП (под ГХУ), Беларусь |
|
>10 шт. | 26.13 р. | ||||||||||||||||||||||||||||||||||||||||||||||||||||||||||||||||||||||||||||||||||||
|
6
50-1701459
Прокладка
В узле: 1
|
|||||||||||||||||||||||||||||||||||||||||||||||||||||||||||||||||||||||||||||||||||||||
| 50-1701459 Прокладка МТЗ крышки КПП (паронит), Беларусь |
|
>10 шт. | 31.65 р. | ||||||||||||||||||||||||||||||||||||||||||||||||||||||||||||||||||||||||||||||||||||
|
14
52-1802091
Шестерня
В узле: 1
|
|||||||||||||||||||||||||||||||||||||||||||||||||||||||||||||||||||||||||||||||||||||||
| 52-1802091 Шестерня МТЗ z=22, МЗШ |
|
>10 шт. | 2 662.20 р. | ||||||||||||||||||||||||||||||||||||||||||||||||||||||||||||||||||||||||||||||||||||
| 52-1802091 Шестерня МТЗ z=22, (А) |
|
Под заказ | 652.70 р. | ||||||||||||||||||||||||||||||||||||||||||||||||||||||||||||||||||||||||||||||||||||
|
15
52-1802092-Б
Втулка
В узле: 1
|
|||||||||||||||||||||||||||||||||||||||||||||||||||||||||||||||||||||||||||||||||||||||
| 52-1802092-Б Втулка МТЗ, САЗ |
|
>10 шт. | 562.07 р. | ||||||||||||||||||||||||||||||||||||||||||||||||||||||||||||||||||||||||||||||||||||
| 52-1802092-Б Втулка МТЗ, (А) |
|
>10 шт. | 141.04 р. | ||||||||||||||||||||||||||||||||||||||||||||||||||||||||||||||||||||||||||||||||||||
|
18
52-1802093
Винт
В узле: 1
|
|||||||||||||||||||||||||||||||||||||||||||||||||||||||||||||||||||||||||||||||||||||||
| 52-1802093 Винт МТЗ, БЗТДиА |
|
>10 шт. | 227.60 р. | ||||||||||||||||||||||||||||||||||||||||||||||||||||||||||||||||||||||||||||||||||||
|
21
Д01-015
Штифт установочный
В узле: 4
|
|||||||||||||||||||||||||||||||||||||||||||||||||||||||||||||||||||||||||||||||||||||||
| Д01-015 Штифт МТЗ корпуса сцепления установочный, САЗ |
|
Под заказ | 41.53 р. | ||||||||||||||||||||||||||||||||||||||||||||||||||||||||||||||||||||||||||||||||||||
|
16
52-1802128
Гайка
В узле: 1
|
|||||||||||||||||||||||||||||||||||||||||||||||||||||||||||||||||||||||||||||||||||||||
| 52-1802128 Гайка МТЗ оси промежуточной шестерни, САЗ* |
|
Под заказ | 105.77 р. | ||||||||||||||||||||||||||||||||||||||||||||||||||||||||||||||||||||||||||||||||||||
|
1
50-4605027
Штифт
В узле: 2
|
|||||||||||||||||||||||||||||||||||||||||||||||||||||||||||||||||||||||||||||||||||||||
| 50-4605027 Штифт МТЗ, БЗТДиА |
|
Под заказ | 242.77 р. | ||||||||||||||||||||||||||||||||||||||||||||||||||||||||||||||||||||||||||||||||||||
|
13
52-1802097-А
Кольцо
В узле: 1
|
|||||||||||||||||||||||||||||||||||||||||||||||||||||||||||||||||||||||||||||||||||||||
| 52-1802097-А Кольцо уплотнительное МТЗ, Беларусь |
|
Под заказ | 462.29 р. | ||||||||||||||||||||||||||||||||||||||||||||||||||||||||||||||||||||||||||||||||||||
|
2
50-1701026
Прокладка
В узле: 1
|
|||||||||||||||||||||||||||||||||||||||||||||||||||||||||||||||||||||||||||||||||||||||
| 50-1701026 Прокладка МТЗ корпуса КПП (картон), Беларусь |
|
Под заказ | 86.42 р. | ||||||||||||||||||||||||||||||||||||||||||||||||||||||||||||||||||||||||||||||||||||
|
24
70-1701454-А2
Крышка
В узле: 1
|
|||||||||||||||||||||||||||||||||||||||||||||||||||||||||||||||||||||||||||||||||||||||
| 70-1701454А2 Крышка МТЗ |
|
<10 шт. | 1 872.14 р. | ||||||||||||||||||||||||||||||||||||||||||||||||||||||||||||||||||||||||||||||||||||
|
11
52-1802094
Ось
В узле: 1
|
|||||||||||||||||||||||||||||||||||||||||||||||||||||||||||||||||||||||||||||||||||||||
| 52-1802094 Ось МТЗ |
|
<10 шт. | 1 440.80 р. | ||||||||||||||||||||||||||||||||||||||||||||||||||||||||||||||||||||||||||||||||||||
|
23
70-1701415-А
Масломер
В узле: 1
|
|||||||||||||||||||||||||||||||||||||||||||||||||||||||||||||||||||||||||||||||||||||||
| 70-1701415-А Линейка МТЗ |
|
Под заказ | 448.57 р. | ||||||||||||||||||||||||||||||||||||||||||||||||||||||||||||||||||||||||||||||||||||
Содержащиеся в справочниках-каталогах запасные части и детали не предлагаются к продаже, а носят исключительно информационный характер