Каталог запасных частей к технике: МТЗ-1021.3. Щиток приборов

zoom-in zoom-out enlarge shrink circle-right circle-left file-text2 info cart arraw right arraw left zoom out zoom in arraw maximize arraw minimize
826-3805005
826-3805010-10
826-3805005-02
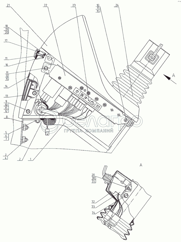
1
2
3
4
5
6
7
8
9
10
10
11
11
11
11
12
12
13
14
15
15
16
17
18
19
20
20
21
22
23
24
38
71
72
73
73
74
24
80-3805012-Б
Уплотнитель
В узле: 1
80-3805012-Б Уплотнитель МТЗ щитка приборов (чехол), Беларусь Под заказ 544.29 р.
72
80-3709023
Кожух
В узле: 1
80-3709023 Кожух МТЗ переключателя ПКП-1, Беларусь Под заказ 52.41 р.
48
80-3801327
Заглушка
В узле: 2
80-3801327 Заглушка МТЗ Под заказ 84.80 р.
22
80-3805070
Панель
В узле: 1
80-3805070 Панель МТЗ Под заказ 302.18 р.
826-3805005
Установка щитка приборов
В узле: 1
826-3805010-10
Щиток приборов
В узле: 1
826-3805005-02
Установка щитка приборов
В узле: 1
1
80-3805029
Уплотнитель
В узле: 1
2
80-3723049
Втулка
В узле: 1
3
М10-6Н.6.019
Гайка
В узле: 2
4
10 ОТ
Шайба
В узле: 2
5
М8-6gx16.88.35.019
Болт
В узле: 2
6
С.8.01.019
Шайба
В узле: 2
7
Шайба
В узле: 2
8
80-3805030
Кронштейн
В узле: 2
9
М6-6gx16.88.35.019
Болт
В узле: 4
10
М6-6Н.6.019
Гайка
В узле: 16
11
С.6.01.019
Шайба
В узле: 10
12
Шайба
В узле: 21
13
826-3805045
Стенка
В узле: 1
14
826-3805061
Крышка
В узле: 1
15
В.М6-6gx16.58.019
Винт
В узле: 4
16
006-010-25-1-4
Кольцо
В узле: 2
17
826-3805065
Винт
В узле: 2
18
В.М5-6gx20.58.019
Винт
В узле: 2
19
С 5.01.019
Шайба
В узле: 2
20
Шайба
В узле: 4
21
826-3805021
Щиток
В узле: 1
23
826-3805025
Табличка
В узле: 1
25
В.М6-6gx25.58.019
Винт
В узле: 2
26
80-3805043
Кронштейн
В узле: 2
74
В.М6-6gx12.58.019
Винт
В узле: 2
29
80-3723048
Втулка
В узле: 1
30
50-4607064
Втулка
В узле: 1
31
3747.50
Реле на замыкание
В узле: 3
32
826-3724517
Жгут
В узле: 1
33
826-3724395-Г
Жгут
В узле: 1
34
826-3805013
Табличка
В узле: 1
35
3710.15
Выключатель стартера с блокировкой пуска
В узле: 1
36
3813.40
Пульт управления
В узле: 1
37
В.М5-6gx12.58.019
Винт
В узле: 1
38
М5-6Н.6.019
Гайка ГОСТ 5915-70
В узле: 3
39
826-3724260-А
Жгут
В узле: 1
40
3813.30
Индикатор коМ6инированный
В узле: 1
41
3803.20
Блок контрольных ламп
В узле: 1
42
В.М4-6gx12.58.019
Винт
В узле: 2
43
М4-6Н.6.019
Гайка
В узле: 2
44
4
Шайба ОСТ 37.001.115-75
В узле: 2
45
3747.20
Реле-сигнализатор
В узле: 1
46
80-3723043
Скоба
В узле: 1
47
3801.15
Комбинация приборов
В узле: 1
50
3710.10
Выключатель аварийной сигнализации
В узле: 1
51
3710.35
Выключатель стеклоомывателя
В узле: 1
52
3709.20
Переключатель света
В узле: 1
53
3710.30
Выключатель фар рабочих
В узле: 1
54
826-3710011
Гнездо выключателей
В узле: 1
56
80-3723038
Скоба
В узле: 1
57
3741.10
Блок свечей накаливания
В узле: 1
58
3747.25
Реле стартера
В узле: 1
59
3747.30
Реле питания приборов
В узле: 1
60
3747.10
Прерыватель указателей поворота
В узле: 1
61
70-3723042-02
Втулка
В узле: 1
62
70-3723042-01
Втулка
В узле: 1
63
80-3805050-03
Основание
В узле: 1
64
80-3805026
Табличка
В узле: 1
65
3722.15
Блок предохранителей
В узле: 1
66
В.М6-6gx40.58.019
Винт
В узле: 2
67
80-3805037-Г
Табличка
В узле: 1
68
3722.35
Блок предохранителей
В узле: 1
69
80-3805027-В
Табличка
В узле: 1
70
3722.10
Блок предохранителей
В узле: 1
71
В.М5-6gx16.58.019
Винт
В узле: 2
73
3912.3769
Переключатель подрулевой
В узле: 1
73
3912.3769-01
Переключатель подрулевой
В узле: 1
Содержащиеся в справочниках-каталогах запасные части и детали не предлагаются к продаже, а носят исключительно информационный характер

Ваша заявка была отправлена. В ближайшее время наши специалисты с Вами свяжутся по указанному Вами телефону.

Представьтесь
Поле обязательно для заполнения
Ваш телефон
Введите правильный номер телефона
E-mail
Введите правильный e-mail
Тема
Тема
применяемость финансирование доставка цена, наличие другое сервис и гарантия
Время для звонка
08:00
08:00 09:00 10:00 11:00 12:00 13:00 14:00 15:00 16:00 17:00 18:00 19:00
19:00
08:00 09:00 10:00 11:00 12:00 13:00 14:00 15:00 16:00 17:00 18:00 19:00

Мы постараемся перезвонить в указанное время

Если вы не хотите ждать, то звоните нашим вежливым консультантам:

8 800 100-2-700
Подтвердите, что вы не робот
Подтвердите, что вы не робот
Спасибо!

Ваше сообщение успешно отправлено!

ЗакрытьПовторить попытку