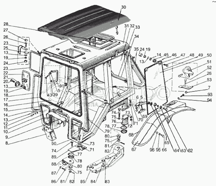
Каталог запасных частей к технике: МТЗ-1025.4. Кабина
1221-6700010
5
5
6
7
8
9
10
10
11
11
12
13
13
13
13
14
14
15
16
16
17
18
19
19
19
20
21
22
23
23
24
24
25
26
26
27
28
30
31
32
32
33
34
35
39
43
45
46
47
48
49
50
50
51
52
53
62
63
64
65
66
67
68
69
70
71
71
72
73
73
74
74
75
75
75
76
76
77
77
78
78
79
80
80
81
81
82
82
83
83
84
85
85
86
87
88
89
90
91
93
94
95
96
|
62
80-6708975
Винт
В узле: 2
|
|||||||||||||||||||||||||||||||||||||||||||||||||||||||||||||||||||||||||||||||||||||||
| 80-6708975 Винт МТЗ, Беларусь |
|
>10 шт. | 62.83 р. | ||||||||||||||||||||||||||||||||||||||||||||||||||||||||||||||||||||||||||||||||||||
|
27
А30.04.017-01
Колпачок
В узле: 10
|
|||||||||||||||||||||||||||||||||||||||||||||||||||||||||||||||||||||||||||||||||||||||
| А30.04.017-01 Колпачок МТЗ, Беларусь |
|
>10 шт. | 4.53 р. | ||||||||||||||||||||||||||||||||||||||||||||||||||||||||||||||||||||||||||||||||||||
|
16
80-6703011-А
Стекло
В узле: 1
|
|||||||||||||||||||||||||||||||||||||||||||||||||||||||||||||||||||||||||||||||||||||||
| 80-6703011-А (80-6700011-01) Стекло МТЗ переднее 1267х921 УК кабина (лобовое), 5мм, Беларусь |
|
>10 шт. | 1 814.36 р. | ||||||||||||||||||||||||||||||||||||||||||||||||||||||||||||||||||||||||||||||||||||
|
32
80-6708211-А
Стекло
В узле: 1
|
|||||||||||||||||||||||||||||||||||||||||||||||||||||||||||||||||||||||||||||||||||||||
| 80-6708211-А (80-6700011) Стекло МТЗ заднее 1213,5х841 5 мм УК кабина |
|
>10 шт. | 1 612.86 р. | ||||||||||||||||||||||||||||||||||||||||||||||||||||||||||||||||||||||||||||||||||||
|
47
80-6708902
Петля
В узле: 4
|
|||||||||||||||||||||||||||||||||||||||||||||||||||||||||||||||||||||||||||||||||||||||
| 80-6708902 Петля МТЗ (80-6708972), ВЗТЗЧ |
|
>10 шт. | 352.24 р. | ||||||||||||||||||||||||||||||||||||||||||||||||||||||||||||||||||||||||||||||||||||
|
45
80-6708903
Втулка
В узле: 4
|
|||||||||||||||||||||||||||||||||||||||||||||||||||||||||||||||||||||||||||||||||||||||
| 80-6708903 Втулка МТЗ стекла бокового, Беларусь |
|
Под заказ | 9.08 р. | ||||||||||||||||||||||||||||||||||||||||||||||||||||||||||||||||||||||||||||||||||||
|
50
1221-6708901-А
Стекло
В узле: 2
|
|||||||||||||||||||||||||||||||||||||||||||||||||||||||||||||||||||||||||||||||||||||||
| 1221-6708901-А Стекло боковое МТЗ 780х869, 5мм, 3 отверстия, Беларусь |
|
>10 шт. | 1 188.24 р. | ||||||||||||||||||||||||||||||||||||||||||||||||||||||||||||||||||||||||||||||||||||
|
77
80-6700163
Обойма
В узле: 4
|
|||||||||||||||||||||||||||||||||||||||||||||||||||||||||||||||||||||||||||||||||||||||
| 80-6700163 Обойма МТЗ виброизолятора |
|
Под заказ | 210.32 р. | ||||||||||||||||||||||||||||||||||||||||||||||||||||||||||||||||||||||||||||||||||||
|
7
А30.04.017
Колпачок
В узле: 4
|
|||||||||||||||||||||||||||||||||||||||||||||||||||||||||||||||||||||||||||||||||||||||
| А30.04.017 Колпачок |
|
Под заказ | 4.53 р. | ||||||||||||||||||||||||||||||||||||||||||||||||||||||||||||||||||||||||||||||||||||
|
74
80-6700029
Болт
В узле: 4
|
|||||||||||||||||||||||||||||||||||||||||||||||||||||||||||||||||||||||||||||||||||||||
| 80-6700029 Болт МТЗ крепления виброизолятора кабины |
|
Под заказ | 279.43 р. | ||||||||||||||||||||||||||||||||||||||||||||||||||||||||||||||||||||||||||||||||||||
|
10
80-6703012-А
Стекло
В узле: 2
|
|||||||||||||||||||||||||||||||||||||||||||||||||||||||||||||||||||||||||||||||||||||||
| 80-6703012-А (80-6700011-04) Стекло МТЗ нижнее 432х292 УК кабина, 5мм Беларусь |
|
Под заказ | 205.70 р. | ||||||||||||||||||||||||||||||||||||||||||||||||||||||||||||||||||||||||||||||||||||
|
24
А30.04.017-02
Колпачок
В узле: 4
|
|||||||||||||||||||||||||||||||||||||||||||||||||||||||||||||||||||||||||||||||||||||||
| А30.04.017-02 Колпачок МТЗ, Беларусь |
|
Под заказ | 2.84 р. | ||||||||||||||||||||||||||||||||||||||||||||||||||||||||||||||||||||||||||||||||||||
|
51
А37.05.025
Фиксатор
В узле: 1
|
|||||||||||||||||||||||||||||||||||||||||||||||||||||||||||||||||||||||||||||||||||||||
| А37.05.025 Фиксатор МТЗ окна кабины |
|
Под заказ | 1 025.76 р. | ||||||||||||||||||||||||||||||||||||||||||||||||||||||||||||||||||||||||||||||||||||
|
80-6708210
Рамка в сборе
В узле: 1
|
|||||||||||||||||||||||||||||||||||||||||||||||||||||||||||||||||||||||||||||||||||||||
| 80-6708210 Рамка задняя МТЗ в сборе |
|
<10 шт. | 14 395.15 р. | ||||||||||||||||||||||||||||||||||||||||||||||||||||||||||||||||||||||||||||||||||||
|
78
80-6700160
Виброизолятор
В узле: 4
|
|||||||||||||||||||||||||||||||||||||||||||||||||||||||||||||||||||||||||||||||||||||||
| 80-6700160 Виброизолятор кабины МТЗ |
|
Под заказ | 164.93 р. | ||||||||||||||||||||||||||||||||||||||||||||||||||||||||||||||||||||||||||||||||||||
|
63
80-6708904
Прокладка
В узле: 2
|
|||||||||||||||||||||||||||||||||||||||||||||||||||||||||||||||||||||||||||||||||||||||
| 80-6708904 Прокладка |
|
<10 шт. | 2.54 р. | ||||||||||||||||||||||||||||||||||||||||||||||||||||||||||||||||||||||||||||||||||||
|
9
85-6703056
Вставка
В узле: 1
|
|||||||||||||||||||||||||||||||||||||||||||||||||||||||||||||||||||||||||||||||||||||||
| 85-6703056 Вставка МТЗ |
|
Под заказ | 998.01 р. | ||||||||||||||||||||||||||||||||||||||||||||||||||||||||||||||||||||||||||||||||||||
|
8
80-6700031-Б-01
Кронштейн правый
В узле: 1
|
|||||||||||||||||||||||||||||||||||||||||||||||||||||||||||||||||||||||||||||||||||||||
| 80-6700031-Б-01 Кронштейн МТЗ передняя опора кабины, правый, БЗТДиА |
|
Под заказ | 2 428.69 р. | ||||||||||||||||||||||||||||||||||||||||||||||||||||||||||||||||||||||||||||||||||||
|
88
85-6702068
Кронштейн
В узле: 2
|
|||||||||||||||||||||||||||||||||||||||||||||||||||||||||||||||||||||||||||||||||||||||
| 85-6702068 Кронштейн МТЗ левый , 3 отв. , ВЗТЗЧ |
|
Под заказ | 917.66 р. | ||||||||||||||||||||||||||||||||||||||||||||||||||||||||||||||||||||||||||||||||||||
|
31
80-6700020-Б
Кабина
В узле: 1
|
|||||||||||||||||||||||||||||||||||||||||||||||||||||||||||||||||||||||||||||||||||||||
| 80-6700020-Б Каркас МТЗ голый, УК кабины |
|
Под заказ | 129 124.42 р. | ||||||||||||||||||||||||||||||||||||||||||||||||||||||||||||||||||||||||||||||||||||
|
80-6708900-01
Стекло в сборе
В узле: 2
|
|||||||||||||||||||||||||||||||||||||||||||||||||||||||||||||||||||||||||||||||||||||||
| 80-6708900-01 Стекло боковое МТЗ в сборе (868х779 мм, 3 отверстия) |
|
Под заказ | 9 060.07 р. | ||||||||||||||||||||||||||||||||||||||||||||||||||||||||||||||||||||||||||||||||||||
|
91
80-6708209
Ручка
В узле: 2
|
|||||||||||||||||||||||||||||||||||||||||||||||||||||||||||||||||||||||||||||||||||||||
| 80-6708209 Ручка |
|
Под заказ | 476.12 р. | ||||||||||||||||||||||||||||||||||||||||||||||||||||||||||||||||||||||||||||||||||||
Содержащиеся в справочниках-каталогах запасные части и детали не предлагаются к продаже, а носят исключительно информационный характер