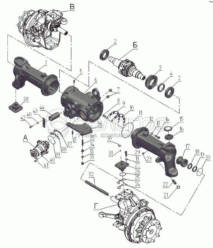
Каталог запасных частей к технике: МТЗ-1025.4. Передний ведущий мост 822-2300020
822-2300020-04
822-2300020-02
1
1
2
2
3
4
5
6
7
8
8
9
10
11
12
12
13
13
13
14
15
16
17
18
19
20
21
22
23
24
25
26
27
28
29
30
31
32
32
33
34
35
36
36
37
38
39
40
40
41
42
43
44
|
24
52-2302021
Прокладка регулировочная В = 0,5 мм
В узле: ---
|
|||||||||||||||||||||||||||||||||||||||||||||||||||||||||||||||||||||||||||||||||||||||
| 52-2302021 Прокладка МТЗ регулировочная (0,5мм) |
|
Под заказ | 87.22 р. | ||||||||||||||||||||||||||||||||||||||||||||||||||||||||||||||||||||||||||||||||||||
|
25
52-2302022
Прокладка регулировочная В = 0,2 мм
В узле: ---
|
|||||||||||||||||||||||||||||||||||||||||||||||||||||||||||||||||||||||||||||||||||||||
| 52-2302022 Прокладка МТЗ регулировочная (0,2мм) |
|
Под заказ | 23.28 р. | ||||||||||||||||||||||||||||||||||||||||||||||||||||||||||||||||||||||||||||||||||||
|
9
52-2303027
Прокладка регулировочная В = 0,5 мм (подбираются при регулировке подшипников)
В узле: ---
|
|||||||||||||||||||||||||||||||||||||||||||||||||||||||||||||||||||||||||||||||||||||||
| 52-2303027 Прокладка МТЗ регулировочная (0,5мм) |
|
Под заказ | 171.26 р. | ||||||||||||||||||||||||||||||||||||||||||||||||||||||||||||||||||||||||||||||||||||
|
10
52-2303028
Прокладка регулировочная В = 0,2 мм (подбираются при регулировке подшипников)
В узле: ---
|
|||||||||||||||||||||||||||||||||||||||||||||||||||||||||||||||||||||||||||||||||||||||
| 52-2303028 Прокладка МТЗ регулировочная (0,2мм) |
|
Под заказ | 63.48 р. | ||||||||||||||||||||||||||||||||||||||||||||||||||||||||||||||||||||||||||||||||||||
|
15
1520-2308039
Стакан
В узле: 4
|
|||||||||||||||||||||||||||||||||||||||||||||||||||||||||||||||||||||||||||||||||||||||
| 1520-2308039 Стакан МТЗ |
|
Под заказ | 198.75 р. | ||||||||||||||||||||||||||||||||||||||||||||||||||||||||||||||||||||||||||||||||||||
|
38
1520-2308042-01
Прокладка регулировочная
В узле: ---
|
|||||||||||||||||||||||||||||||||||||||||||||||||||||||||||||||||||||||||||||||||||||||
| 1520-2308042-01 Прокладка МТЗ регулировочная редуктора конечной передачи переднего моста, 0,5мм |
|
Под заказ | 110.51 р. | ||||||||||||||||||||||||||||||||||||||||||||||||||||||||||||||||||||||||||||||||||||
|
34
1520-2308077
Втулка
В узле: 3
|
|||||||||||||||||||||||||||||||||||||||||||||||||||||||||||||||||||||||||||||||||||||||
| 1520-2308077 Втулка МТЗ |
|
Под заказ | 274.72 р. | ||||||||||||||||||||||||||||||||||||||||||||||||||||||||||||||||||||||||||||||||||||
|
8
Д01-015
Штифт установочный
В узле: 6
|
|||||||||||||||||||||||||||||||||||||||||||||||||||||||||||||||||||||||||||||||||||||||
| Д01-015 Штифт МТЗ корпуса сцепления установочный, САЗ |
|
>10 шт. | 41.53 р. | ||||||||||||||||||||||||||||||||||||||||||||||||||||||||||||||||||||||||||||||||||||
|
37
1520-2308042
Прокладка регулировочная
В узле: ---
|
|||||||||||||||||||||||||||||||||||||||||||||||||||||||||||||||||||||||||||||||||||||||
| 1520-2308042 Прокладка МТЗ регулировочная редуктора конечной передачи, 0,2мм |
|
Под заказ | 27.63 р. | ||||||||||||||||||||||||||||||||||||||||||||||||||||||||||||||||||||||||||||||||||||
|
27
1520-2308037
Ось
В узле: 3
|
|||||||||||||||||||||||||||||||||||||||||||||||||||||||||||||||||||||||||||||||||||||||
| 1520-2308037 Ось МТЗ, Беларусь |
|
Под заказ | 2 010.47 р. | ||||||||||||||||||||||||||||||||||||||||||||||||||||||||||||||||||||||||||||||||||||
| 1520-2308037 Ось МТЗ, ВЗТЗЧ |
|
Под заказ | 2 837.61 р. | ||||||||||||||||||||||||||||||||||||||||||||||||||||||||||||||||||||||||||||||||||||
|
28
1520-2308037-01
Ось
В узле: 1
|
|||||||||||||||||||||||||||||||||||||||||||||||||||||||||||||||||||||||||||||||||||||||
| 1520-2308037-01 Ось МТЗ левая нижняя, Беларусь |
|
<10 шт. | 2 010.47 р. | ||||||||||||||||||||||||||||||||||||||||||||||||||||||||||||||||||||||||||||||||||||
| 1520-2308037-01 Ось МТЗ левая нижняя, (А) |
|
Под заказ | Нет на складе | ||||||||||||||||||||||||||||||||||||||||||||||||||||||||||||||||||||||||||||||||||||
| 1520-2308037-01 Ось МТЗ левая нижняя, ВЗТЗЧ |
|
<10 шт. | 2 954.77 р. | ||||||||||||||||||||||||||||||||||||||||||||||||||||||||||||||||||||||||||||||||||||
|
43
72-2301059-А1
Планка
В узле: 2
|
|||||||||||||||||||||||||||||||||||||||||||||||||||||||||||||||||||||||||||||||||||||||
| 72-2301059-А1 Планка МТЗ оси моста переднего ведущего |
|
Под заказ | 227.07 р. | ||||||||||||||||||||||||||||||||||||||||||||||||||||||||||||||||||||||||||||||||||||
|
4
52-2302038-А1
Гайка
В узле: 1
|
|||||||||||||||||||||||||||||||||||||||||||||||||||||||||||||||||||||||||||||||||||||||
| 52-2302038 А1 Гайка МТЗ, Беларусь |
|
<10 шт. | 632.05 р. | ||||||||||||||||||||||||||||||||||||||||||||||||||||||||||||||||||||||||||||||||||||
|
52-2303010-Б-01
Дифференциал
В узле: 1
|
|||||||||||||||||||||||||||||||||||||||||||||||||||||||||||||||||||||||||||||||||||||||
| 52-2303010-Б-01 Дифференциал МТЗ переднего моста в сборе |
|
Под заказ | 30 787.37 р. | ||||||||||||||||||||||||||||||||||||||||||||||||||||||||||||||||||||||||||||||||||||
|
6
72-2301055
Корпус
В узле: 1
|
|||||||||||||||||||||||||||||||||||||||||||||||||||||||||||||||||||||||||||||||||||||||
| 72-2301055 Корпус МТЗ переднего моста |
|
Под заказ | 29 052.31 р. | ||||||||||||||||||||||||||||||||||||||||||||||||||||||||||||||||||||||||||||||||||||
|
32
822-2308065-01
Вал
В узле: 2
|
|||||||||||||||||||||||||||||||||||||||||||||||||||||||||||||||||||||||||||||||||||||||
| 822-2308065-01 Вал МТЗ горизонтальный (L=290мм) SPILE |
|
Под заказ | 525.88 р. | ||||||||||||||||||||||||||||||||||||||||||||||||||||||||||||||||||||||||||||||||||||
| 822-2308065-01 Вал МТЗ горизонтальный (L=290мм), Беларусь |
|
Под заказ | 1 549.78 р. | ||||||||||||||||||||||||||||||||||||||||||||||||||||||||||||||||||||||||||||||||||||
| 822-2308065-01 Вал МТЗ горизонтальный (L=290мм)* |
|
Под заказ | 4 485.44 р. | ||||||||||||||||||||||||||||||||||||||||||||||||||||||||||||||||||||||||||||||||||||
|
44
52-2301058-А4
Ось
В узле: 2
|
|||||||||||||||||||||||||||||||||||||||||||||||||||||||||||||||||||||||||||||||||||||||
| 52-2301058-А4 Ось МТЗ |
|
Под заказ | 1 286.87 р. | ||||||||||||||||||||||||||||||||||||||||||||||||||||||||||||||||||||||||||||||||||||
|
36
822-2301023-Б-01
Кронштейн
В узле: 1
|
|||||||||||||||||||||||||||||||||||||||||||||||||||||||||||||||||||||||||||||||||||||||
| 822-2301023-Б-01 Кронштейн МТЗ |
|
Под заказ | 3 371.76 р. | ||||||||||||||||||||||||||||||||||||||||||||||||||||||||||||||||||||||||||||||||||||
|
32
822-2308065
Вал
В узле: 2
|
|||||||||||||||||||||||||||||||||||||||||||||||||||||||||||||||||||||||||||||||||||||||
| 822-2308065 Вал МТЗ редуктора конечной передачи ПВМ (L=230мм) SPILE |
|
Под заказ | 629.12 р. | ||||||||||||||||||||||||||||||||||||||||||||||||||||||||||||||||||||||||||||||||||||
| 822-2308065 Вал МТЗ редуктора конечной передачи ПВМ (L=230мм)* |
|
Под заказ | 3 752.46 р. | ||||||||||||||||||||||||||||||||||||||||||||||||||||||||||||||||||||||||||||||||||||
|
12
822-2301053-01
Рукав
В узле: 1
|
|||||||||||||||||||||||||||||||||||||||||||||||||||||||||||||||||||||||||||||||||||||||
| 822-2301053-01 Рукав правый МТЗ |
|
Под заказ | 25 846.64 р. | ||||||||||||||||||||||||||||||||||||||||||||||||||||||||||||||||||||||||||||||||||||
|
36
922-2301023-Б-01
Кронштейн цилиндра
В узле: 1
|
|||||||||||||||||||||||||||||||||||||||||||||||||||||||||||||||||||||||||||||||||||||||
| 922-2301023-Б-01 Кронштейн МТЗ переднего моста |
|
Под заказ | 3 955.39 р. | ||||||||||||||||||||||||||||||||||||||||||||||||||||||||||||||||||||||||||||||||||||
|
1
822-2301051
Рукав
В узле: 1
|
|||||||||||||||||||||||||||||||||||||||||||||||||||||||||||||||||||||||||||||||||||||||
| 822-2301051 Рукав МТЗ полуоси, моста переднего |
|
Под заказ | 24 863.03 р. | ||||||||||||||||||||||||||||||||||||||||||||||||||||||||||||||||||||||||||||||||||||
|
1
822-2301051-01
Рукав
В узле: 1
|
|||||||||||||||||||||||||||||||||||||||||||||||||||||||||||||||||||||||||||||||||||||||
| 822-2301051-01 Рукав левый МТЗ |
|
Под заказ | 26 005.80 р. | ||||||||||||||||||||||||||||||||||||||||||||||||||||||||||||||||||||||||||||||||||||
|
17
822-2308100
Обойма
В узле: 2
|
|||||||||||||||||||||||||||||||||||||||||||||||||||||||||||||||||||||||||||||||||||||||
| 822-2308100 Обойма МТЗ, Беларусь |
|
Под заказ | 1 706.32 р. | ||||||||||||||||||||||||||||||||||||||||||||||||||||||||||||||||||||||||||||||||||||
|
12
822-2301053
Рукав
В узле: 1
|
|||||||||||||||||||||||||||||||||||||||||||||||||||||||||||||||||||||||||||||||||||||||
| 822-2301053 рукав правый МТЗ-822 |
|
<10 шт. | 24 712.38 р. | ||||||||||||||||||||||||||||||||||||||||||||||||||||||||||||||||||||||||||||||||||||
|
3
52-2302019
Шестерня ведомая
В узле: 1
|
|||||||||||||||||||||||||||||||||||||||||||||||||||||||||||||||||||||||||||||||||||||||
| 52-2302019 Шестерня МТЗ, (А) |
|
Под заказ | 1 826.79 р. | ||||||||||||||||||||||||||||||||||||||||||||||||||||||||||||||||||||||||||||||||||||
|
22
1520-2308009
Винт
В узле: 2
|
|||||||||||||||||||||||||||||||||||||||||||||||||||||||||||||||||||||||||||||||||||||||
| 1520-2308009 Винт МТЗ |
|
Под заказ | 376.88 р. | ||||||||||||||||||||||||||||||||||||||||||||||||||||||||||||||||||||||||||||||||||||
|
822-2300020-04
Передний ведущий мост в сборе
В узле: 1
|
|||||||||||||||||||||||||||||||||||||||||||||||||||||||||||||||||||||||||||||||||||||||
| 822-2300020-04 Мост передний МТЗ под ГОРу балочный короткая балка |
|
Под заказ | 513 550.19 р. | ||||||||||||||||||||||||||||||||||||||||||||||||||||||||||||||||||||||||||||||||||||
|
822-2300020-02
Передний ведущий мост в сборе
В узле: 1
|
|||||||||||||||||||||||||||||||||||||||||||||||||||||||||||||||||||||||||||||||||||||||
| 822-2300020-02 Мост передний МТЗ под ГОРу балочный длинная балка |
|
Под заказ | 515 920.94 р. | ||||||||||||||||||||||||||||||||||||||||||||||||||||||||||||||||||||||||||||||||||||
Содержащиеся в справочниках-каталогах запасные части и детали не предлагаются к продаже, а носят исключительно информационный характер