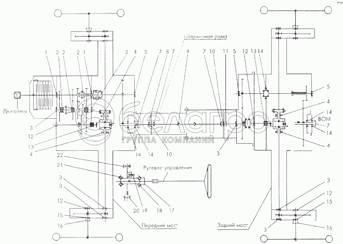
Каталог запасных частей к технике: МТЗ-112Н, 132Н. Схема расположения подшипников и манжет

zoom-in zoom-out enlarge shrink circle-right circle-left file-text2 info cart arraw right arraw left zoom out zoom in arraw maximize arraw minimize
1
1
2
2
2
3
3
3
3
3
3
3
4
4
4
4
5
5
5
7
7
7
7
8
9
10
10
11
12
12
12
12
13
13
14
14
14
14
14
15
15
16
16
17
18
19
20
21
22
1
70001067
Подшипник
В узле: ---
2
464906Е8
Подшипник
В узле: ---
3
204 К311
Подшипник
В узле: ---
4
11016
Подшипник
В узле: ---
5
30220
Подшипник
В узле: ---
6
8100
Подшипник
В узле: ---
7
2.2-30x52-1
Манжета
В узле: ---
8
2.2-25x42-1
Манжета
В узле: ---
9
904700УС17
Подшипник
В узле: ---
10
205К
Шарикоподшипник
В узле: ---
11
2.2-65x90-1
Манжета
В узле: ---
12
304
Подшипник
В узле: ---
13
92305
Подшипник ГОСТ 8328-75
В узле: ---
14
106
Подшипник ГОСТ 8338-75
В узле: ---
15
206
Подшипник ГОСТ 8338-75
В узле: ---
16
2.2-38x58-1
Манжета
В узле: ---
17
2.1-23x35-1/2
Манжета
В узле: ---
18
977907К1
Подшипник
В узле: ---
19
776801Х
Подшипник
В узле: ---
20
2.1-32x44-1/2
Манжета
В узле: ---
21
877907
Подшипник роликовый с сепаратором и нижним кольцом
В узле: ---
22
922205К
Подшипник радиальный без внутреннего кольца
В узле: ---
Содержащиеся в справочниках-каталогах запасные части и детали не предлагаются к продаже, а носят исключительно информационный характер

Ваша заявка была отправлена. В ближайшее время наши специалисты с Вами свяжутся по указанному Вами телефону.

Представьтесь
Поле обязательно для заполнения
Ваш телефон
Введите правильный номер телефона
E-mail
Введите правильный e-mail
Тема
Тема
применяемость финансирование доставка цена, наличие другое сервис и гарантия
Время для звонка
08:00
08:00 09:00 10:00 11:00 12:00 13:00 14:00 15:00 16:00 17:00 18:00 19:00
19:00
08:00 09:00 10:00 11:00 12:00 13:00 14:00 15:00 16:00 17:00 18:00 19:00

Мы постараемся перезвонить в указанное время

Если вы не хотите ждать, то звоните нашим вежливым консультантам:

8 800 100-2-700
Подтвердите, что вы не робот
Подтвердите, что вы не робот
Спасибо!

Ваше сообщение успешно отправлено!

ЗакрытьПовторить попытку