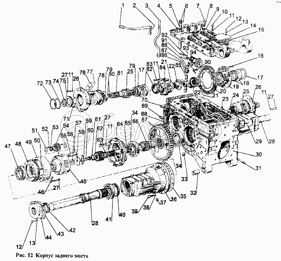
Каталог запасных частей к технике: МТЗ-1221. Корпус заднего моста
1
2
3
4
5
6
7
8
9
10
11
11
11
11
11
12
12
13
13
14
15
16
17
17
18
19
20
21
21
22
22
23
24
25
25
26
26
27
27
27
27
28
28
29
30
31
32
33
34
34
35
36
37
38
39
40
41
42
43
44
45
46
47
48
49
50
51
52
53
54
55
56
57
58
59
60
61
62
63
64
65
66
67
68
69
70
71
72
73
74
75
76
77
78
79
79
80
81
82
83
84
85
86
87
88
89
90
91
92
93
94
|
68
50-2401016
Прокладка
В узле: 1
|
|||||||||||||||||||||||||||||||||||||||||||||||||||||||||||||||||||||||||||||||||||||||
| 50-2401016 Прокладка МТЗ корпуса заднего моста, картон, Беларусь |
|
>10 шт. | 79.57 р. | ||||||||||||||||||||||||||||||||||||||||||||||||||||||||||||||||||||||||||||||||||||
|
16
50-1702092
Болт призонный М12х42
В узле: 1
|
|||||||||||||||||||||||||||||||||||||||||||||||||||||||||||||||||||||||||||||||||||||||
| 50-1702092 Болт МТЗ, САЗ* |
|
Под заказ | 66.66 р. | ||||||||||||||||||||||||||||||||||||||||||||||||||||||||||||||||||||||||||||||||||||
|
81
70-2407053
Шестерня ведущая (левая)
В узле: 1
|
|||||||||||||||||||||||||||||||||||||||||||||||||||||||||||||||||||||||||||||||||||||||
| 70-2407053 Шестерня МТЗ дифференциала моста заднего ведущая левая L=315мм |
|
Под заказ | 8 244.40 р. | ||||||||||||||||||||||||||||||||||||||||||||||||||||||||||||||||||||||||||||||||||||
| 70-2407053 Шестерня МТЗ дифференциала моста заднего ведущая левая L=315мм, (А) |
|
>10 шт. | 1 920.83 р. | ||||||||||||||||||||||||||||||||||||||||||||||||||||||||||||||||||||||||||||||||||||
|
35
1221-2407552
Прокладка
В узле: 2
|
|||||||||||||||||||||||||||||||||||||||||||||||||||||||||||||||||||||||||||||||||||||||
| 1221-2407552 Прокладка МТЗ |
|
>10 шт. | 138.90 р. | ||||||||||||||||||||||||||||||||||||||||||||||||||||||||||||||||||||||||||||||||||||
|
69
50-4605027
Штифт
В узле: 2
|
|||||||||||||||||||||||||||||||||||||||||||||||||||||||||||||||||||||||||||||||||||||||
| 50-4605027 Штифт МТЗ, БЗТДиА |
|
>10 шт. | 241.86 р. | ||||||||||||||||||||||||||||||||||||||||||||||||||||||||||||||||||||||||||||||||||||
|
60
70-4605036
Болт
В узле: 2
|
|||||||||||||||||||||||||||||||||||||||||||||||||||||||||||||||||||||||||||||||||||||||
| 70-4605036 болт |
|
Под заказ | 231.59 р. | ||||||||||||||||||||||||||||||||||||||||||||||||||||||||||||||||||||||||||||||||||||
|
91
50-2401020
Поводок
В узле: 1
|
|||||||||||||||||||||||||||||||||||||||||||||||||||||||||||||||||||||||||||||||||||||||
| 50-2401020 Поводок МТЗ |
|
Под заказ | 552.22 р. | ||||||||||||||||||||||||||||||||||||||||||||||||||||||||||||||||||||||||||||||||||||
|
92
36-1702110
Винт установочный
В узле: 1
|
|||||||||||||||||||||||||||||||||||||||||||||||||||||||||||||||||||||||||||||||||||||||
| 36-1702110 Винт МТЗ, БЗТДиА |
|
<10 шт. | 218.88 р. | ||||||||||||||||||||||||||||||||||||||||||||||||||||||||||||||||||||||||||||||||||||
|
90
50-2403023
Пластина стопорная
В узле: 6
|
|||||||||||||||||||||||||||||||||||||||||||||||||||||||||||||||||||||||||||||||||||||||
| 50-2403023 Пластина стопорная МТЗ |
|
Под заказ | 49.92 р. | ||||||||||||||||||||||||||||||||||||||||||||||||||||||||||||||||||||||||||||||||||||
|
32
80-2401032
Втулка
В узле: 2
|
|||||||||||||||||||||||||||||||||||||||||||||||||||||||||||||||||||||||||||||||||||||||
| 80-2401032 Втулка МТЗ корпуса моста заднего, БЗТДиА |
|
<10 шт. | 982.74 р. | ||||||||||||||||||||||||||||||||||||||||||||||||||||||||||||||||||||||||||||||||||||
|
1
36-1310139
Шарик
В узле: 1
|
|||||||||||||||||||||||||||||||||||||||||||||||||||||||||||||||||||||||||||||||||||||||
| 36-1310139 Шарик рукоятки МТЗ, Беларусь |
|
<10 шт. | 86.63 р. | ||||||||||||||||||||||||||||||||||||||||||||||||||||||||||||||||||||||||||||||||||||
|
71
50-1601352
Штифт
В узле: 4
|
|||||||||||||||||||||||||||||||||||||||||||||||||||||||||||||||||||||||||||||||||||||||
| 50-1601352 Штифт установочный МТЗ (d=14мм, l=40мм), САЗ |
|
Под заказ | 43.74 р. | ||||||||||||||||||||||||||||||||||||||||||||||||||||||||||||||||||||||||||||||||||||
|
78
205-210-36-1-4
Кольцо
В узле: 2
|
|||||||||||||||||||||||||||||||||||||||||||||||||||||||||||||||||||||||||||||||||||||||
| 205-210-36-1-4 Кольцо уплотнительное, Беларусь |
|
Под заказ | 142.20 р. | ||||||||||||||||||||||||||||||||||||||||||||||||||||||||||||||||||||||||||||||||||||
|
17
1221-2407043
Кольцо
В узле: 2
|
|||||||||||||||||||||||||||||||||||||||||||||||||||||||||||||||||||||||||||||||||||||||
| 1221-2407043 Кольцо дифференциала МТЗ моста заднего |
|
<10 шт. | 622.92 р. | ||||||||||||||||||||||||||||||||||||||||||||||||||||||||||||||||||||||||||||||||||||
|
51
1221-2407538
Шайба сателлита
В узле: 16
|
|||||||||||||||||||||||||||||||||||||||||||||||||||||||||||||||||||||||||||||||||||||||
| 1221-2407538 Шайба МТЗ сателлита |
|
<10 шт. | 178.16 р. | ||||||||||||||||||||||||||||||||||||||||||||||||||||||||||||||||||||||||||||||||||||
|
94
80-1701252-В
Вал
В узле: 1
|
|||||||||||||||||||||||||||||||||||||||||||||||||||||||||||||||||||||||||||||||||||||||
| 80-1701252-В Вал вторичный МТЗ КПП |
|
Под заказ | 13 010.93 р. | ||||||||||||||||||||||||||||||||||||||||||||||||||||||||||||||||||||||||||||||||||||
|
65
1221-2407541
Вал
В узле: 2
|
|||||||||||||||||||||||||||||||||||||||||||||||||||||||||||||||||||||||||||||||||||||||
| 1221-2407541 Вал МТЗ моста заднего, ведущий SPILE |
|
Под заказ | 1 423.90 р. | ||||||||||||||||||||||||||||||||||||||||||||||||||||||||||||||||||||||||||||||||||||
| 1221-2407541 Вал МТЗ моста заднего, ведущий |
|
<10 шт. | 7 913.46 р. | ||||||||||||||||||||||||||||||||||||||||||||||||||||||||||||||||||||||||||||||||||||
|
50-2401040
Валик управления в сборе
В узле: 1
|
|||||||||||||||||||||||||||||||||||||||||||||||||||||||||||||||||||||||||||||||||||||||
| 50-2401040 Валик МТЗ управления моста заднего в сборе |
|
<10 шт. | 1 233.38 р. | ||||||||||||||||||||||||||||||||||||||||||||||||||||||||||||||||||||||||||||||||||||
|
26
1221-2407042
Стакан подшипника
В узле: 2
|
|||||||||||||||||||||||||||||||||||||||||||||||||||||||||||||||||||||||||||||||||||||||
| 1221-2407042 Стакан подшипников МТЗ главной передачи |
|
Под заказ | 13 337.52 р. | ||||||||||||||||||||||||||||||||||||||||||||||||||||||||||||||||||||||||||||||||||||
|
25
1221-2407052
Шестерня
В узле: 2
|
|||||||||||||||||||||||||||||||||||||||||||||||||||||||||||||||||||||||||||||||||||||||
| 1221-2407052 Шестерня корпуса МТЗ моста заднего z=27, МЗШ |
|
<10 шт. | 6 327.68 р. | ||||||||||||||||||||||||||||||||||||||||||||||||||||||||||||||||||||||||||||||||||||
|
76
1221-2407056
Прокладка (0,5 mm)
В узле: 8
|
|||||||||||||||||||||||||||||||||||||||||||||||||||||||||||||||||||||||||||||||||||||||
| 1221-2407056 Прокладка МТЗ регулировочная дифференциала заднего моста (0,5мм) |
|
Под заказ | 54.35 р. | ||||||||||||||||||||||||||||||||||||||||||||||||||||||||||||||||||||||||||||||||||||
|
53
1221-2407539
Шайба распорная
В узле: 8
|
|||||||||||||||||||||||||||||||||||||||||||||||||||||||||||||||||||||||||||||||||||||||
| 1221-2407539 Шайба МТЗ сателлита распорная |
|
<10 шт. | 261.34 р. | ||||||||||||||||||||||||||||||||||||||||||||||||||||||||||||||||||||||||||||||||||||
|
9
85-2401024
Крышка
В узле: 1
|
|||||||||||||||||||||||||||||||||||||||||||||||||||||||||||||||||||||||||||||||||||||||
| 85-2401024 Крышка МТЗ |
|
<10 шт. | 50 938.54 р. | ||||||||||||||||||||||||||||||||||||||||||||||||||||||||||||||||||||||||||||||||||||
|
24
1221-2407053-01
Вал
В узле: 1
|
|||||||||||||||||||||||||||||||||||||||||||||||||||||||||||||||||||||||||||||||||||||||
| 1221-2407053-01 Вал МТЗ моста заднего, правый |
|
<10 шт. | 7 093.66 р. | ||||||||||||||||||||||||||||||||||||||||||||||||||||||||||||||||||||||||||||||||||||
|
66
1221-2407123
Втулка
В узле: 2
|
|||||||||||||||||||||||||||||||||||||||||||||||||||||||||||||||||||||||||||||||||||||||
| 1221-2407123 Втулка МТЗ шестерни ведомой моста заднего |
|
<10 шт. | 9 494.10 р. | ||||||||||||||||||||||||||||||||||||||||||||||||||||||||||||||||||||||||||||||||||||
|
3
85-2401050
Стойка
В узле: 1
|
|||||||||||||||||||||||||||||||||||||||||||||||||||||||||||||||||||||||||||||||||||||||
| 85-2401050 Стойка МТЗ |
|
Под заказ | 1 492.99 р. | ||||||||||||||||||||||||||||||||||||||||||||||||||||||||||||||||||||||||||||||||||||
|
30
1221-2401015
Корпус заднего моста в сборе
В узле: 1
|
|||||||||||||||||||||||||||||||||||||||||||||||||||||||||||||||||||||||||||||||||||||||
| 1221-2401015 Корпус МТЗ заднего моста, ленточный ВОМ |
|
Под заказ | 133 449.78 р. | ||||||||||||||||||||||||||||||||||||||||||||||||||||||||||||||||||||||||||||||||||||
|
59
1221-2407507
Шайба
В узле: 2
|
|||||||||||||||||||||||||||||||||||||||||||||||||||||||||||||||||||||||||||||||||||||||
| 1221-2407507 Шайба МТЗ |
|
Под заказ | 137.90 р. | ||||||||||||||||||||||||||||||||||||||||||||||||||||||||||||||||||||||||||||||||||||
|
6
50-2401031
Шайба
В узле: 2
|
|||||||||||||||||||||||||||||||||||||||||||||||||||||||||||||||||||||||||||||||||||||||
| 50-2401031 Шайба МТЗ |
|
Под заказ | 47.44 р. | ||||||||||||||||||||||||||||||||||||||||||||||||||||||||||||||||||||||||||||||||||||
|
20
50-2403021-В
Шестерня ведомая
В узле: 1
|
|||||||||||||||||||||||||||||||||||||||||||||||||||||||||||||||||||||||||||||||||||||||
| 50-2403021-В Шестерня МТЗ дифференциала заднего моста |
|
Под заказ | 27 946.75 р. | ||||||||||||||||||||||||||||||||||||||||||||||||||||||||||||||||||||||||||||||||||||
Содержащиеся в справочниках-каталогах запасные части и детали не предлагаются к продаже, а носят исключительно информационный характер