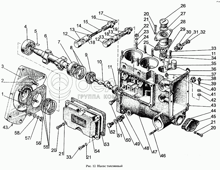
Каталог запасных частей к технике: МТЗ-1221. Насос топливный высокого давления

zoom-in zoom-out enlarge shrink circle-right circle-left file-text2 info cart arraw right arraw left zoom out zoom in arraw maximize arraw minimize
1
2
3
4
5
6
7
8
9
10
11
11
12
12
13
13
13
14
15
16
17
18
18
19
20
20
20
21
21
21
21
22
23
24
25
26
27
28
29
30
31
32
33
33
34
35
36
37
38
39
40
41
42
43
43
44
45
46
47
48
49
50
51
52
53
54
55
55
55
56
57
58
26.1111003-20
Топливный насос Д-260.2
В узле: 1
1
21.1111076-01
Прокладка уплотнительная
В узле: 1
2
21.1111383-01
Шпилька крепления топливного насоса
В узле: 4
3
54.1111381-60
Фланец установочный
В узле: 1
4
304
Подшипник
В узле: 1
5
4х6,5
Шпонка
В узле: 1
6
26.1111055
Вал кулачковый
В узле: 1
7
204А
Подшипник
В узле: 1
8
21.1111078-01
Прокладка регулировочная
В узле: 2
9
21.1110064
Шестерня ведущая
В узле: 1
10
21.1106341
Вал привода топливоподкачивающего насоса
В узле: 1
11
29
Подшипник
В узле: 2
12
21.1111248
Гайка штуцера подвода топлива
В узле: 2
13
36-1104788-01
Прокладка
В узле: 4
14
21.1106427
Пружина демпфера
В узле: 1
15
21.1106425
Поршень
В узле: 1
16
21.1106424
Корпус демпфера
В узле: 1
17
21.1106426
Кольцо стопорное
В узле: 1
18
21.1111378
Заглушка транспортная
В узле: 2
19
21.1111246
Шпилька штуцера подвода топлива
В узле: 1
20
М6х18
Винт
В узле: 8
21
SНР6
Шайба
В узле: 18
22
М6
Гайка
В узле: 8
23
SНР6
Шайба
В узле: 18
24
21.1111356
Шпилька
В узле: 8
25
21.1111304
Прокладка
В узле: 2
26
26.1110297
Пробка
В узле: 1
27
21.1110513
Прокладка
В узле: 1
28
21.1110504-10
Крышка верхняя регулятора
В узле: 1
29
21.1110512
Лимб
В узле: 1
30
26.1111026
Втулка резьбовая
В узле: 1
31
48.1110369
Кольцо уплотнительное
В узле: 3
32
М6х14
Болт
В узле: 1
33
21.1111349
Винт
В узле: 3
34
SНСН6
Шайба
В узле: 1
35
21.1110363
Колпачок
В узле: 1
36
14-10
Заглушка
В узле: 1
37
21.1110361
Винт регулировочный в сборе
В узле: 2
38
21.1110362
Гайка
В узле: 2
39
54.1110361
Винт регулировочный
В узле: 2
40
21.1110188
Пробка
В узле: 2
41
21.1110365
Шайба
В узле: 2
42
48.1110369
Кольцо уплотнительное
В узле: 3
43
21.1110042
Штифт
В узле: 3
44
21.1111304
Прокладка
В узле: 2
45
54.1111301
Крышка привода
В узле: 1
46
21.1111355
Шпилька
В узле: 2
47
26.1111025
Корпус насоса
В узле: 1
48
21.1111126-06
Шайба стопорная
В узле: 1
49
21.1111026
Втулка резьбовая
В узле: 1
50
21.1111127-07
Винт установочный толкатетя
В узле: 1
51
21.1111211-01
Прокладка
В узле: 1
52
21.1111207
Пробка уровня масла
В узле: 1
53
22.1111106
Прокладка боковой крышки насоса
В узле: 1
54
22.1111100-10
Крышка боковая с табличкой
В узле: 1
55
54.1111078
Прокладка регулировочная
В узле: ---
55
54.1111078-01
Прокладка регулировочная
В узле: ---
55
54.1111078-02
Прокладка регулировочная
В узле: ---
56
21.1111389
Гайка
В узле: 4
57
SНР8
Шайба
В узле: 4
58
SНСН8
Шайба
В узле: 4
Содержащиеся в справочниках-каталогах запасные части и детали не предлагаются к продаже, а носят исключительно информационный характер

Ваша заявка была отправлена. В ближайшее время наши специалисты с Вами свяжутся по указанному Вами телефону.

Представьтесь
Поле обязательно для заполнения
Ваш телефон
Введите правильный номер телефона
E-mail
Введите правильный e-mail
Тема
Тема
применяемость финансирование доставка цена, наличие другое сервис и гарантия
Время для звонка
08:00
08:00 09:00 10:00 11:00 12:00 13:00 14:00 15:00 16:00 17:00 18:00 19:00
19:00
08:00 09:00 10:00 11:00 12:00 13:00 14:00 15:00 16:00 17:00 18:00 19:00

Мы постараемся перезвонить в указанное время

Если вы не хотите ждать, то звоните нашим вежливым консультантам:

8 800 100-2-700
Подтвердите, что вы не робот
Подтвердите, что вы не робот
Спасибо!

Ваше сообщение успешно отправлено!

ЗакрытьПовторить попытку