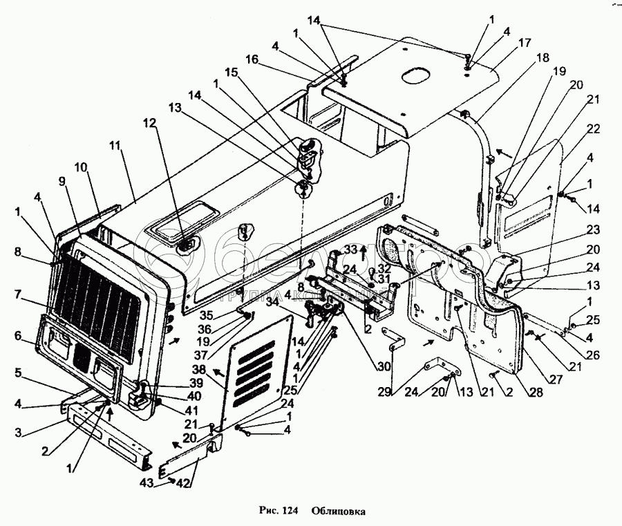
Каталог запасных частей к технике: МТЗ-1221. Облицовка
1
1
1
1
1
1
1
1
1
1
2
2
2
3
4
4
4
4
4
4
4
4
4
5
6
7
8
8
9
10
11
12
13
13
13
14
14
14
14
15
16
17
18
19
19
20
20
20
20
21
21
21
21
22
23
24
24
24
24
25
25
26
27
28
29
30
31
32
33
34
35
36
37
38
39
40
41
42
43
|
34
80-8402410
Замок
В узле: 1
|
|||||||||||||||||||||||||||||||||||||||||||||||||||||||||||||||||||||||||||||||||||||||
| 80-8402410 Замок капота МТЗ, Беларусь |
|
<10 шт. | 468.46 р. | ||||||||||||||||||||||||||||||||||||||||||||||||||||||||||||||||||||||||||||||||||||
|
32
70-3401093
Наконечник
В узле: 2
|
|||||||||||||||||||||||||||||||||||||||||||||||||||||||||||||||||||||||||||||||||||||||
| 70-3401093 Рукоятка МТЗ, Беларусь |
|
Под заказ | 49.75 р. | ||||||||||||||||||||||||||||||||||||||||||||||||||||||||||||||||||||||||||||||||||||
|
9
90-8402030
Рамка
В узле: 1
|
|||||||||||||||||||||||||||||||||||||||||||||||||||||||||||||||||||||||||||||||||||||||
| 90-8402030 Рамка МТЗ радиатора |
|
Под заказ | 5 196.19 р. | ||||||||||||||||||||||||||||||||||||||||||||||||||||||||||||||||||||||||||||||||||||
|
7
90-8401120
Решетка
В узле: 1
|
|||||||||||||||||||||||||||||||||||||||||||||||||||||||||||||||||||||||||||||||||||||||
| 90-8401120 Решетка МТЗ радиатора, верхняя |
|
Под заказ | 3 330.26 р. | ||||||||||||||||||||||||||||||||||||||||||||||||||||||||||||||||||||||||||||||||||||
|
6
90-8401020
Решетка
В узле: 1
|
|||||||||||||||||||||||||||||||||||||||||||||||||||||||||||||||||||||||||||||||||||||||
| 90-8401020 Решетка МТЗ капота нижняя, квадратные фары |
|
Под заказ | 1 347 р. | ||||||||||||||||||||||||||||||||||||||||||||||||||||||||||||||||||||||||||||||||||||
|
22
1221-8402082
Боковина
В узле: 1
|
|||||||||||||||||||||||||||||||||||||||||||||||||||||||||||||||||||||||||||||||||||||||
| 1221-8402082 Боковина МТЗ капота, левая |
|
Под заказ | 6 633.70 р. | ||||||||||||||||||||||||||||||||||||||||||||||||||||||||||||||||||||||||||||||||||||
|
16
1221-8402082-01
Боковина
В узле: 1
|
|||||||||||||||||||||||||||||||||||||||||||||||||||||||||||||||||||||||||||||||||||||||
| 1221-8402082-01 Боковина МТЗ капота, правая |
|
Под заказ | 6 633.70 р. | ||||||||||||||||||||||||||||||||||||||||||||||||||||||||||||||||||||||||||||||||||||
|
11
1221-8402020
Капот
В узле: 1
|
|||||||||||||||||||||||||||||||||||||||||||||||||||||||||||||||||||||||||||||||||||||||
| 1221-8402020 Капот МТЗ |
|
Под заказ | 19 030.58 р. | ||||||||||||||||||||||||||||||||||||||||||||||||||||||||||||||||||||||||||||||||||||
|
10
90-8402025-01
Боковина
В узле: 1
|
|||||||||||||||||||||||||||||||||||||||||||||||||||||||||||||||||||||||||||||||||||||||
| 90-8402025-01 Боковина МТЗ капота, правая |
|
Под заказ | 5 062.85 р. | ||||||||||||||||||||||||||||||||||||||||||||||||||||||||||||||||||||||||||||||||||||
|
29
112-8402106
Кронштейн
В узле: 2
|
|||||||||||||||||||||||||||||||||||||||||||||||||||||||||||||||||||||||||||||||||||||||
| 112-8402106 Кронштейн МТЗ |
|
Под заказ | 214.63 р. | ||||||||||||||||||||||||||||||||||||||||||||||||||||||||||||||||||||||||||||||||||||
|
23
112-8402107
Кронштейн
В узле: 1
|
|||||||||||||||||||||||||||||||||||||||||||||||||||||||||||||||||||||||||||||||||||||||
| 112-8402107 Кронштейн |
|
Под заказ | 585.51 р. | ||||||||||||||||||||||||||||||||||||||||||||||||||||||||||||||||||||||||||||||||||||
|
35
90-8400070
Тяга
В узле: 1
|
|||||||||||||||||||||||||||||||||||||||||||||||||||||||||||||||||||||||||||||||||||||||
| 90-8400070 Тяга |
|
Под заказ | 553.31 р. | ||||||||||||||||||||||||||||||||||||||||||||||||||||||||||||||||||||||||||||||||||||
Содержащиеся в справочниках-каталогах запасные части и детали не предлагаются к продаже, а носят исключительно информационный характер