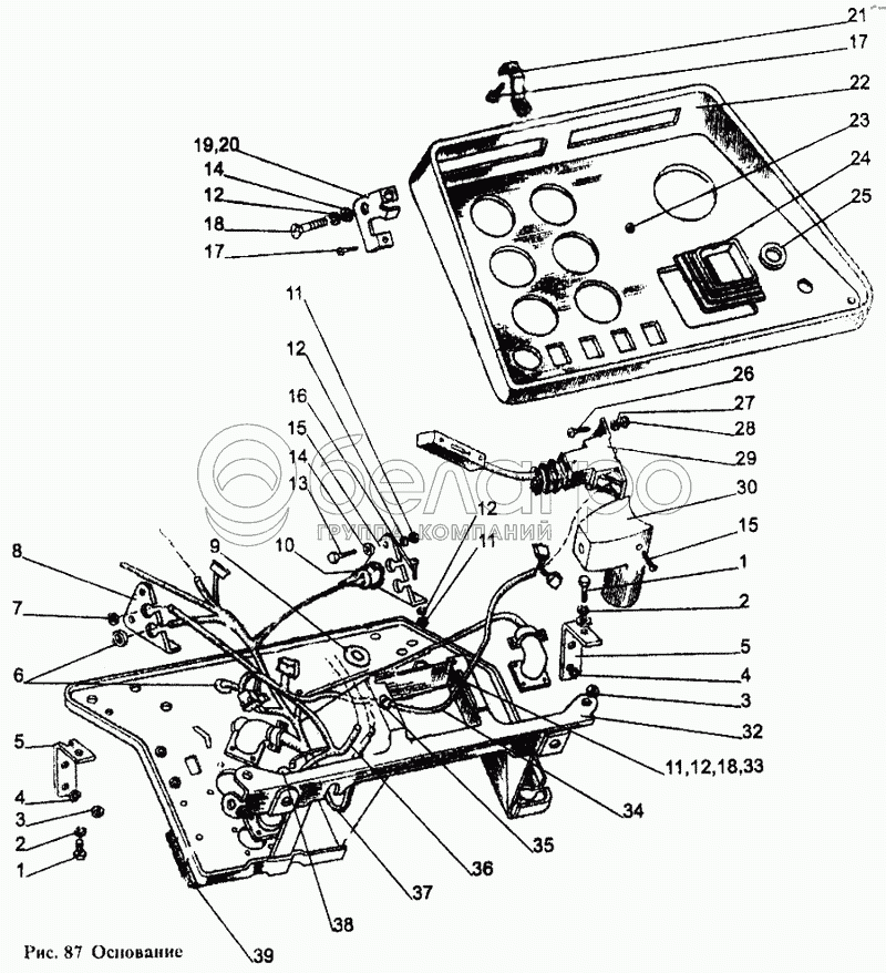
Каталог запасных частей к технике: МТЗ-1221. Основание

zoom-in zoom-out enlarge shrink circle-right circle-left file-text2 info cart arraw right arraw left zoom out zoom in arraw maximize arraw minimize
1
1
2
2
3
3
4
4
5
5
6
7
8
9
10
11
11
11
12
12
12
12
13
14
14
15
15
16
17
17
18
18
19
20
21
22
23
24
25
26
27
28
29
30
32
33
34
35
36
37
38
39
1
М8х16
Болт
В узле: 2
2
SНР8
Шайба
В узле: 2
3
М10
Гайка
В узле: 2
4
SНР10
Шайба
В узле: 6
5
80-3805030
Кронштейн
В узле: 1
6
70-3723042-02
Втулка
В узле: 3
7
70-3723042-01
Втулка
В узле: 1
8
80-3805043
Кронштейн
В узле: 1
9
80-3723049
Втулка
В узле: 2
10
RS492
Реле-прерыватель
В узле: 1
11
М6
Гайка
В узле: 13
12
SНР6
Шайба
В узле: 17
13
М6х16
Винт
В узле: 4
14
SНСН6
Шайба
В узле: 2
15
80-3805040
Кронштейн
В узле: 1
16
VМ6х12
Винт
В узле: 8
17
VМ4х16
Винт
В узле: 6
18
VМ6х18
Винт
В узле: 4
19
80-3805035
Кронштейн правый
В узле: 1
20
80-3805035-01
Кронштейн левый
В узле: 1
21
80-3805015
Кронштейн
В узле: 1
22
80-3805021
Щиток
В узле: 1
23
80-3805064
Заглушка
В узле: 1
24
80-38055012
Уплотнитель
В узле: 1
25
80-3805016
Заглушка
В узле: 1
26
VМ5х16
Винт
В узле: 2
27
SНР5
Шайба
В узле: 2
28
М5
Гайка
В узле: 2
29
РКР-1
Переключатель указателей поворота, ближнего и дальнего света
В узле: 1
30
80-3709023-V
Кожух
В узле: 1
31
SНСН8
Шайба
В узле: 2
32
80-3805050
Основание
В узле: 1
33
Р14.3723
Панель
В узле: 1
34
80-3724250-В
Жгут
В узле: 1
35
50-4607064
Втулка
В узле: 1
36
80-3724535В1
Жгут
В узле: 1
37
80-3724390-V1
Жгут
В узле: 1
38
50-4607064
Втулка
В узле: 2
39
80-3805029
Уплотнитель
В узле: 1
Содержащиеся в справочниках-каталогах запасные части и детали не предлагаются к продаже, а носят исключительно информационный характер

Ваша заявка была отправлена. В ближайшее время наши специалисты с Вами свяжутся по указанному Вами телефону.

Представьтесь
Поле обязательно для заполнения
Ваш телефон
Введите правильный номер телефона
E-mail
Введите правильный e-mail
Тема
Тема
применяемость финансирование доставка цена, наличие другое сервис и гарантия
Время для звонка
08:00
08:00 09:00 10:00 11:00 12:00 13:00 14:00 15:00 16:00 17:00 18:00 19:00
19:00
08:00 09:00 10:00 11:00 12:00 13:00 14:00 15:00 16:00 17:00 18:00 19:00

Мы постараемся перезвонить в указанное время

Если вы не хотите ждать, то звоните нашим вежливым консультантам:

8 800 100-2-700
Подтвердите, что вы не робот
Подтвердите, что вы не робот
Спасибо!

Ваше сообщение успешно отправлено!

ЗакрытьПовторить попытку