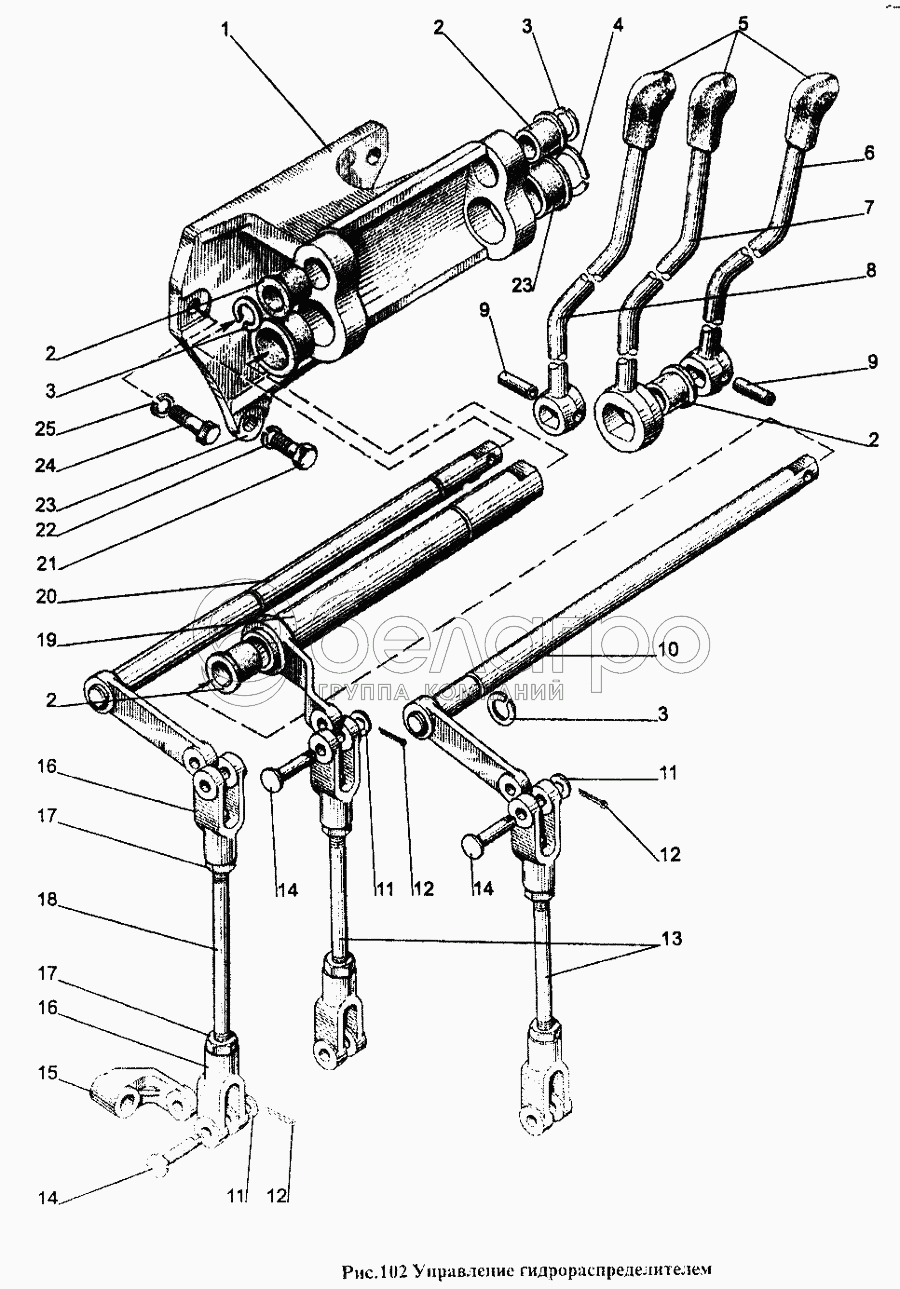
Каталог запасных частей к технике: МТЗ-1221. Управление гидрораспределителем
1
2
2
2
2
3
3
3
4
5
6
7
8
9
9
10
11
11
11
12
12
12
13
14
14
14
15
16
16
17
17
18
19
20
21
22
23
23
24
25
|
2
50-4607078-А
Втулка
В узле: 4
|
|||||||||||||||||||||||||||||||||||||||||||||||||||||||||||||||||||||||||||||||||||||||
| 50-4607078-А Втулка МТЗ кронштейна гидрораспределителя, Беларусь |
|
Под заказ | Нет на складе | ||||||||||||||||||||||||||||||||||||||||||||||||||||||||||||||||||||||||||||||||||||
|
16
А20.213-А
Вилка
В узле: 6
|
|||||||||||||||||||||||||||||||||||||||||||||||||||||||||||||||||||||||||||||||||||||||
| А20.213-А Вилка МТЗ |
|
Под заказ | 221.08 р. | ||||||||||||||||||||||||||||||||||||||||||||||||||||||||||||||||||||||||||||||||||||
|
23
50-4607079-А1
Втулка
В узле: 2
|
|||||||||||||||||||||||||||||||||||||||||||||||||||||||||||||||||||||||||||||||||||||||
| 50-4607079-А1 Втулка МТЗ вала управления |
|
Под заказ | 14.14 р. | ||||||||||||||||||||||||||||||||||||||||||||||||||||||||||||||||||||||||||||||||||||
|
11
70-4607144
Шайба
В узле: 6
|
|||||||||||||||||||||||||||||||||||||||||||||||||||||||||||||||||||||||||||||||||||||||
| 70-4607144 Шайба МТЗ оборудования навесного |
|
Под заказ | 11.61 р. | ||||||||||||||||||||||||||||||||||||||||||||||||||||||||||||||||||||||||||||||||||||
|
15
50-4607086-А
Рычаг
В узле: 3
|
|||||||||||||||||||||||||||||||||||||||||||||||||||||||||||||||||||||||||||||||||||||||
| 50-4607086-А Рычаг МТЗ управления гидрораспределителем |
|
Под заказ | 293.62 р. | ||||||||||||||||||||||||||||||||||||||||||||||||||||||||||||||||||||||||||||||||||||
|
13
80-4607087-02
Тяга
В узле: 2
|
|||||||||||||||||||||||||||||||||||||||||||||||||||||||||||||||||||||||||||||||||||||||
| 80-4607087-02 Тяга МТЗ управления распределителем |
|
Под заказ | 206.47 р. | ||||||||||||||||||||||||||||||||||||||||||||||||||||||||||||||||||||||||||||||||||||
|
1
85-4607017
Кронштейн
В узле: 1
|
|||||||||||||||||||||||||||||||||||||||||||||||||||||||||||||||||||||||||||||||||||||||
| 85-4607017 Кронштейн МТЗ |
|
Под заказ | 1 872.14 р. | ||||||||||||||||||||||||||||||||||||||||||||||||||||||||||||||||||||||||||||||||||||
|
7
85-4607042-А
Рычаг
В узле: 1
|
|||||||||||||||||||||||||||||||||||||||||||||||||||||||||||||||||||||||||||||||||||||||
| 85-4607042-А Рычаг МТЗ |
|
Под заказ | 544.08 р. | ||||||||||||||||||||||||||||||||||||||||||||||||||||||||||||||||||||||||||||||||||||
|
10
80-4607220
Вал
В узле: 1
|
|||||||||||||||||||||||||||||||||||||||||||||||||||||||||||||||||||||||||||||||||||||||
| 80-4607220 Вал МТЗ управления гидроузлами |
|
Под заказ | 1 099.62 р. | ||||||||||||||||||||||||||||||||||||||||||||||||||||||||||||||||||||||||||||||||||||
|
19
80-4607230
Вал
В узле: 1
|
|||||||||||||||||||||||||||||||||||||||||||||||||||||||||||||||||||||||||||||||||||||||
| 80-4607230 Вал МТЗ управления гидроузлами |
|
Под заказ | 1 697.65 р. | ||||||||||||||||||||||||||||||||||||||||||||||||||||||||||||||||||||||||||||||||||||
|
20
80-4607250
Вал
В узле: 1
|
|||||||||||||||||||||||||||||||||||||||||||||||||||||||||||||||||||||||||||||||||||||||
| 80-4607250 Вал МТЗ управления гидроузлами |
|
Под заказ | 1 174.14 р. | ||||||||||||||||||||||||||||||||||||||||||||||||||||||||||||||||||||||||||||||||||||
Содержащиеся в справочниках-каталогах запасные части и детали не предлагаются к продаже, а носят исключительно информационный характер