Каталог запасных частей к технике: МТЗ-1221. Установка отопителя

zoom-in zoom-out enlarge shrink circle-right circle-left file-text2 info cart arraw right arraw left zoom out zoom in arraw maximize arraw minimize
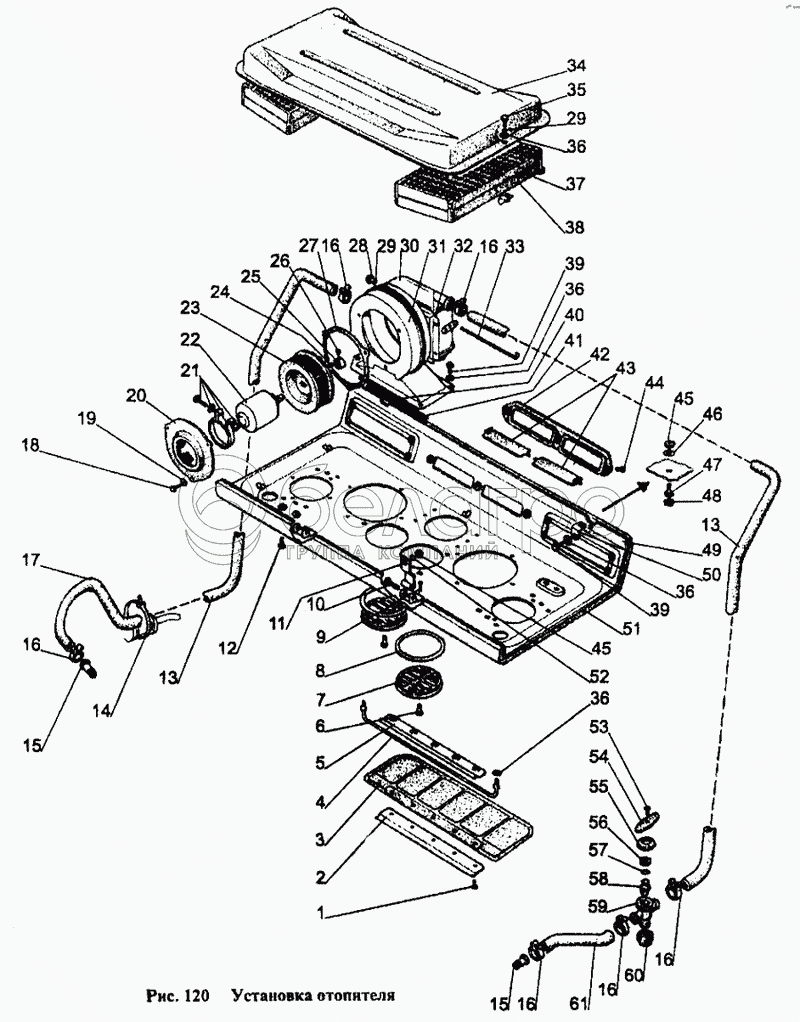
1
2
3
4
5
6
7
8
9
10
11
12
13
13
14
15
15
16
16
16
16
16
16
17
18
19
20
21
22
23
24
25
26
27
28
29
29
30
31
32
33
34
35
36
36
36
36
37
38
39
39
40
41
42
43
44
45
45
46
47
48
49
50
51
52
53
54
55
56
57
58
59
60
61
48
А30.04.017-01
Колпачок
В узле: 2
А30.04.017-01 Колпачок МТЗ, Беларусь >10 шт. 4.53 р.
22
9742.3730
Электродвигатель
В узле: 1
9742.3730 Привод вентилятора охлаждения на отопитель МТЗ, (А) >10 шт. 1 110 р.
43
80-8100012
Заслонка
В узле: 2
80-8100012 Заслонка МТЗ, Беларусь Под заказ 31.02 р.
38
80-8104070
Фильтр
В узле: 2
80-8104070 Фильтр воздушный МТЗ кабины Под заказ Нет на складе
80-8104070 Фильтр воздушный МТЗ кабины/(4701М Difa) Под заказ 848.41 р.
15
80-8100023
Штуцер
В узле: 2
80-8100023 Штуцер системы охлаждения МТЗ, САЗ Под заказ 83.52 р.
23
80-8104034
Ротор
В узле: 1
80-8104034 Ротор МТЗ, Беларусь Под заказ 138.06 р.
8
80-8100013
Накладка
В узле: 2
80-8100013 Накладка МТЗ Под заказ 366.57 р.
49
80-8100100
Панель
В узле: 1
80-8100100 Панель кабины МТЗ Под заказ 3 070.46 р.
3
70-8204011-А
Козырек
В узле: 1
70-8204011-А Козырек МТЗ солнцезащитный, Беларусь <10 шт. 237.41 р.
50
70-6702111
Угольник
В узле: 2
70-6702111 Уголок МТЗ пола кабины Под заказ 119.73 р.
80-8101790
Вентилятор в сборе
В узле: 1
80-8101710
Бак отопителя в сборе
В узле: 1
80-8101720
Отопитель в сборе
В узле: 1
80Р-8204010
Козырек в сборе
В узле: 1
80-8101750
Кран в сборе
В узле: 2
1
М4х8
Винт
В узле: 5
2
70-8204014
Держатель
В узле: 1
4
70Р-8204011
Ось
В узле: 1
5
70-8204015
Держатель
В узле: 1
6
6х18
Палец
В узле: 2
7
150.95.301
Воздухораспределитель
В узле: 2
9
2х12
Шплинт
В узле: 2
10
50-8400031
Ось
В узле: 2
11
80-8100048
Петля
В узле: 2
12
VМ6х20
Винт
В узле: 2
13
80-8102015
Шланг L=700 мм
В узле: 2
14
1М100
Манжета
В узле: 2
16
НS-23
Хомут
В узле: 8
17
80-8102015-08
Шланг
В узле: 1
18
М6х14
Болт
В узле: 3
36
SНСН6
Шайба
В узле: 9
20
80-8101791
Фланец
В узле: 1
21
НS-76
Хомут
В узле: 1
24
М4
Гайка
В узле: 1
25
80-8104039
Кольцо
В узле: 1
26
VМ4х10
Винт
В узле: 1
27
70-8115168
Прокладка
В узле: 1
28
М6
Гайка
В узле: 2
29
SНР6
Шайба
В узле: 3
30
70U-8101060-А
Радиатор отопителя
В узле: 1
31
80-8101730
Кожух
В узле: 1
32
80-8100016-01
Уплотнитель
В узле: 2
33
80-3703046-А
Шпилька
В узле: 1
34
80-8101740
Крышка
В узле: 1
35
М6х20
Винт
В узле: 2
37
80-8101714-04
Уплотнитель
В узле: 2
39
М6х16
Винт
В узле: 5
40
80-8101716-02
Уплотнитель
В узле: 1
41
80-8100014
Стержень
В узле: 1
42
80-8100011
Крышка
В узле: 1
44
VМ6х16
Винт
В узле: 3
45
М8
Гайка
В узле: 4
46
SНСН8
Шайба
В узле: 2
47
М8х25
Болт
В узле: 2
51
80-8101713
Обивка
В узле: 1
52
SНР8
Шайба
В узле: 2
53
4х16
Шуруп
В узле: 2
54
80-8101756
Маховичок
В узле: 2
55
80-8101753
Гайка
В узле: 2
56
80-8101754
Втулка
В узле: 2
57
020-025-30-1-4
Кольцо
В узле: 2
58
80-8101752
Пробка
В узле: 2
59
80-8101751
Корпус
В узле: 2
60
80-8100052
Пробка
В узле: 2
61
80-8102015-03
Шланг L=500 мм
В узле: 1
Содержащиеся в справочниках-каталогах запасные части и детали не предлагаются к продаже, а носят исключительно информационный характер

Ваша заявка была отправлена. В ближайшее время наши специалисты с Вами свяжутся по указанному Вами телефону.

Представьтесь
Поле обязательно для заполнения
Ваш телефон
Введите правильный номер телефона
E-mail
Введите правильный e-mail
Тема
Тема
применяемость финансирование доставка цена, наличие другое сервис и гарантия
Время для звонка
08:00
08:00 09:00 10:00 11:00 12:00 13:00 14:00 15:00 16:00 17:00 18:00 19:00
19:00
08:00 09:00 10:00 11:00 12:00 13:00 14:00 15:00 16:00 17:00 18:00 19:00

Мы постараемся перезвонить в указанное время

Если вы не хотите ждать, то звоните нашим вежливым консультантам:

8 800 100-2-700
Подтвердите, что вы не робот
Подтвердите, что вы не робот
Спасибо!

Ваше сообщение успешно отправлено!

ЗакрытьПовторить попытку