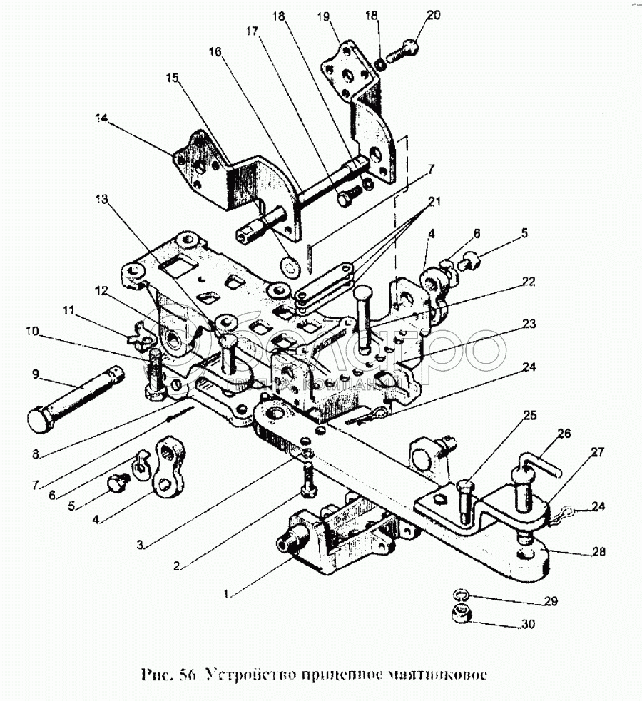
Каталог запасных частей к технике: МТЗ-1221. Устройство прицепное маятниковое
1
2
3
4
4
5
5
6
6
7
7
8
9
10
11
12
13
14
15
16
17
18
18
19
20
21
22
23
24
24
25
26
27
28
29
30
|
24
А61.07.001
Шплинт
В узле: 2
|
|||||||||||||||||||||||||||||||||||||||||||||||||||||||||||||||||||||||||||||||||||||||
| А61.07.001 Шплинт МТЗ, |
|
>10 шт. | 10.80 р. | ||||||||||||||||||||||||||||||||||||||||||||||||||||||||||||||||||||||||||||||||||||
|
10
40-3104021
Болт
В узле: 4
|
|||||||||||||||||||||||||||||||||||||||||||||||||||||||||||||||||||||||||||||||||||||||
| 40-3104021 Болт колеса заднего МТЗ, ЮМЗ, (А) |
|
>10 шт. | 66.97 р. | ||||||||||||||||||||||||||||||||||||||||||||||||||||||||||||||||||||||||||||||||||||
| 40-3104021 Болт колеса заднего МТЗ, ЮМЗ |
|
Под заказ | Нет на складе | ||||||||||||||||||||||||||||||||||||||||||||||||||||||||||||||||||||||||||||||||||||
|
9
80-4619019
Палец
В узле: 1
|
|||||||||||||||||||||||||||||||||||||||||||||||||||||||||||||||||||||||||||||||||||||||
| 80-4619019 Палец МТЗ крепления гидроцилиндра Ц-100, нижний |
|
<10 шт. | 626.78 р. | ||||||||||||||||||||||||||||||||||||||||||||||||||||||||||||||||||||||||||||||||||||
|
5
80-2707137
Болт
В узле: 2
|
|||||||||||||||||||||||||||||||||||||||||||||||||||||||||||||||||||||||||||||||||||||||
| 80-2707137 Болт МТЗ устройства прицепного |
|
>10 шт. | 364.44 р. | ||||||||||||||||||||||||||||||||||||||||||||||||||||||||||||||||||||||||||||||||||||
|
11
70-2807044
Шайба
В узле: 4
|
|||||||||||||||||||||||||||||||||||||||||||||||||||||||||||||||||||||||||||||||||||||||
| 70-2807044 Шайба МТЗ |
|
<10 шт. | 54.28 р. | ||||||||||||||||||||||||||||||||||||||||||||||||||||||||||||||||||||||||||||||||||||
|
14
80-2707116
Боковина
В узле: 1
|
|||||||||||||||||||||||||||||||||||||||||||||||||||||||||||||||||||||||||||||||||||||||
| 80-2707116 Боковина МТЗ устройства прицепного, ВЗТЗЧ |
|
<10 шт. | 2 668.40 р. | ||||||||||||||||||||||||||||||||||||||||||||||||||||||||||||||||||||||||||||||||||||
|
19
80-2707116-01
Боковина
В узле: 1
|
|||||||||||||||||||||||||||||||||||||||||||||||||||||||||||||||||||||||||||||||||||||||
| 80-2707116-01 Боковина МТЗ устройства прицепного, ВЗТЗЧ |
|
<10 шт. | 2 668.40 р. | ||||||||||||||||||||||||||||||||||||||||||||||||||||||||||||||||||||||||||||||||||||
|
21
70-2807039
Пластина 1,0 мм
В узле: 2
|
|||||||||||||||||||||||||||||||||||||||||||||||||||||||||||||||||||||||||||||||||||||||
| 70-2807039 Пластина МТЗ регулировочная 1,0 мм |
|
Под заказ | 73.16 р. | ||||||||||||||||||||||||||||||||||||||||||||||||||||||||||||||||||||||||||||||||||||
|
70-2807039-02
Пластина 0,2 мм
В узле: 2
|
|||||||||||||||||||||||||||||||||||||||||||||||||||||||||||||||||||||||||||||||||||||||
| 70-2807039-02 Пластина МТЗ регулировочная 0,2 мм |
|
Под заказ | 70.76 р. | ||||||||||||||||||||||||||||||||||||||||||||||||||||||||||||||||||||||||||||||||||||
|
2
80-2807026-01
Болт
В узле: 2
|
|||||||||||||||||||||||||||||||||||||||||||||||||||||||||||||||||||||||||||||||||||||||
| 80-2807026-01 болт |
|
Под заказ | 376.88 р. | ||||||||||||||||||||||||||||||||||||||||||||||||||||||||||||||||||||||||||||||||||||
Содержащиеся в справочниках-каталогах запасные части и детали не предлагаются к продаже, а носят исключительно информационный характер