Каталог запасных частей к технике: МТЗ-1221.4. Электрооборудование по двигателю

zoom-in zoom-out enlarge shrink circle-right circle-left file-text2 info cart arraw right arraw left zoom out zoom in arraw maximize arraw minimize
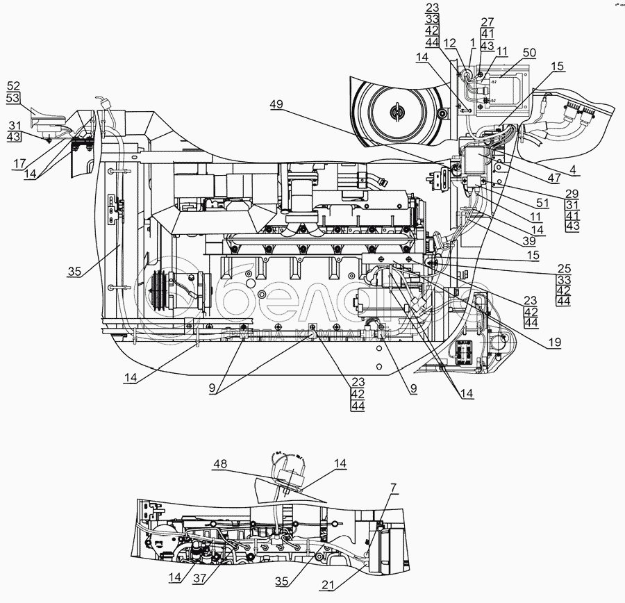
1
4
7
9
9
11
11
12
14
14
14
14
14
14
14
15
15
17
19
21
23
23
23
25
27
29
31
31
33
33
35
35
37
39
41
41
42
42
42
42
43
43
43
44
44
44
44
47
48
49
50
51
52
1
1221.4-3759020
Кронштейн
В узле: 1
4
1221.4-3747021
Кронштейн
В узле: 1
7
54.24.445-Б
Наконечник
В узле: 1
9
70-1115012-01
Хомутик
В узле: 3
11
70-3723035
Наконечник
В узле: 4
12
70-3723042
Втулка
В узле: 1
14
80-3723045-01
Манжета
В узле: 22
15
822-3723044
Хомутик
В узле: 1
17
1522-3721011
Пластина
В узле: 2
19
2822ДЦ-3723001
Экран
В узле: 1
21
ТМ-59-6000-38
Наконечник резиновый
В узле: 1
23
М8-6gх14.88.35.019
Болт
В узле: 7
25
М8-6gх25.88.35.019
Болт
В узле: 1
27
М6-6gх20.88.35.019
Болт
В узле: 2
29
В.М6-6gх20.58.019
Винт
В узле: 4
31
М6-6Н.6.019
Гайка
В узле: 6
33
М8-6Н.6.019
Гайка
В узле: 3
35
1221.4-3724360
Жгут
В узле: 1
37
1222.4-3724380-А
Жгут
В узле: 1
39
80-3724381
Провод
В узле: 1
41
С6.01.019
Шайба
В узле: 4
42
С8.01.019
Шайба
В узле: 8
43
Шайба6Т
Шайба
В узле: 8
44
Шайба8Т
Шайба 8Т
В узле: 8
47
3722.40
Блок предохранителей (БП-11)
В узле: 1
48
3845.10
Датчик засоренности воздухоочистителя (ДСФ-65)
В узле: 1
49
3829.15
Датчик аварийного давления Масла (ДАДМ-03)
В узле: 1
50
3759.10
Преобразователь напряжения
В узле: 1
51
3747.35
Реле свечей накаливания
В узле: 1
52
3721.15
Сигнал звуковой рупорный низкотональный
В узле: 1
Содержащиеся в справочниках-каталогах запасные части и детали не предлагаются к продаже, а носят исключительно информационный характер

Ваша заявка была отправлена. В ближайшее время наши специалисты с Вами свяжутся по указанному Вами телефону.

Представьтесь
Поле обязательно для заполнения
Ваш телефон
Введите правильный номер телефона
E-mail
Введите правильный e-mail
Тема
Тема
применяемость финансирование доставка цена, наличие другое сервис и гарантия
Время для звонка
08:00
08:00 09:00 10:00 11:00 12:00 13:00 14:00 15:00 16:00 17:00 18:00 19:00
19:00
08:00 09:00 10:00 11:00 12:00 13:00 14:00 15:00 16:00 17:00 18:00 19:00

Мы постараемся перезвонить в указанное время

Если вы не хотите ждать, то звоните нашим вежливым консультантам:

8 800 100-2-700
Подтвердите, что вы не робот
Подтвердите, что вы не робот
Спасибо!

Ваше сообщение успешно отправлено!

ЗакрытьПовторить попытку