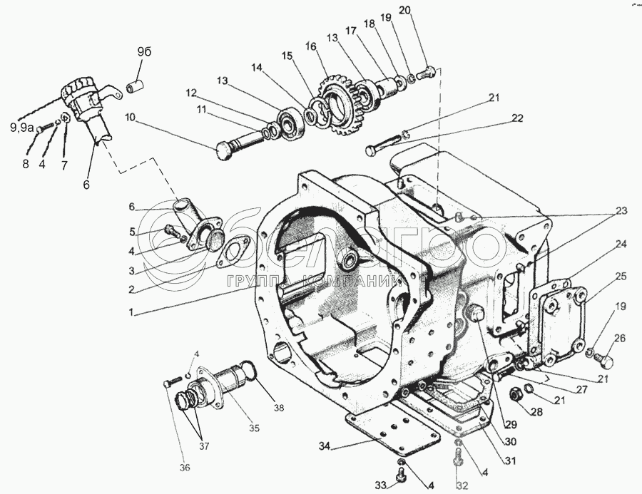
Каталог запасных частей к технике: МТЗ-1221.4. Корпус сцепления

zoom-in zoom-out enlarge shrink circle-right circle-left file-text2 info cart arraw right arraw left zoom out zoom in arraw maximize arraw minimize
1
2
3
4
4
4
4
4
5
6
6
7
8
9
10
11
12
13
13
14
15
16
17
18
19
19
20
21
21
21
22
23
24
25
26
27
28
29
30
31
32
33
34
35
36
37
38
9
082-1103010
Пробка
В узле: 1
082-1103010 Пробка топливного бака МТЗ пластмассовая (метал. бак) >10 шт. 68.60 р.
16
70-1601331
Шестерня промежуточная
В узле: 1
70-1601331 Шестерня промежуточная МТЗ, МЗШ >10 шт. 1 576.50 р.
70-1601331 Шестерня МТЗ сцепления, z=27, (А) Под заказ 480.22 р.
86-1802015-Б
Обойма
В узле: 1
86-1802015-Б Обойма (А) Под заказ 620.05 р.
86-1802015-Б Обойма МТЗ в сборе* >10 шт. 6 595.43 р.
14
70-1601333
Кольцо
В узле: 1
70-1601333 Кольцо МТЗ >10 шт. 71.17 р.
27
70-4605036
Болт
В узле: 4
70-4605036 болт Под заказ 231.59 р.
3
240-1002085
Сетка
В узле: 1
240-1002085 Сетка МТЗ маслозаборника, ММЗ Под заказ 128.92 р.
34
50-1601341
Крышка сцепления
В узле: 1
50-1601341 Крышка МТЗ корпуса сцепления <10 шт. 261.34 р.
22
70-4605036-03
Болт
В узле: 1
70-4605036-03 Болт МТЗ Под заказ 228.06 р.
31
80-1601313
Крышка
В узле: 1
80-1601313 Крышка Под заказ 1 074.29 р.
1221.4-1600010-01
Корпус сцепления
В узле: 1
1221.4-1600010-02
Корпус сцепления
В узле: 1
70-1601330
Шестерня 70-1601331 с кольцами в сборе
В узле: 1
1522-1601300
Горловина заливная
В узле: 1
1
1221.4-1601015
Корпус
В узле: 1
2
240-1002082-A
Прокладка
В узле: 1
4
ШП8
Шайба
В узле: 16
5
M8х20
Болт
В узле: 2
6
1522-1601310
Горловина заливная
В узле: 1
7
ШЧ8
Шайба
В узле: 1
8
М8х50
Болт
В узле: 1
36-1101070
Цепочка
В узле: 1
2022-1601306-02
Втулка
В узле: 1
10
80-1601335
Ось
В узле: 1
11
020-025-30-1-6
Кольцо
В узле: 1
12
80-1601337
Шайба
В узле: 1
13
305A
Подшипник
В узле: 2
15
С62
Кольцо
В узле: 1
17
80-1601336
Втулка
В узле: 1
18
80-1601334
Шайба
В узле: 1
19
ШП12
Шайба
В узле: 5
20
M12х35
Болт
В узле: 1
21
ШП20
Шайба
В узле: 6
23
ШЦК10x25
Штифт
В узле: 4
24
80-1601343
Прокладка
В узле: 1
25
80-1601342
Крышка
В узле: 1
26
M12х30
Болт
В узле: 4
28
ГайкаM20
Гайка
В узле: 1
29
ПККГ11,4dm
Пробка
В узле: 1
30
80-1601314
Прокладка
В узле: 1
32
M8х25
Болт
В узле: 7
33
M8х16
Болт
В узле: 4
35
2022Д-1802020
Обойма
В узле: 1
36
M8х35
Болт
В узле: 2
37
2.2-38х58-1
Манжета
В узле: 2
38
048-052-25-2-4
Кольцо
В узле: 1
Содержащиеся в справочниках-каталогах запасные части и детали не предлагаются к продаже, а носят исключительно информационный характер

Ваша заявка была отправлена. В ближайшее время наши специалисты с Вами свяжутся по указанному Вами телефону.

Представьтесь
Поле обязательно для заполнения
Ваш телефон
Введите правильный номер телефона
E-mail
Введите правильный e-mail
Тема
Тема
применяемость финансирование доставка цена, наличие другое сервис и гарантия
Время для звонка
08:00
08:00 09:00 10:00 11:00 12:00 13:00 14:00 15:00 16:00 17:00 18:00 19:00
19:00
08:00 09:00 10:00 11:00 12:00 13:00 14:00 15:00 16:00 17:00 18:00 19:00

Мы постараемся перезвонить в указанное время

Если вы не хотите ждать, то звоните нашим вежливым консультантам:

8 800 100-2-700
Подтвердите, что вы не робот
Подтвердите, что вы не робот
Спасибо!

Ваше сообщение успешно отправлено!

ЗакрытьПовторить попытку